GM Service Manual Online
For 1990-2009 cars only
Makes
🢒
Chevrolet
🢒
2004
🢒
TrailBlazer - 4WD
🢒
Accessories
🢒
Theft Deterrent
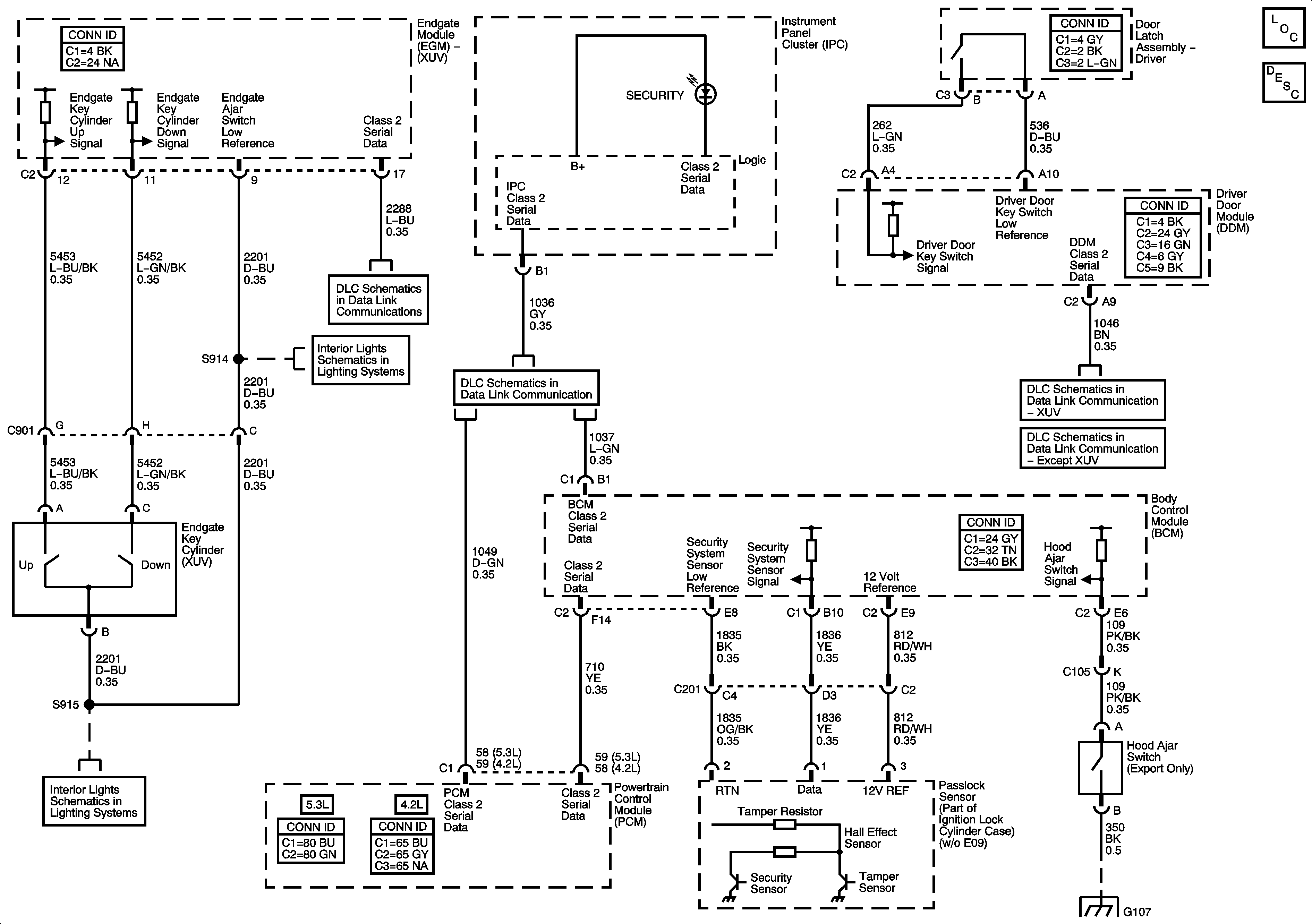
🢒 Theft Deterrent System Schematics
Master Electrical Component List
Content Theft Deterrent (CTD) Description and Operation
SP306 - XUV
Liftgate Module (Except XUV) and Endgate Module (XUV) Switch Inputs
Power, Ground, Data Link Connector, and SP205
SP306 - XUV
SP306 - Except XUV
Liftgate Module (Except XUV) and Endgate Module (XUV) Switch Inputs
G104, G105, and G107