GM Service Manual Online
For 1990-2009 cars only
Makes
🢒
Chevrolet
🢒
2004
🢒
TrailBlazer - 4WD
🢒
Accessories
🢒
Cellular Communication
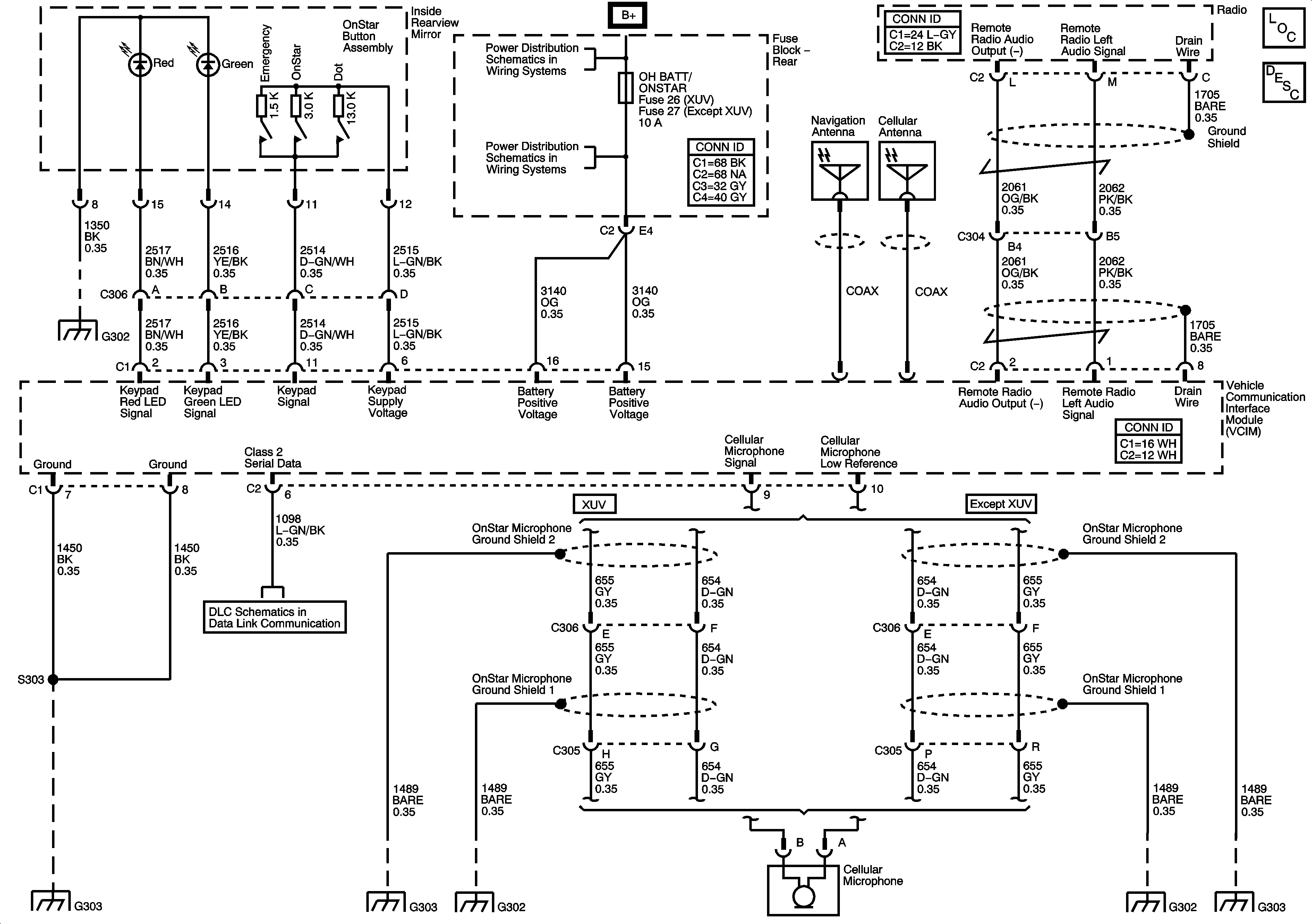
🢒 OnStar Schematics
Master Electrical Component List
OnStar Description and Operation
B+ Bus - Rear Fuse Block
G302 - 2 of 2
Power, Ground, Data Link Connector, and SP205
G302 - 1 of 2, G303, and G304
G302 - 1 of 2, G303, and G304
G302 - 2 of 2
G302 - 2 of 2
G302 - 1 of 2, G303, and G304