GM Service Manual Online
For 1990-2009 cars only
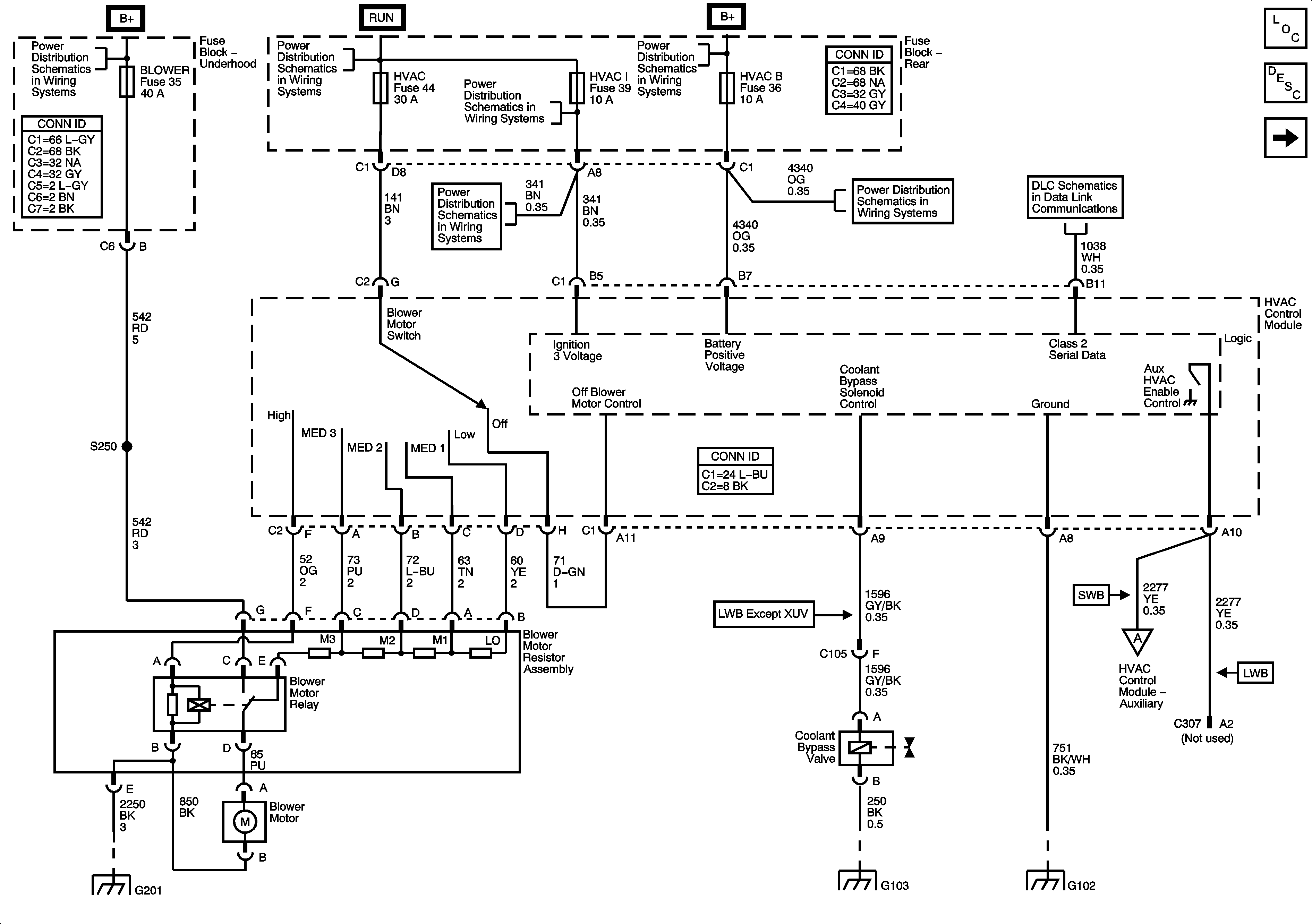
Figure 1:

Module Power, Ground, Serial Data, Blower Motor, and Coolant Bypass Valve


Object Number: 1254367  Size: FS
Master Electrical Component List
Air Delivery Description and Operation
Compressor Controls
B+ Bus - Underhood Fuse Block
ACCY/RUN/START, RUN, and START Bus Bars
B+ Bus - Rear Fuse Block
HVAC I, BRAKE, and TBC RUN Fuses
HVAC I, BRAKE, and TBC RUN Fuses
LGM/DSM, OH BATT/ONSTAR, RADIO, and HVAC B Fuses
Power, Ground, Data Link Connector, and SP205
Rear Mode Controls - Short Wheel Base
G201 - 1 of 2
G101, G103, G106, and G110
G102
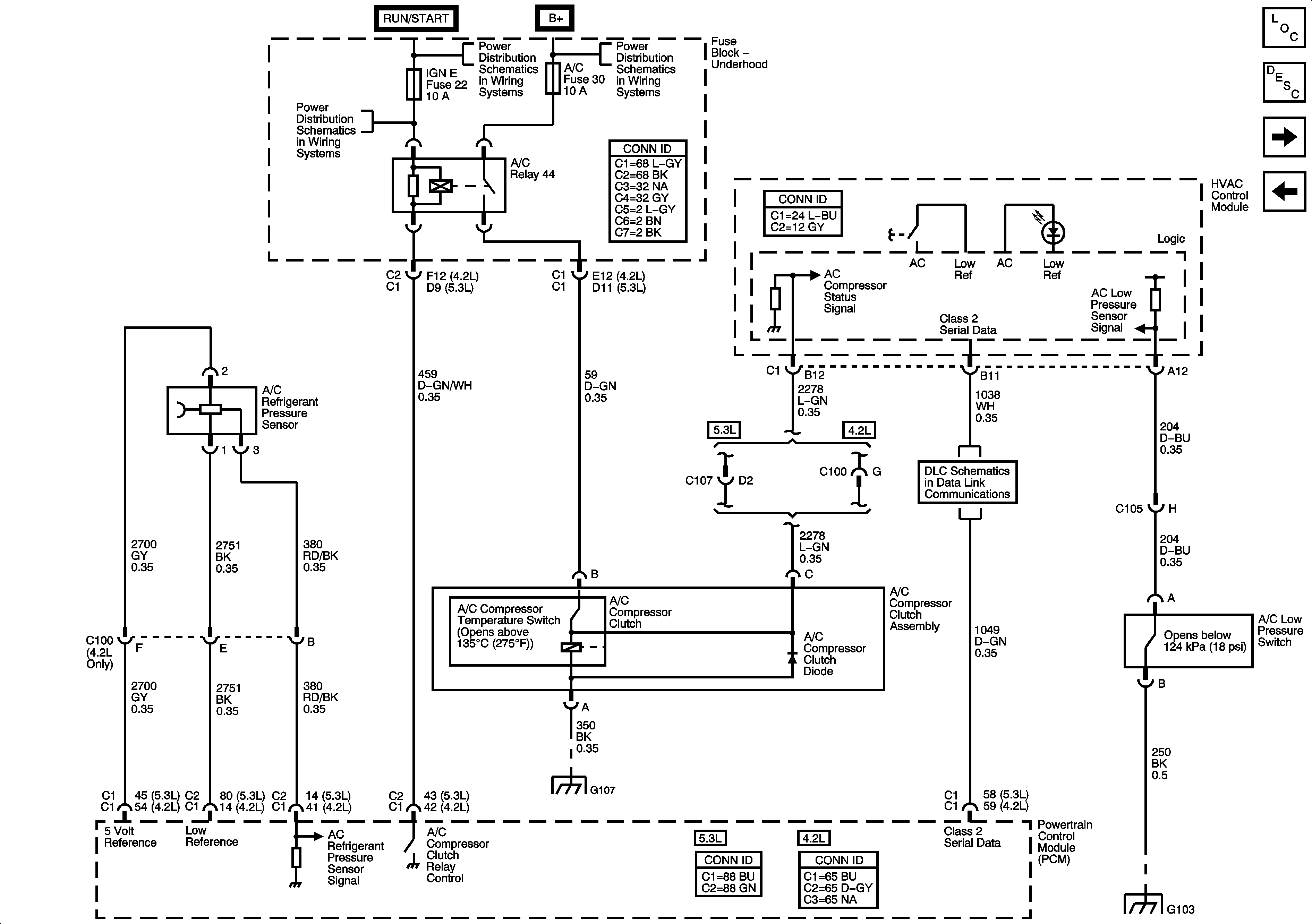
Figure 2:

Compressor Controls


Object Number: 1254369  Size: FS
Master Electrical Component List
Air Delivery Description and Operation
Air Delivery/Temperature Actuators
Module Power, Ground, Serial Data, Blower Motor, and Coolant Bypass Valve
ACCY/RUN and RUN/START Bus Bars
B+ Bus - Underhood Fuse Block
IGN E, TBC IGN 1, BACKUP, BTSI, and TRLR B/U Fuses
Power, Ground, Data Link Connector, and SP205
G104, G105, and G107
G101, G103, G106, and G110
Figure 3:

Air Delivery/Temperature Actuators


Object Number: 1254371  Size: FS
Master Electrical Component List
Air Temperature Description and Operation
Rear Mode Controls - Short Wheel Base
Compressor Controls
ACCY/RUN/START, RUN, and START Bus Bars
HVAC I, BRAKE, and TBC RUN Fuses
HVAC I, BRAKE, and TBC RUN Fuses
G201 - 1 of 2
Figure 4:

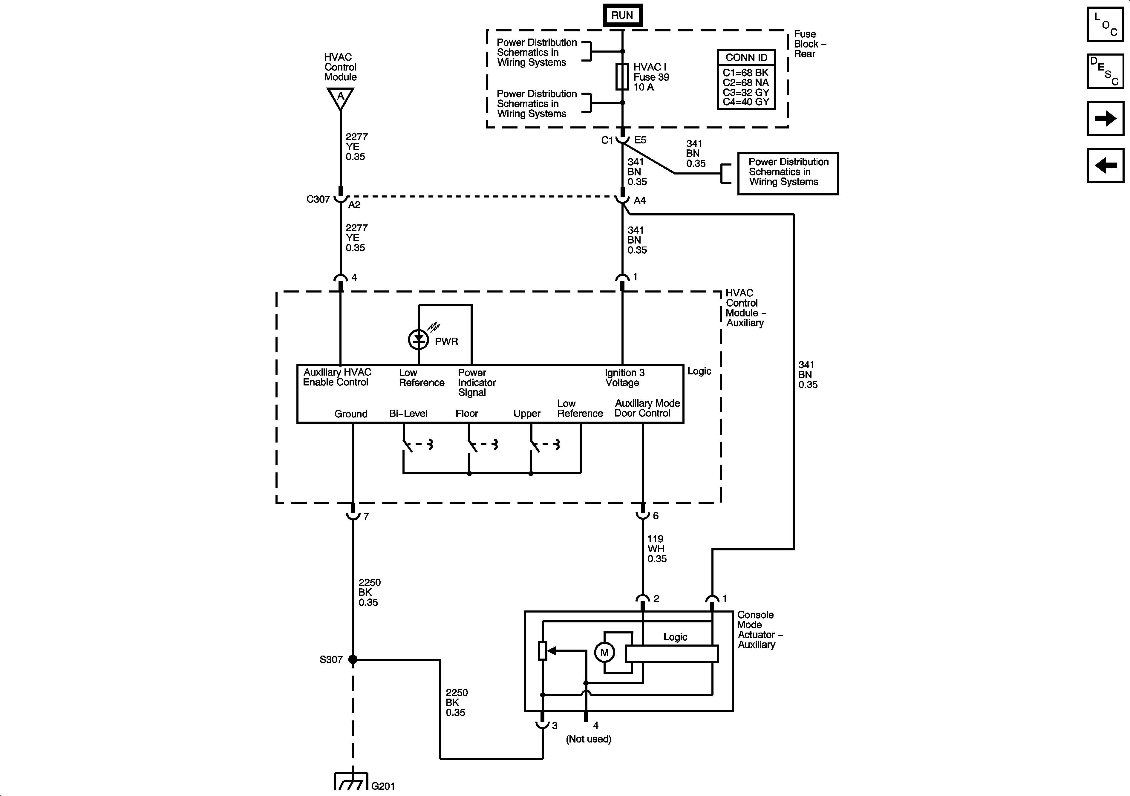
Rear Mode Controls - Short Wheel Base


Object Number: 1254375  Size: FS
Master Electrical Component List
Air Delivery Description and Operation
Rear Mode Controls - Long Wheel Base
Air Delivery/Temperature Actuators
ACCY/RUN/START, RUN, and START Bus Bars
Module Power, Ground, Serial Data, Blower Motor, and Coolant Bypass Valve
HVAC I, BRAKE, and TBC RUN Fuses
HVAC I, BRAKE, and TBC RUN Fuses
G201 - 1 of 2
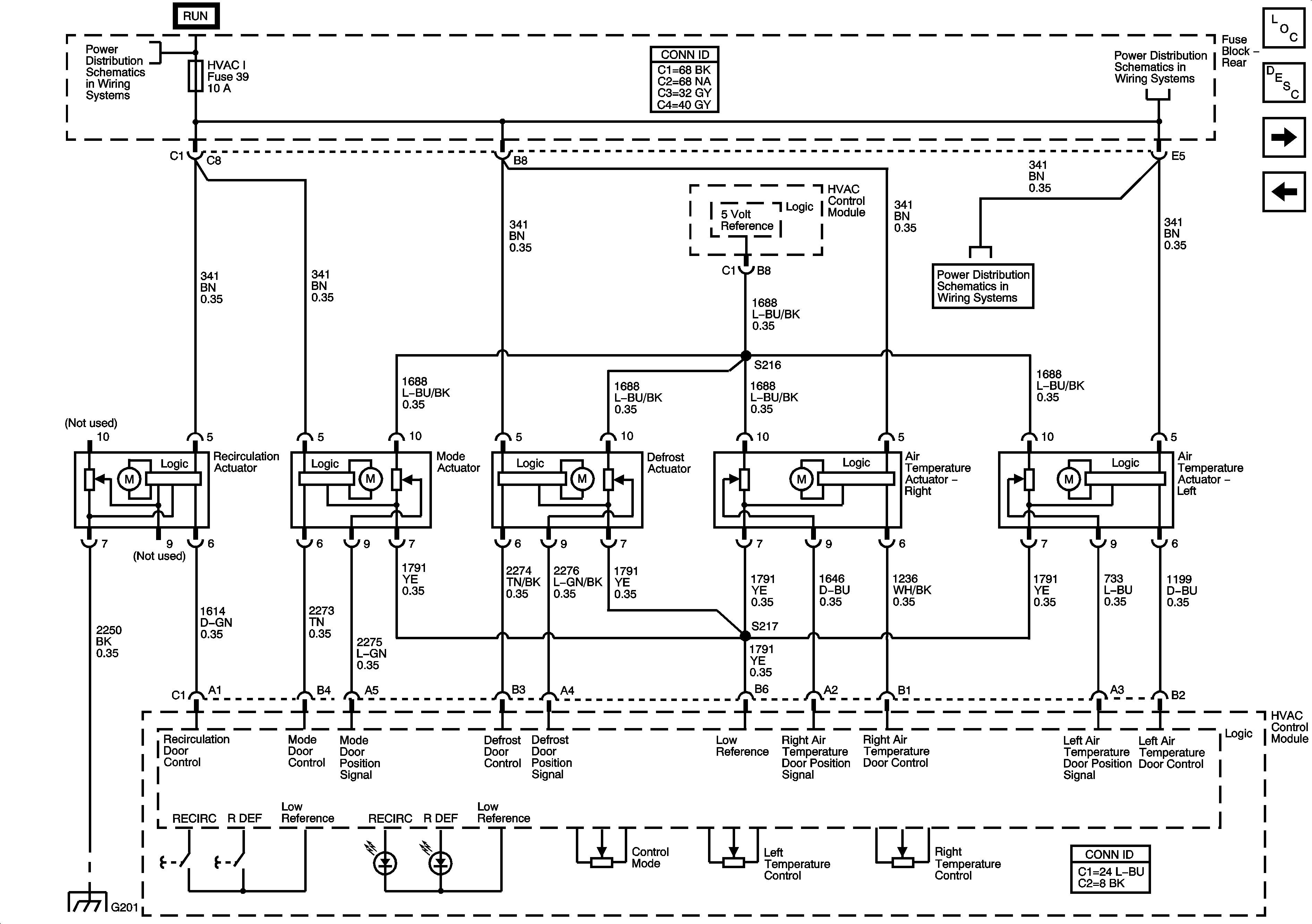
Figure 5:

Rear Mode Controls - Long Wheel Base


Object Number: 1254378  Size: FS
Master Electrical Component List
Air Delivery Description and Operation
Rear Mode Controls - Short Wheel Base
B+ Bus - Rear Fuse Block
LGM/DSM, OH BATT/ONSTAR, RADIO, and HVAC B Fuses
G401, G402, and G403 - Except XUV
Power, Ground, Data Link Connector, and SP205
G201 - 1 of 2