GM Service Manual Online
For 1990-2009 cars only
Makes
🢒
Chevrolet
🢒
2004
🢒
TrailBlazer - 4WD
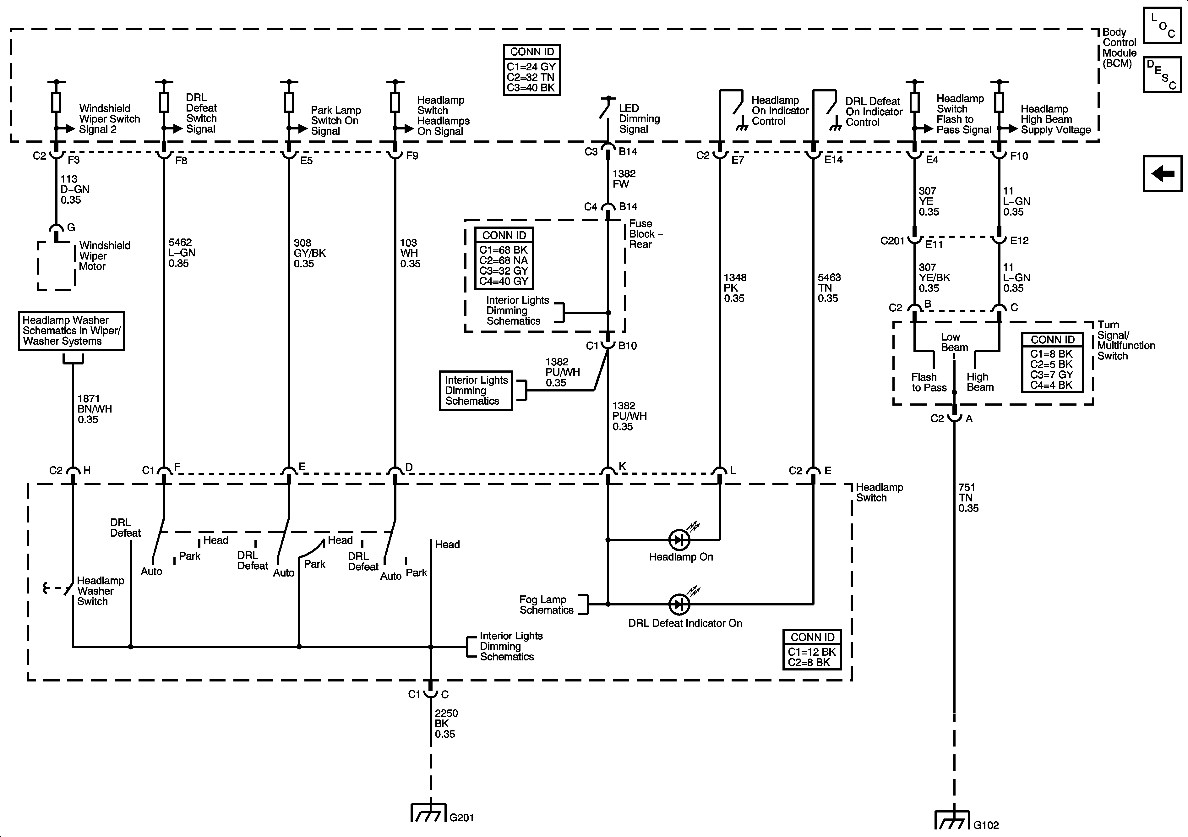
🢒 Headlamp Switch
Headlamp Switch
Headlamp Switch
Master Electrical Component List
Exterior Lighting Systems Description and Operation
Headlamps
Headlamp Washer - CE4
Courtesy Lamp Supply - 1 of 2
Courtesy Lamp Supply - 2 of 2
04 S/T Utility Fog Lights Schematics
I/P Dimming Supply - 2 of 2
G302 - 1 of 2, G303, and G304
G102