GM Service Manual Online
For 1990-2009 cars only
Makes
🢒
Chevrolet
🢒
2005
🢒
TrailBlazer - 4WD
🢒
Accessories
🢒
Theft Deterrent - Immobilizer - Some Export Vehicles
🢒 Theft Deterrent System Schematics
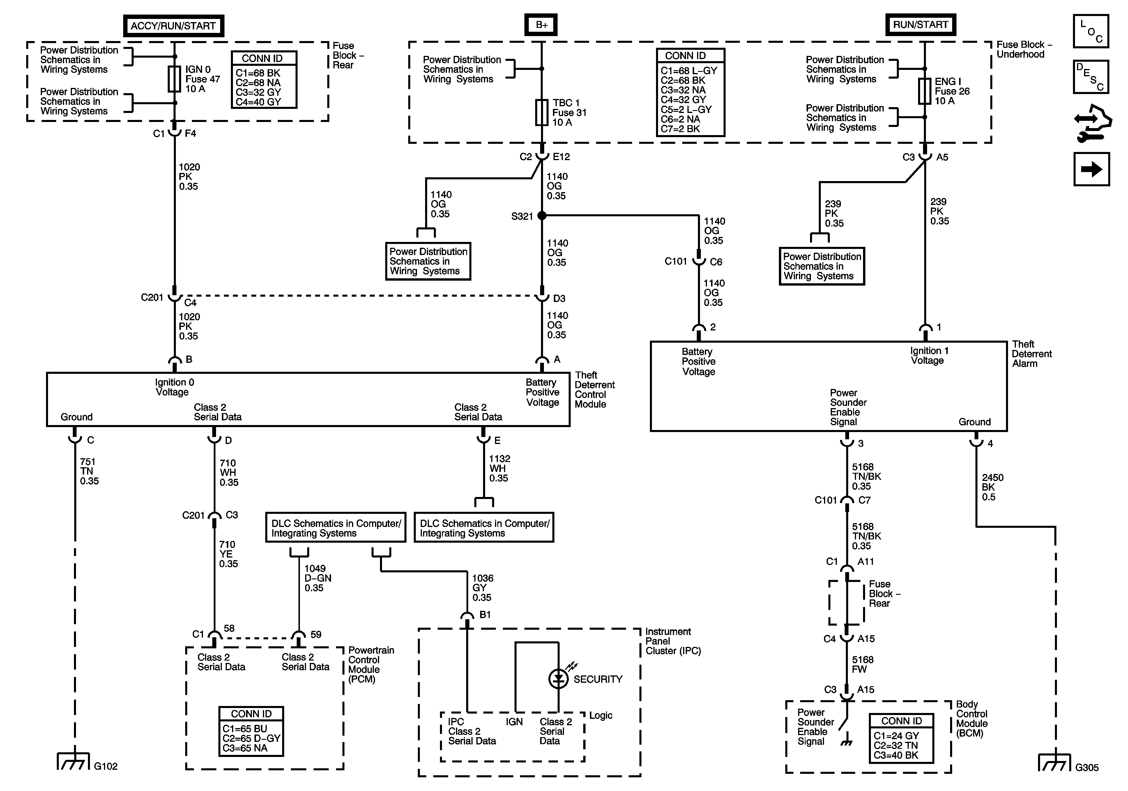
Figure
1:
Theft Deterrent Control Module and Alarm
Master Electrical Component List
Vehicle Theft Deterrent (VTD) Description and Operation
Control Module References
Intrusion and Indication Sensor Signals
Ignition Switch - ACCY/RUN/START, RUN, and START Bus Bars, IGN A and CRANK Fuses
FRT WPR, IGN 0, RAIN, TBC ACC, TBC IG, and TCM Fuses
B+ Bus - Underhood Fuse Block
Ignition Switch - ACCY/RUN and RUN/START Bus Bars, IGN B Fuse
4WD, ENG I, HVAC, O2, SIR, and TAC Fuses
AIR, COILS, EAP, ECM, HDM, HI HDLP-LT, HI HDLP-RT, LOW HDLP-RT, LOW HDLP-LT, PCMB, and TCB1 Fuses
4WD, ENG I, HVAC, O2, SIR, and TAC Fuses
G102
G201 - 2 of 2 and G305
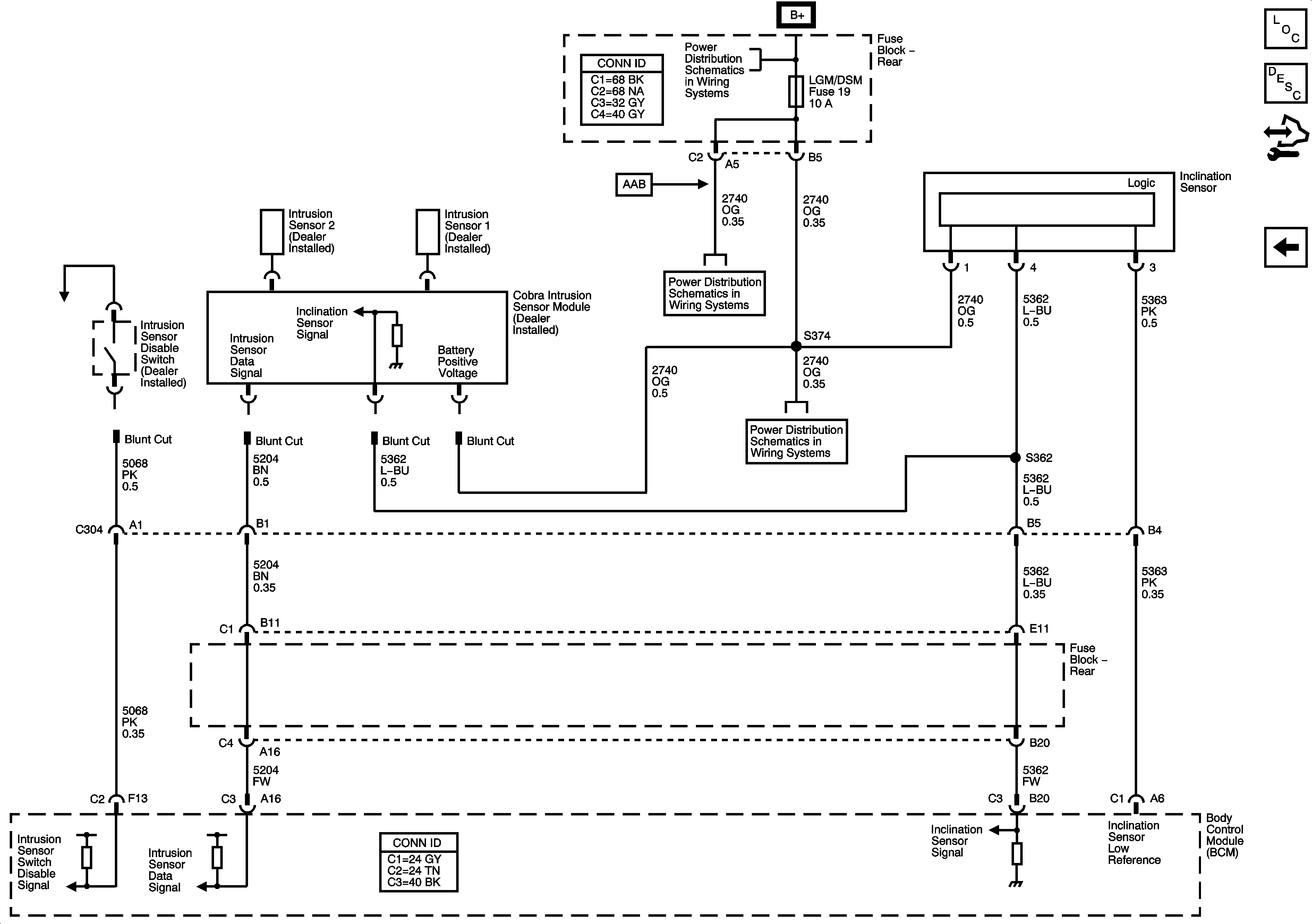
Figure
2:
Intrusion and Indication Sensor Signals
Master Electrical Component List
Vehicle Theft Deterrent (VTD) Description and Operation
Control Module References
Theft Deterrent Control Module and Alarm
B+ Bus - Rear Fuse Block
HVAC B, LGM/DSM, OHBATT/ONSTAR, and RADIO Fuses
HVAC B, LGM/DSM, OHBATT/ONSTAR, and RADIO Fuses