GM Service Manual Online
For 1990-2009 cars only
Figure 1:

Module, Power, Ground, Serial Data, Indicator, and Side Impact Sensors


Object Number: 1594131  Size: FS
Master Electrical Component List
SIR System Description and Operation
Control Module References
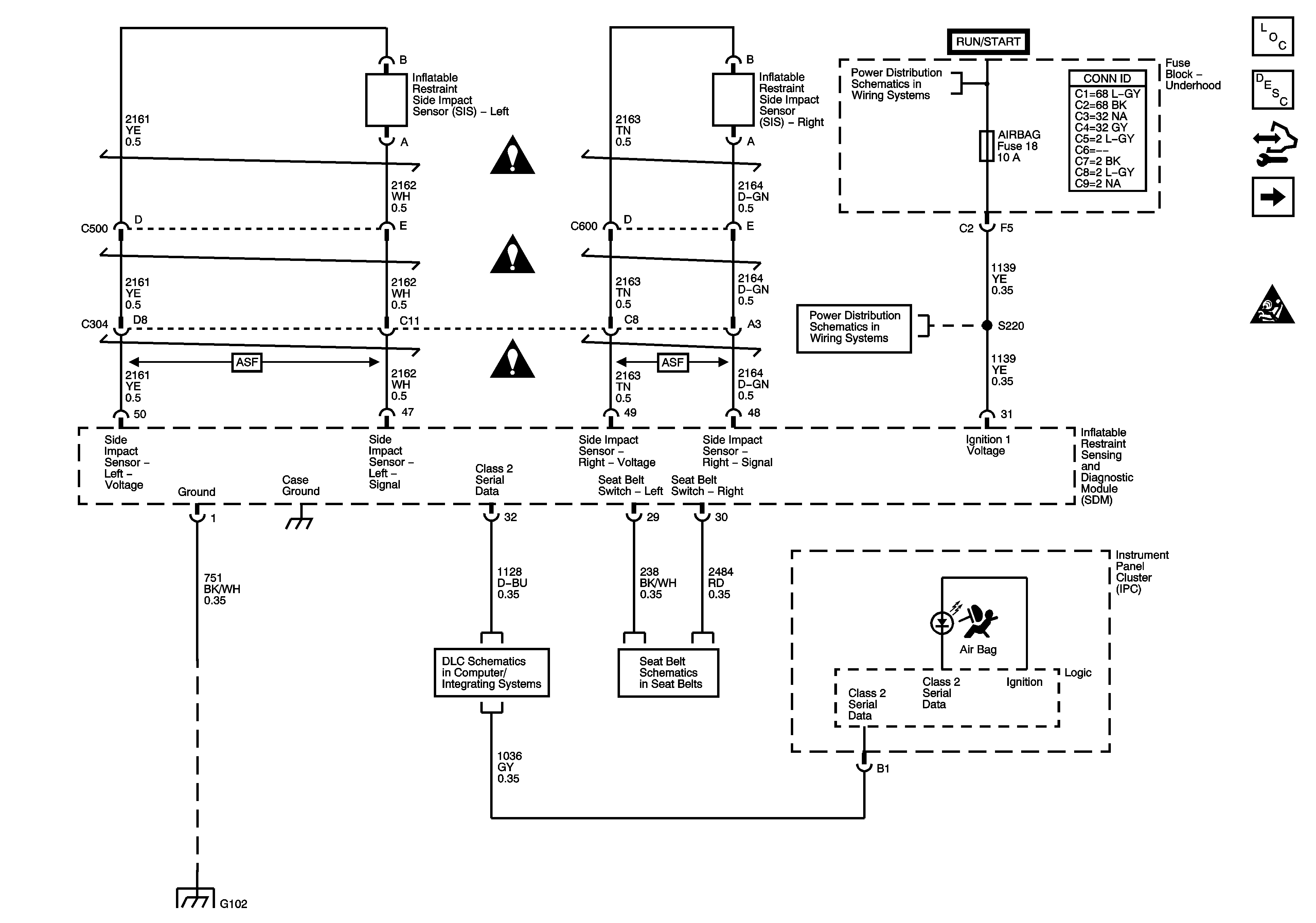
Front Sensors and Modules
SIR Schematic Icons
SIR Schematic Icons
SIR Schematic Icons
SIR Schematic Icons
ACCY/RUN, RUN/START, Bus Bars, and IGN B Fuse
4WD, AIRBAG, ECMI, HVAC, and TRANS Fuses
SP205
Seat Belt Schematics
G102
Figure 2:

Front Sensors and Modules


Object Number: 1594133  Size: FS
Master Electrical Component List
SIR System Description and Operation
Control Module References
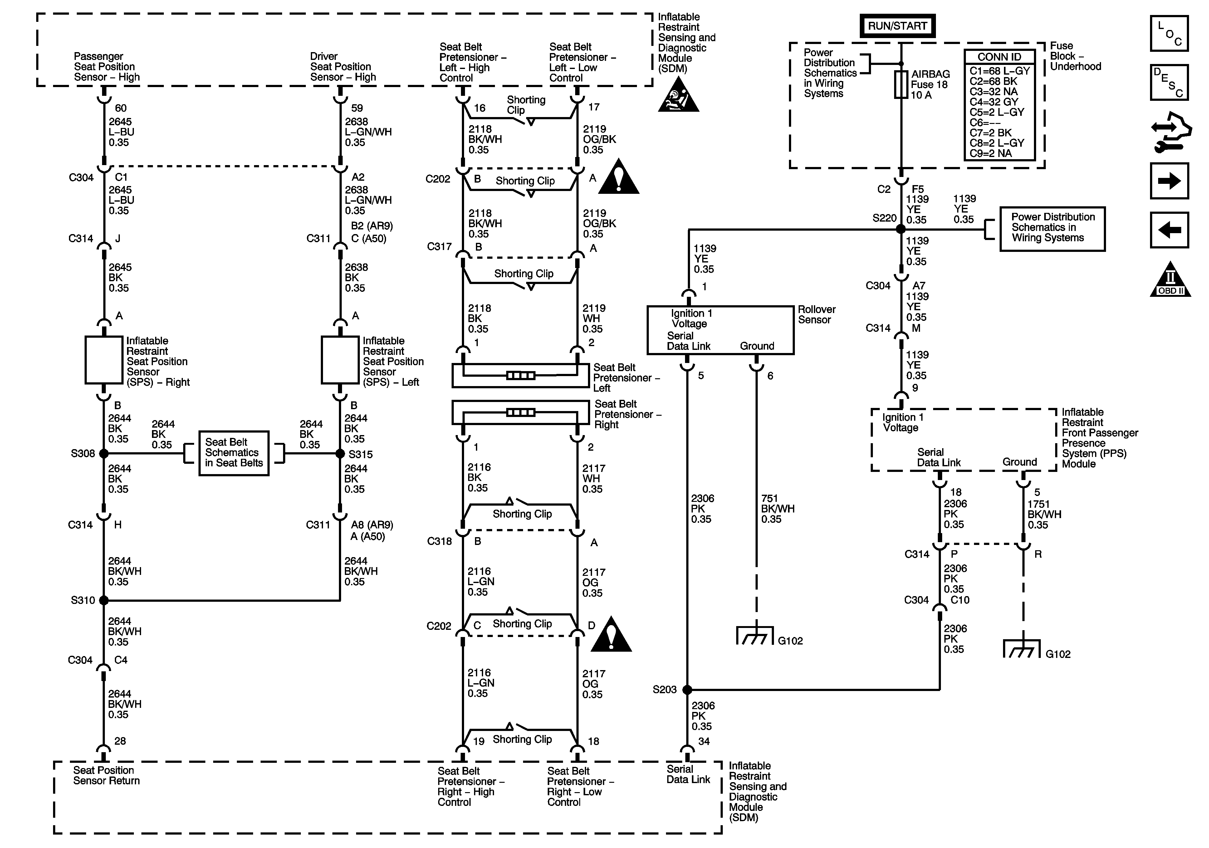
Seat Position Sensors, Rollover Sensor, and PPS Module
Power, Ground, Serial Data, Indicator, and Side Impact Sensors
SIR Schematic Icons
SIR Schematic Icons
SIR Schematic Icons
SIR Schematic Icons
SIR Schematic Icons
SIR Schematic Icons
Figure 3:

Seat Position Sensors, Rollover Sensor, and PPS Module


Object Number: 1594135  Size: FS
Master Electrical Component List
SIR System Description and Operation
Control Module References
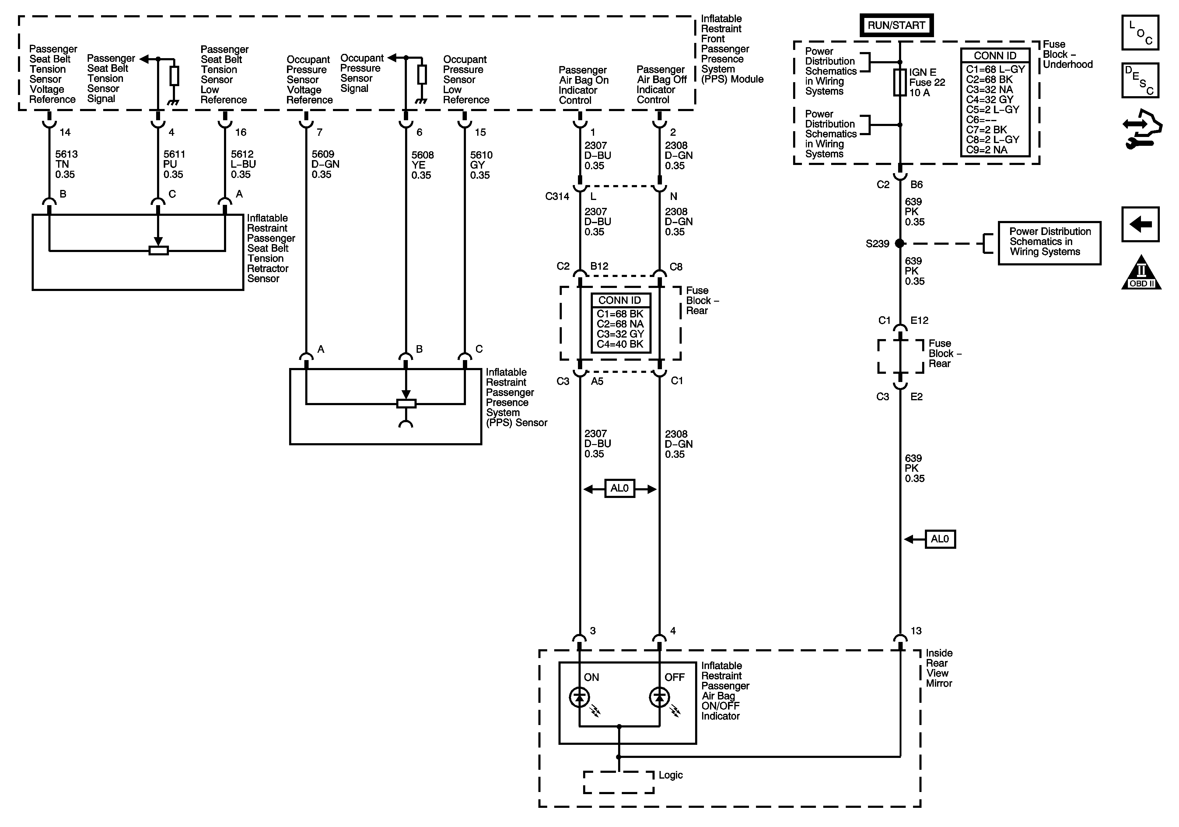
PPS Sensors and Indicators
Front Sensors and Modules
SIR Schematic Icons
SIR Schematic Icons
SIR Schematic Icons
ACCY/RUN, RUN/START, Bus Bars, and IGN B Fuse
4WD, AIRBAG, ECMI, HVAC, and TRANS Fuses
Seat Belt Schematics
SIR Schematic Icons
G102
G102
Figure 4:

PPS Sensors and Indicators


Object Number: 1594136  Size: FS
Master Electrical Component List
SIR System Description and Operation
Control Module References
Seat Position Sensors, Rollover Sensor, and PPS Module
SIR Schematic Icons
ACCY/RUN, RUN/START, Bus Bars, and IGN B Fuse
BCK/UP, BTSI, IGN E, TBC IGN1, and TRLR BCK/UP Fuses
BCK/UP, BTSI, IGN E, TBC IGN1, and TRLR BCK/UP Fuses