GM Service Manual Online
For 1990-2009 cars only
Figure 1:

Engine Control Module (ECM)


Object Number: 1488862  Size: MF
(1)Engine Control Module (ECM)
(2)Engine Control Module (ECM) C3
(3)Engine Control Module (ECM) C2
(4)Engine Control Module (ECM) C1
Figure 2:

Camshaft Position (CMP) Sensor


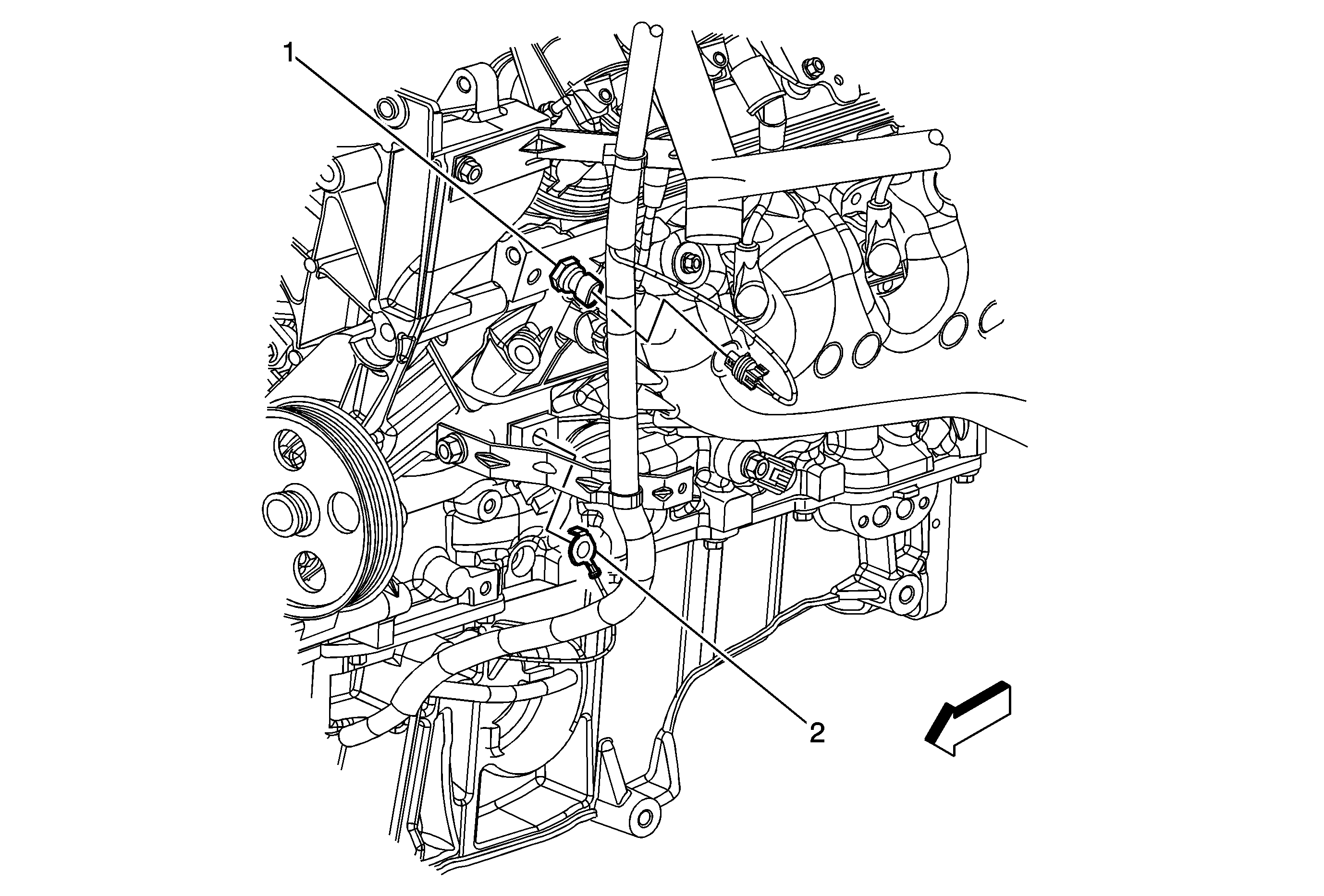
Object Number: 1657612  Size: LF
(1)Camshaft Position (CMP) Sensor
(2)C110
Figure 3:

Upper Left Side of the Engine


Object Number: 1488867  Size: MF
(1)Fuel Injector 1
(2)Evaporative Emission (EVAP) Canister Purge Solenoid
(3)Fuel Injector 3
(4)Manifold Absolute Pressure (MAP) Sensor
(5)Fuel Injector 5
(6)Fuel Injector 7
(7)Engine
(8)Ignition Coil 7
(9)Ignition Coil 5
(10)Ignition Coil Harness
(11)C109
(12)Ignition Coil 3
(13)Ignition Coil 1
Figure 4:

Left Side of Engine - Front


Object Number: 1827498  Size: MF
(1)Engine Coolant Temperature (ECT) Sensor
(2)G108
Figure 5:

Lower Left Side of Engine - Rear


Object Number: 1488868  Size: MF
(1)G108
(2)Knock Sensor (KS) 1 - Left
(3)Engine
(4)G107
(5)Engine Harness
Figure 6:

Upper Right Side of the Engine


Object Number: 1488864  Size: MF
(1)Engine
(2)Fuel Injector 8
(3)Fuel Injector 6
(4)Fuel Injector 4
(5)Fuel Injector 2
(6)Throttle Body
(7)Ignition Coil 2
(8)Ignition Coil 4
(9)Ignition Coil Harness
(10)C108
(11)Ignition Coil 6
(12)Ignition Coil 8
Figure 7:

Upper Right Side of the Engine - Front


Object Number: 1488865  Size: MF
(1)Engine
(2)Engine Harness
(3)Air Duct
(4)Mass Air Flow (MAF)/Intake Air Temperature (IAT) Sensor
Figure 8:

Lower Right Side of the Engine - Rear


Object Number: 1488866  Size: MF
(1)Crankshaft Position (CKP) Sensor
(2)Knock Sensor (KS) 2 - Right
(3)Engine Harness
(4)Starter
(5)Engine
Figure 9:

Rear of the Engine


Object Number: 1488873  Size: MF
(1)Engine
(2)Engine Harness
(3)Engine Oil Pressure (EOP) Sensor Connector
(4)Valve Lifter Oil Manifold (VLOM) Assembly
(5)Heated Oxygen Sensor (HO2S) Bank 2 Sensor 1 Connector
(6)Transmission
(7)Heated Oxygen Sensor (HO2S) Bank 1 Sensor 1 Connector
Figure 10:

Below Rear of the Engine


Object Number: 1657620  Size: MF
(1)Heated Oxygen Sensor (HO2S) Bank 2 Sensor 2
(2)Heated Oxygen Sensor (HO2S) Bank 2 Sensor 1
(3)Heated Oxygen Sensor (HO2S) Bank 1 Sensor 2
(4)Heated Oxygen Sensor (HO2S) Bank 1 Sensor 1
Figure 11:

Power Brake Booster


Object Number: 1489044  Size: MF
(1)Brake Booster Vacuum Sensor
(2)Engine Harness
(3)Power Brake Booster
Figure 12:

Accelerator and Brake Pedals


Object Number: 1488336  Size: MF
(1)Instrument Panel Harness
(2)Accelerator Pedal Position (APP) Sensor
(3)Accelerator Pedal
(4)Brake Pedal
(5)Stop Lamp Switch
Figure 13:

Fuel Tank


Object Number: 1490767  Size: MF
(1)Fuel Tank Pressue (FTP) Sensor
(2)Fuel Pump and Sender Assembly
(3)Chassis Harness
(4)Fuel Tank
(5)Evaporative Emission (EVAP) Canister Vent Solenoid