GM Service Manual Online
For 1990-2009 cars only
Makes
🢒
Chevrolet
🢒
2007
🢒
TrailBlazer - 4WD
🢒
Diagnostic Navigation
🢒
Vehicle Diagnostic Information
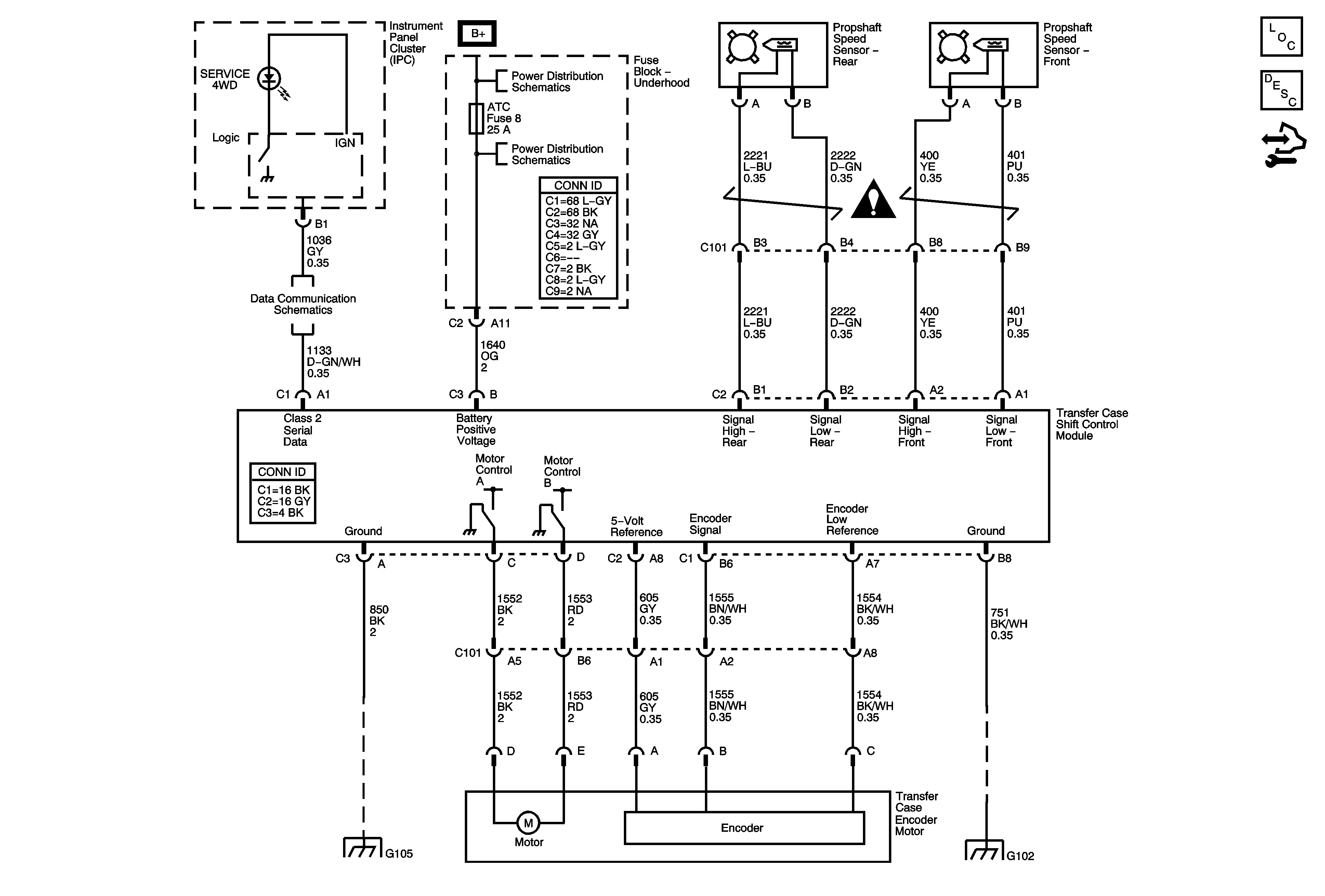
🢒 Transfer Case Control Schematics
Master Electrical Component List
Control Module References
SP205
B+ Bus - Underhood Fuse Block
ABS, ATC, BLWR, ECAS, ELEC BRK, HAZRD, IPC/DIC, LTR, RVC, STOP LAMP, TRLR, VEH CHMSL, VEH STOP, and VSES Fuses
Transfer Case Control Schematic Icons
G104, G105, and G107
G102