GM Service Manual Online
For 1990-2009 cars only
Figure 1:

Interior Lamp Controls


Object Number: 1747650  Size: FS
Master Electrical Component List
Interior Lighting Systems Description and Operation
Control Module References
Interior Lamps
B+ Bus - Rear Fuse Block
Interior Lamps
G201 - 1 of 2
G201 - 1 of 2
Figure 2:

Interior Lamps


Object Number: 1747655  Size: FS
Master Electrical Component List
Interior Lighting Systems Description and Operation
Control Module References
Door Switch Inputs and Liftgate Switch Inputs
Interior Lamp Controls
Interior Lamp Controls
Interior Lamp Controls
G302 - 2 of 2
G302 - 2 of 2
G302 - 1 of 2, G303, and G304
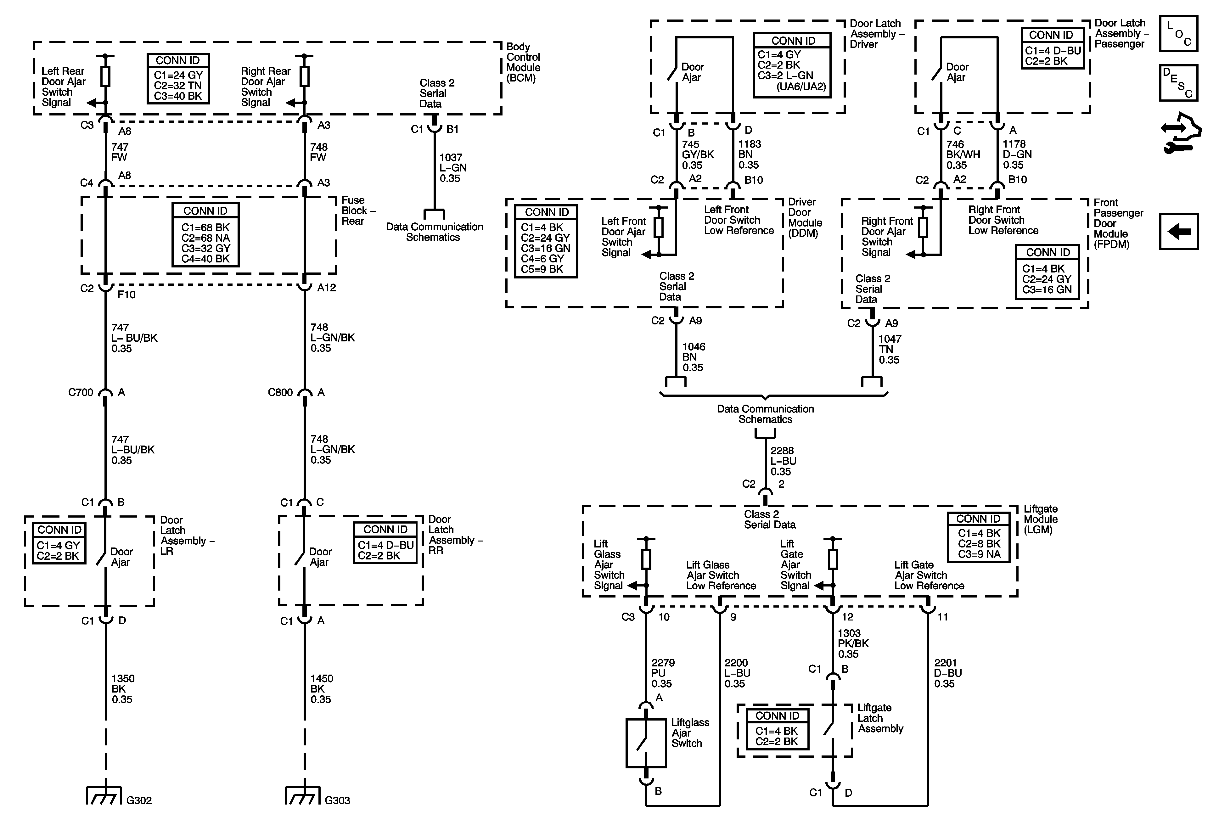
Figure 3:

Door Switch Inputs and Liftgate Switch Inputs


Object Number: 1747662  Size: FS
Master Electrical Component List
Interior Lighting Systems Description and Operation
Control Module References
Interior Lamps
SP205
SP306
G302 - 1 of 2, G303, and G304
G302 - 1 of 2, G303, and G304