GM Service Manual Online
For 1990-2009 cars only
Makes
🢒
Chevrolet
🢒
2007
🢒
TrailBlazer - 4WD
🢒
Body Systems
🢒
Vehicle Access
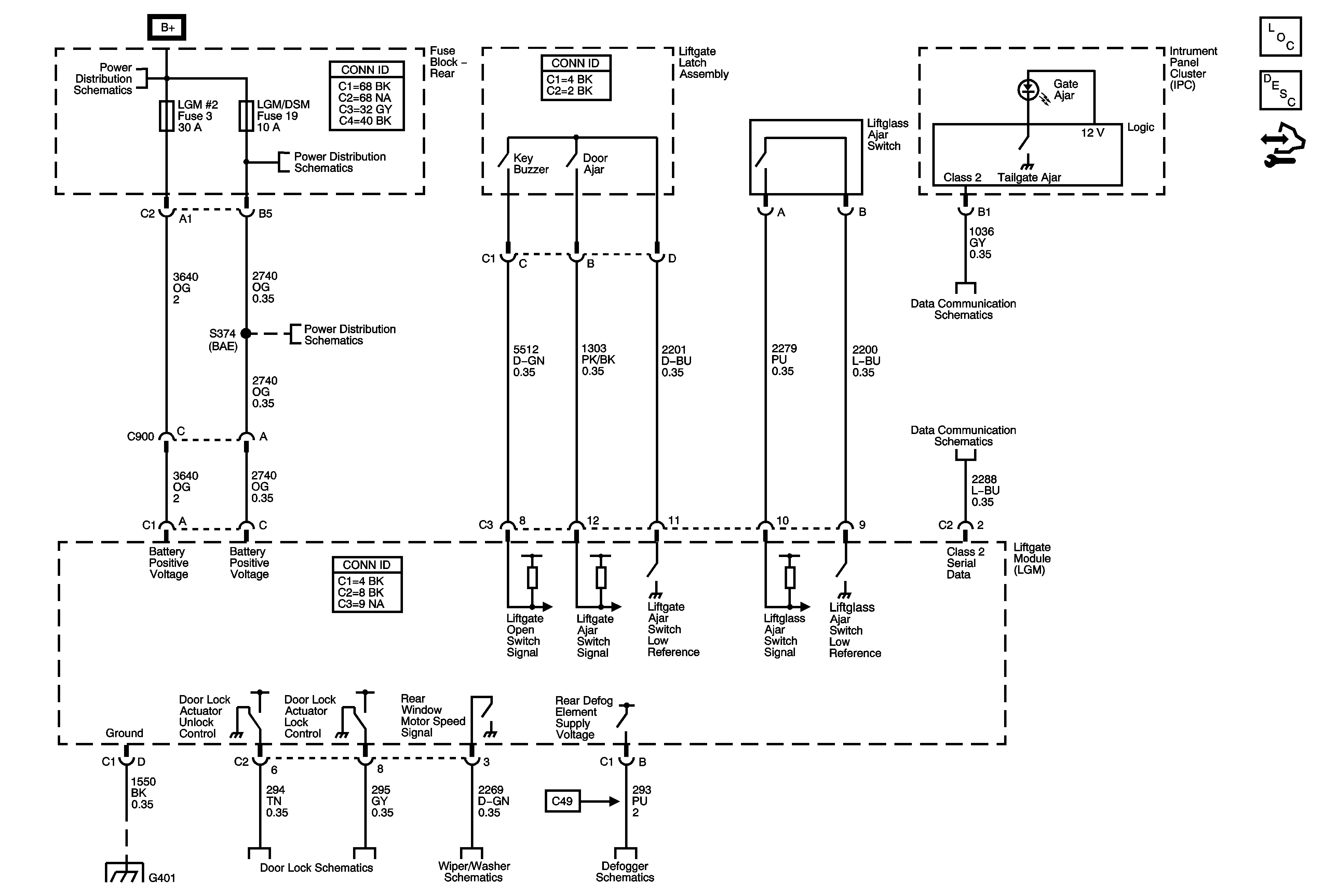
🢒 Release Systems Schematics
Master Electrical Component List
Body Control System Description and Operation
Control Module References
B+ Bus - Rear Fuse Block
HVAC B, LGM/DSM, OH BATT/ONSTAR, and RADIO Fuses
HVAC B, LGM/DSM, OH BATT/ONSTAR, and RADIO Fuses
SP205
SP306
G401, G402, and G403
Front Doors and Liftgate
Rear Window Wiper Motor
Defogger Schematics