GM Service Manual Online
For 1990-2009 cars only
Makes
🢒
Chevrolet
🢒
2007
🢒
TrailBlazer - 4WD
🢒
Brakes
🢒
Antilock Brake System
🢒 Antilock Brake System Schematics
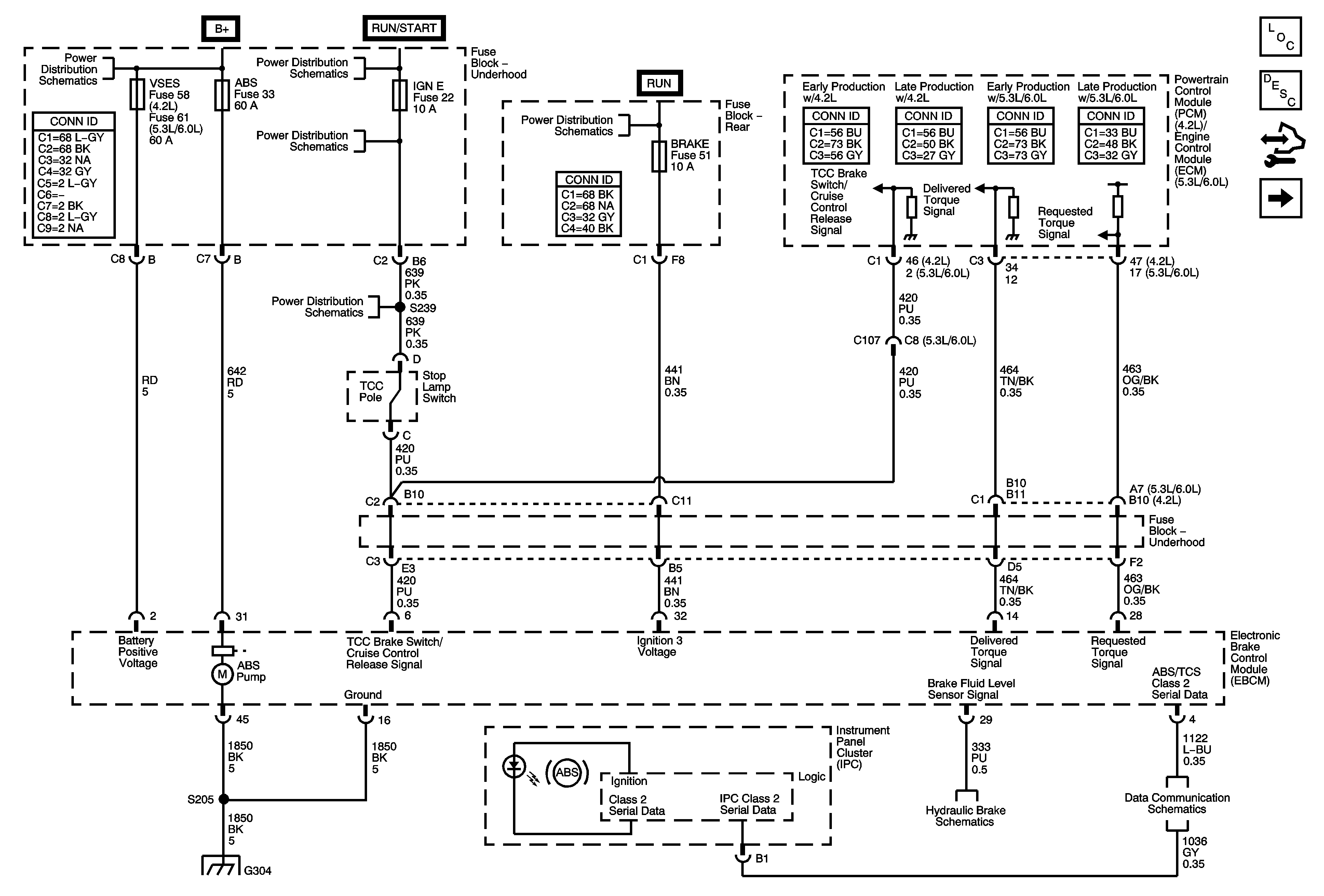
Figure
1:
EBCM Power Ground, Serial Data, Indicator, and Signal Circuits
Master Electrical Component List
ABS Description and Operation
Control Module References
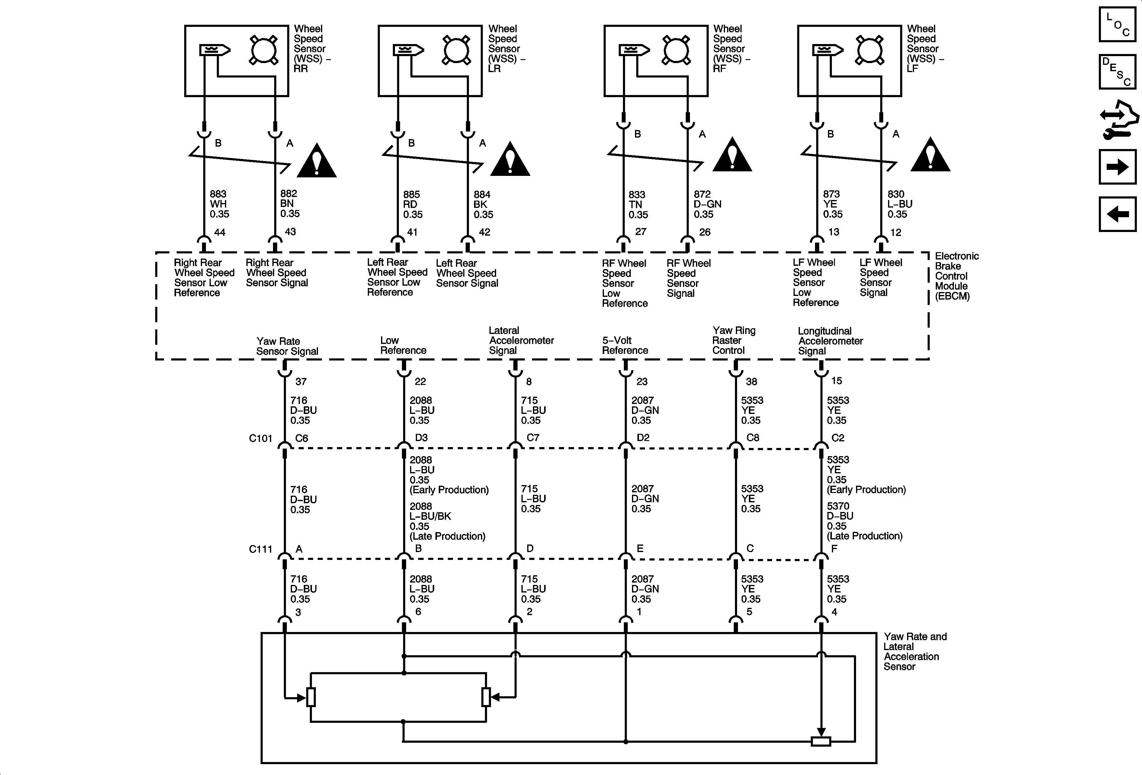
Wheel Speed Sensors and Yaw Rate/Lateral Acceleration Sensor
B+ Bus - Underhood Fuse Block
Ignition Switch - ACCY/RUN, RUN/START Bus Bars and IGN B Fuse
BCK/UP, BTSI, IGN E, TBC IGN 1, and TRLR BCK/UP Fuses
Ignition Switch - ACCY/RUN/START, RUN, and START Bus Bars, IGN A and CRNK Fuses
BCK/UP, BTSI, IGN E, TBC IGN 1, and TRLR BCK/UP Fuses
G302 - 1 of 2, G303, and G304
Hydraulic Brake Schematics
SP205
Figure
2:
Wheel Speed Sensors and Yaw Rate/Lateral Acceleration Sensor
Master Electrical Component List
ABS Description and Operation
Control Module References
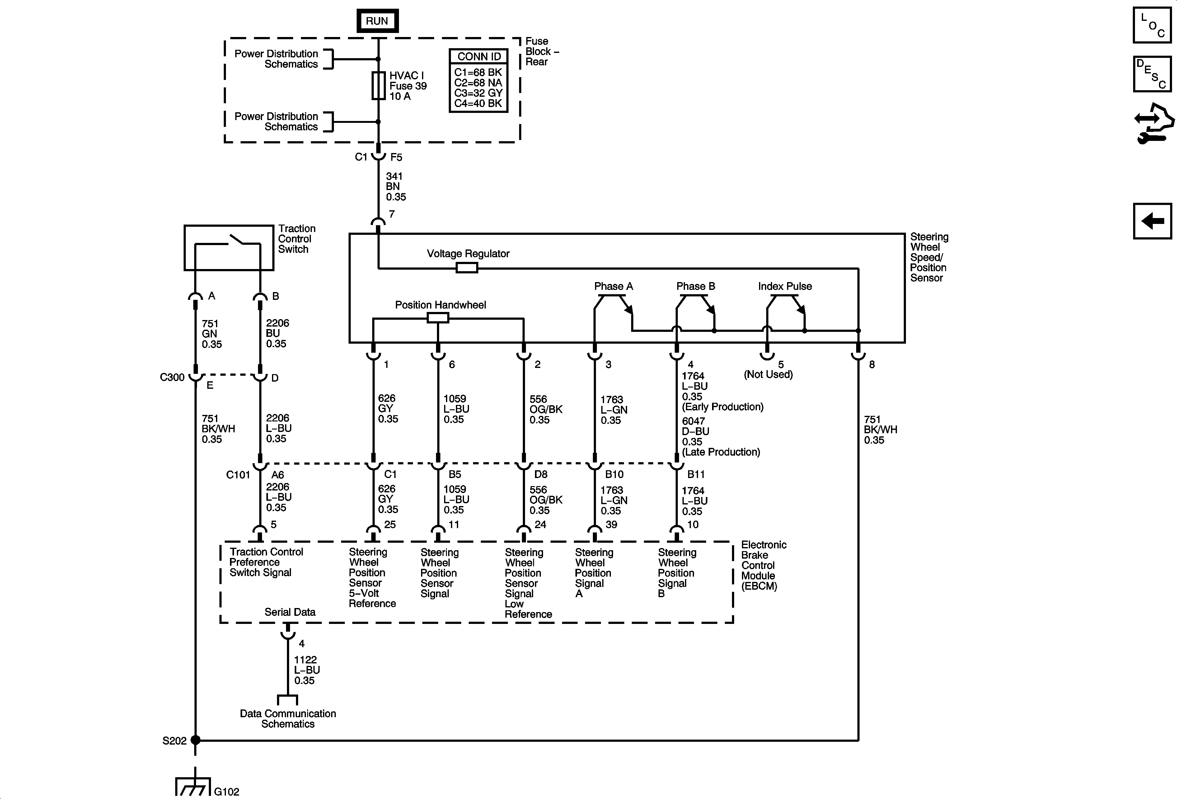
Steering Wheel Speed/Position Sensor and Traction Control Switch
EBCM Power, Ground, Serial Data, Indicator, and Signal Circuits
Figure
3:
Steering Wheel Speed/Position Sensor and Traction Control Switch
Master Electrical Component List
ABS Description and Operation
Control Module References
Wheel Speed Sensors and Yaw Rate/Lateral Acceleration Sensor
Ignition Switch - ACCY/RUN/START, RUN, and START Bus Bars, IGN A and CRNK Fuses
BRAKE, HVAC I, and TBC RUN Fuses
SP205
G102