GM Service Manual Online
For 1990-2009 cars only
Makes
🢒
Chevrolet
🢒
2008
🢒
TrailBlazer - 4WD
🢒
Diagnostic Navigation
🢒
Vehicle Diagnostic Information
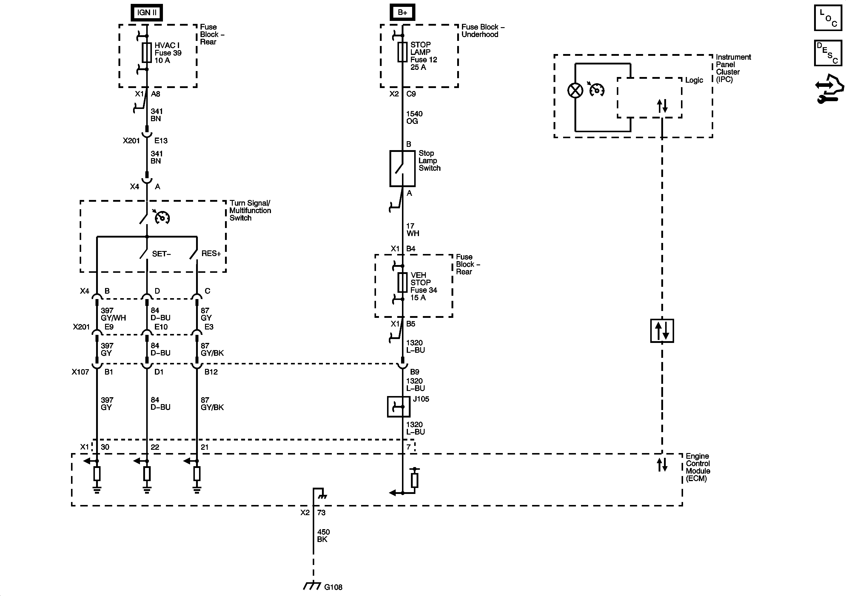
🢒 Cruise Control Schematics
Figure
1:
4.2L
Master Electrical Component List
Cruise Control Description and Operation
Control Module References
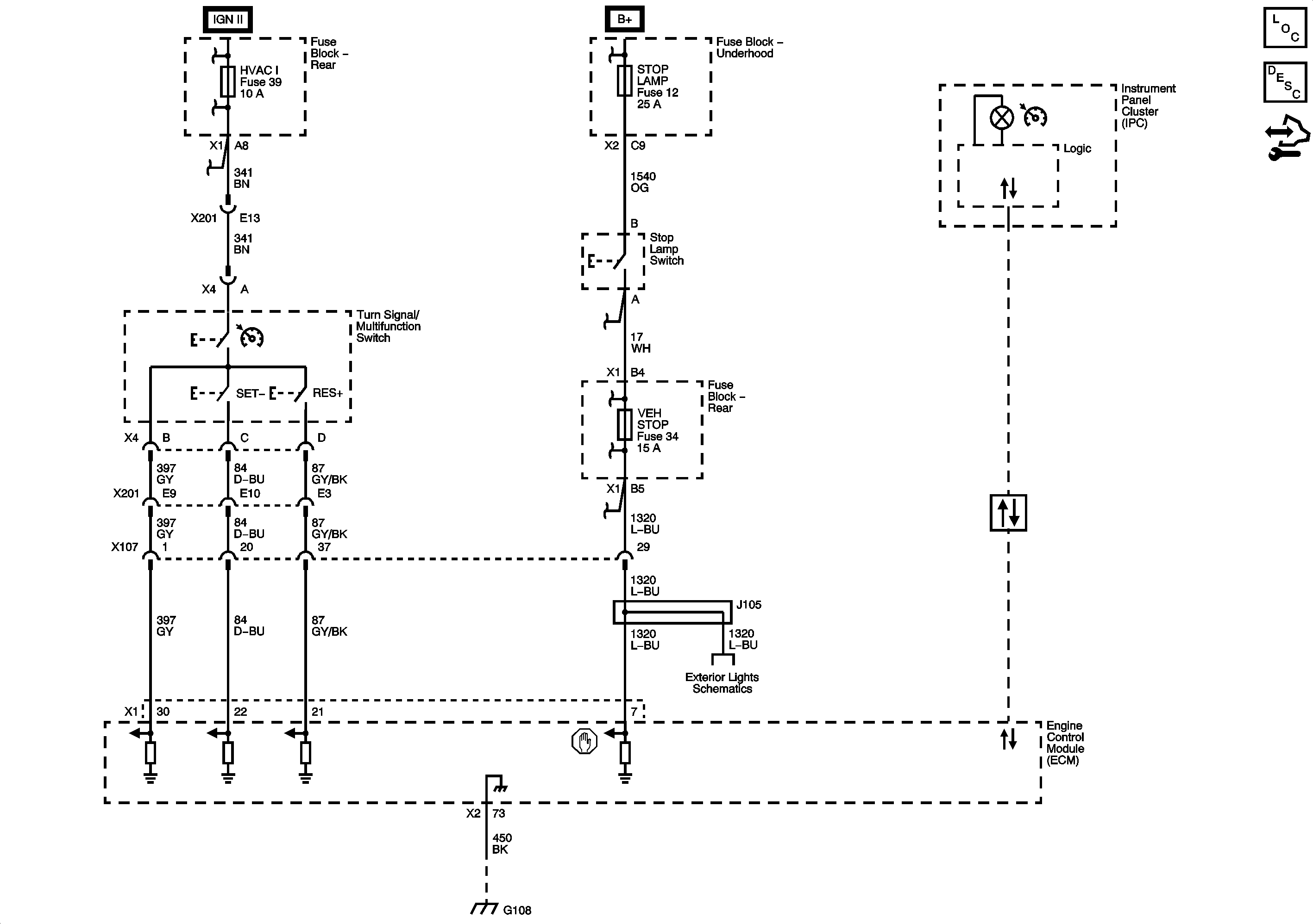
5.3L/6.0L
Figure
2:
5.3L/6.0L
Master Electrical Component List
Cruise Control Description and Operation
Control Module References
4.2L