GM Service Manual Online
For 1990-2009 cars only

Automatic Transmission Controls Schematics 4.2L

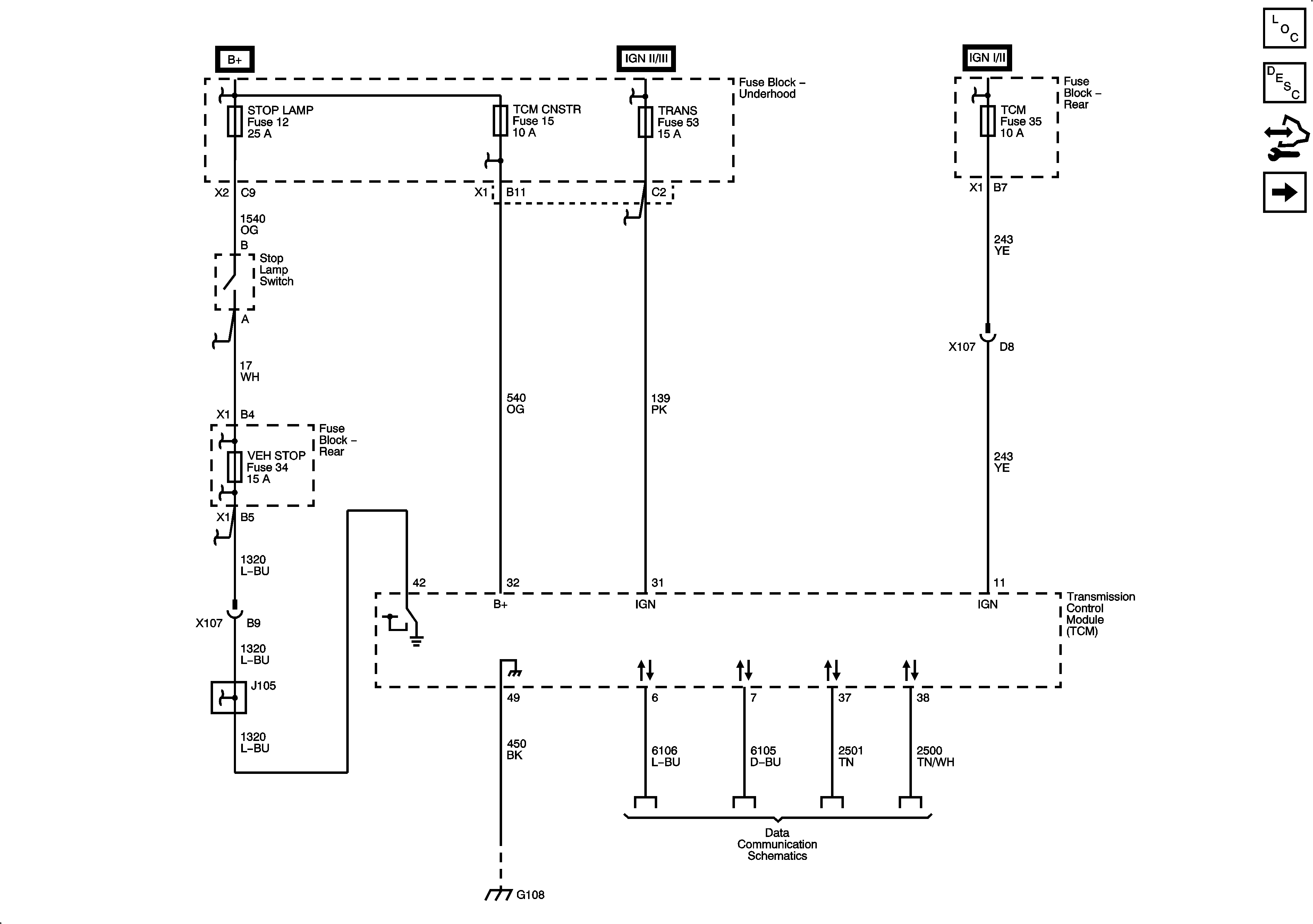
Figure 1:

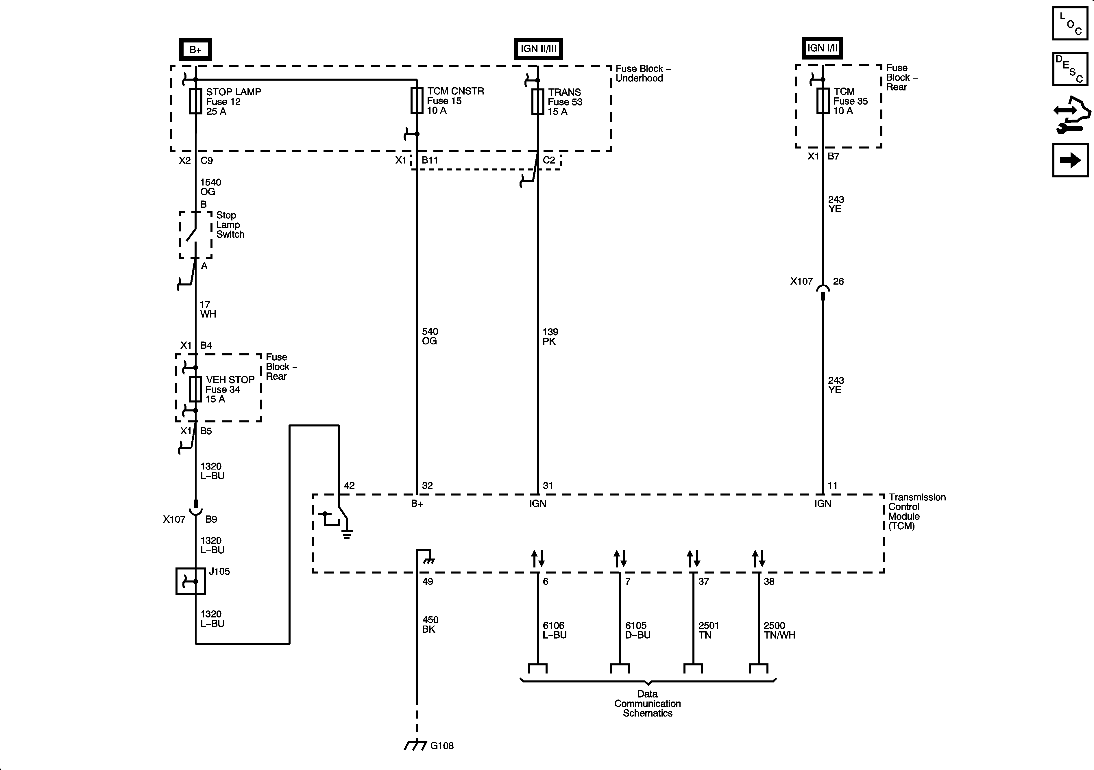
Module Power, Ground, Serial Data, and Stop Lamp Switch


Object Number: 1923637  Size: FS
Master Electrical Component List
Transmission Component and System Description
Control Module References
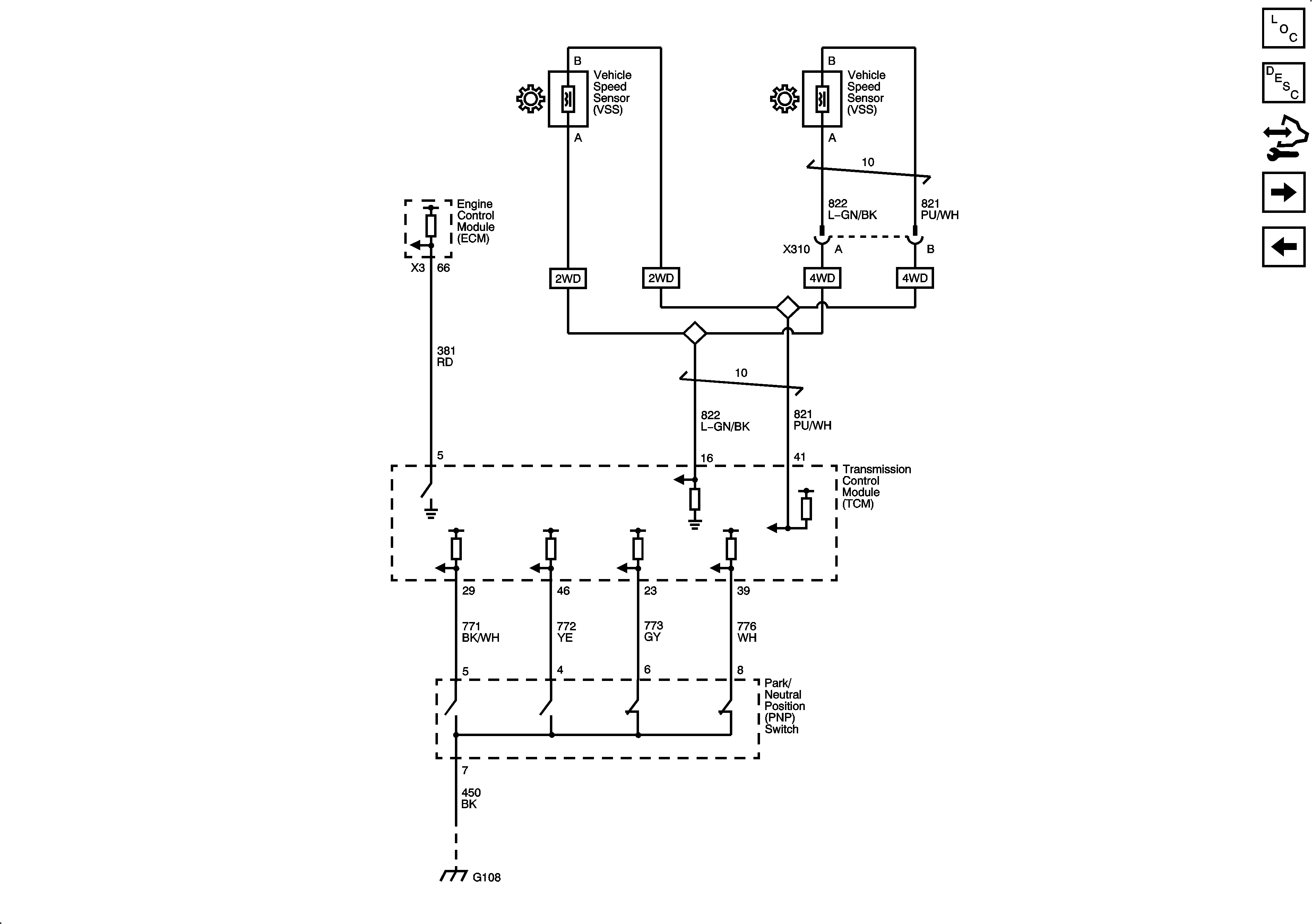
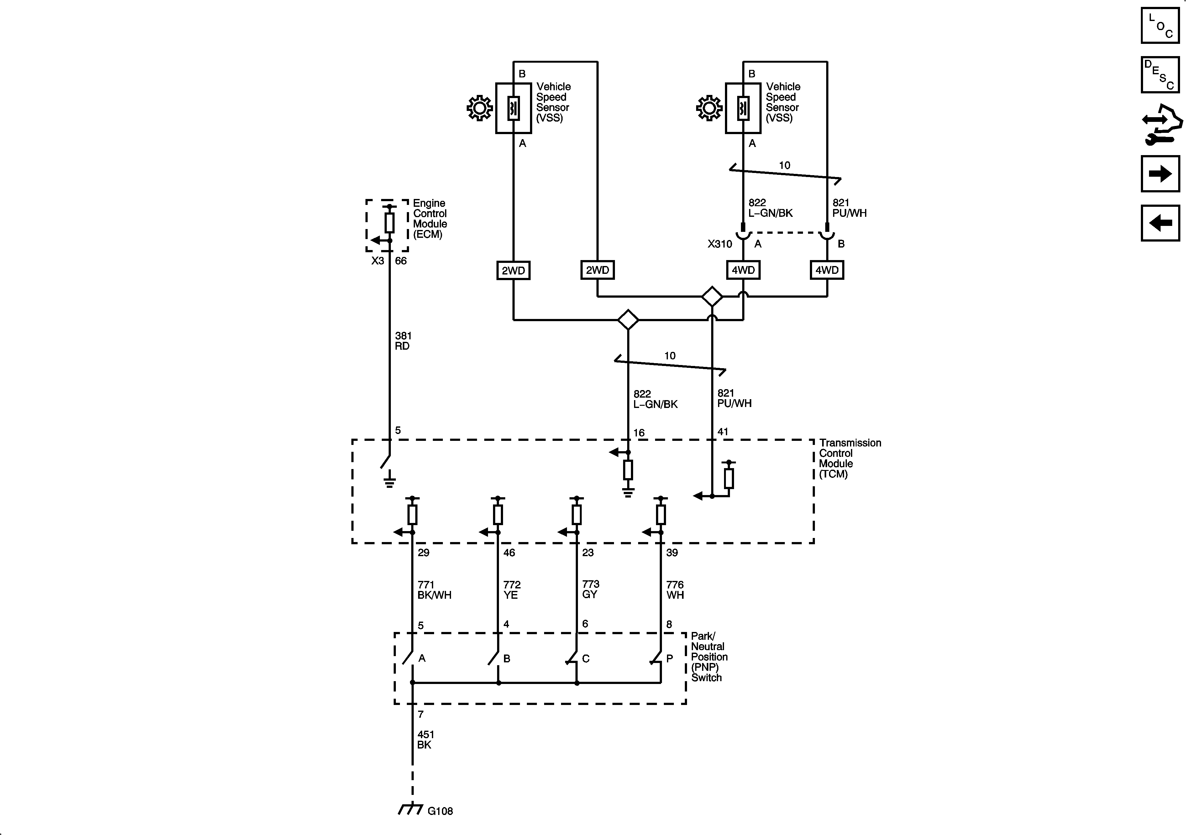
PNP Switch and VSS
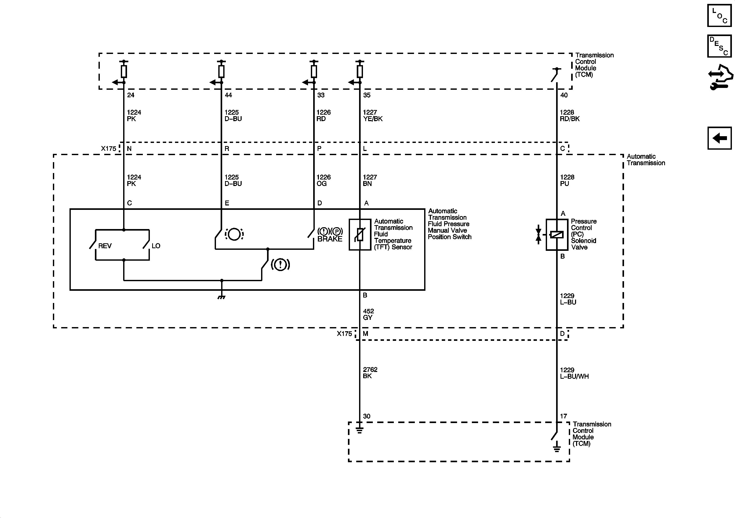
Temperature and Pressure Controls
Figure 2:

PNP Switch and VSS


Object Number: 1923639  Size: FS
Master Electrical Component List
Transmission Component and System Description
Control Module References
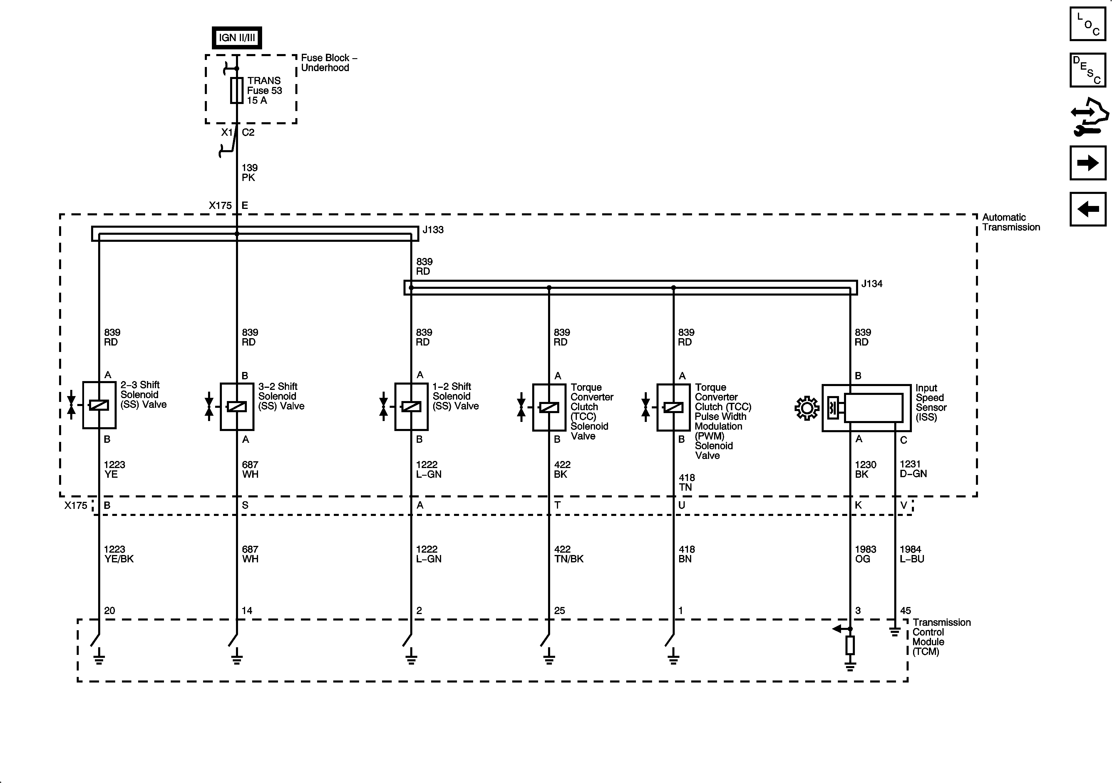
Shift Solenoids and Input Speed Sensors
Module Power, Ground, Serial Data, and Stop Lamp Switch
Figure 3:

Shift Solenoids and Input Speed Sensor


Object Number: 1923641  Size: FS
Master Electrical Component List
Transmission Component and System Description
Control Module References
PNP Switch and VSS
Figure 4:

Temperature and Pressure Controls


Object Number: 2004227  Size: FS
Master Electrical Component List
Transmission Component and System Description
Control Module References
Shift Controls and Stop Lamp Switch
Shift Controls

Automatic Transmission Controls Schematics 5.3L/6.0L

Figure 1:

Module Power, Ground, Serial Data, and Stop Lamp Switch


Object Number: 1923644  Size: FS
Master Electrical Component List
Transmission Component and System Description
Control Module References
PNP Switch and VSS
Figure 2:

PNP Switch and VSS


Object Number: 1923646  Size: FS
Master Electrical Component List
Transmission Component and System Description
Control Module References
Shift Controls
Module Power, Ground, Serial Data, and Stop Lamp Switch
Figure 3:

Shift Controls


Object Number: 1923648  Size: FS
Master Electrical Component List
Transmission Component and System Description
Control Module References
Temperature and Pressure Controls
PNP Switch and VSS
Figure 4:

Temperature and Pressure Controls


Object Number: 2004227  Size: FS
Master Electrical Component List
Transmission Component and System Description
Control Module References
Shift Controls and Stop Lamp Switch
Shift Controls