GM Service Manual Online
For 1990-2009 cars only
Makes
🢒
Chevrolet
🢒
2009
🢒
Traverse
🢒
Diagnostic Navigation
🢒
Vehicle Diagnostic Information
🢒 Door Lock/Indicator Schematics
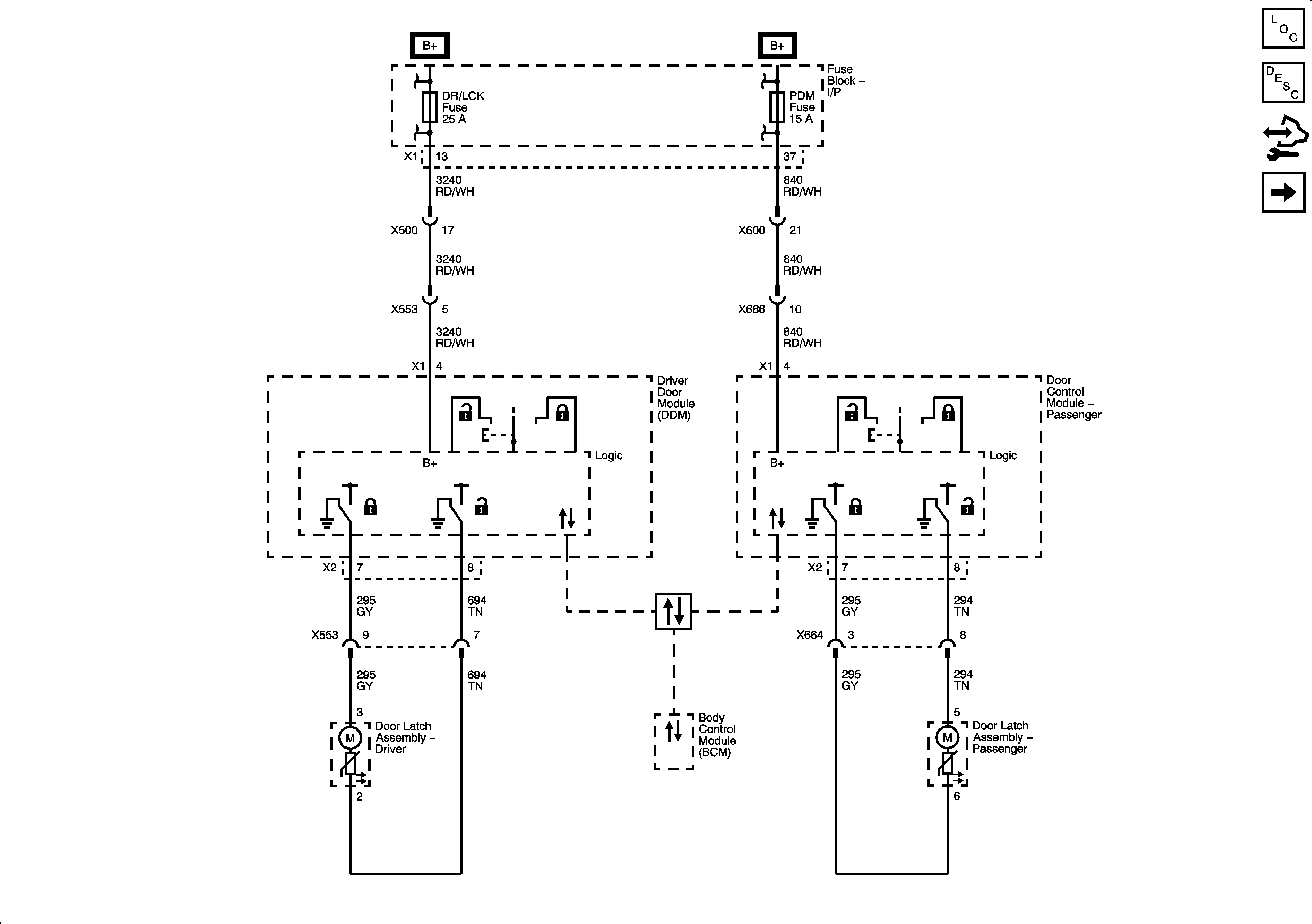
Door Lock/Indicator Schematics Except AXC or AXE
Figure
1:
Switches
Figure
2:
Actuators
Figure
3:
Indicators
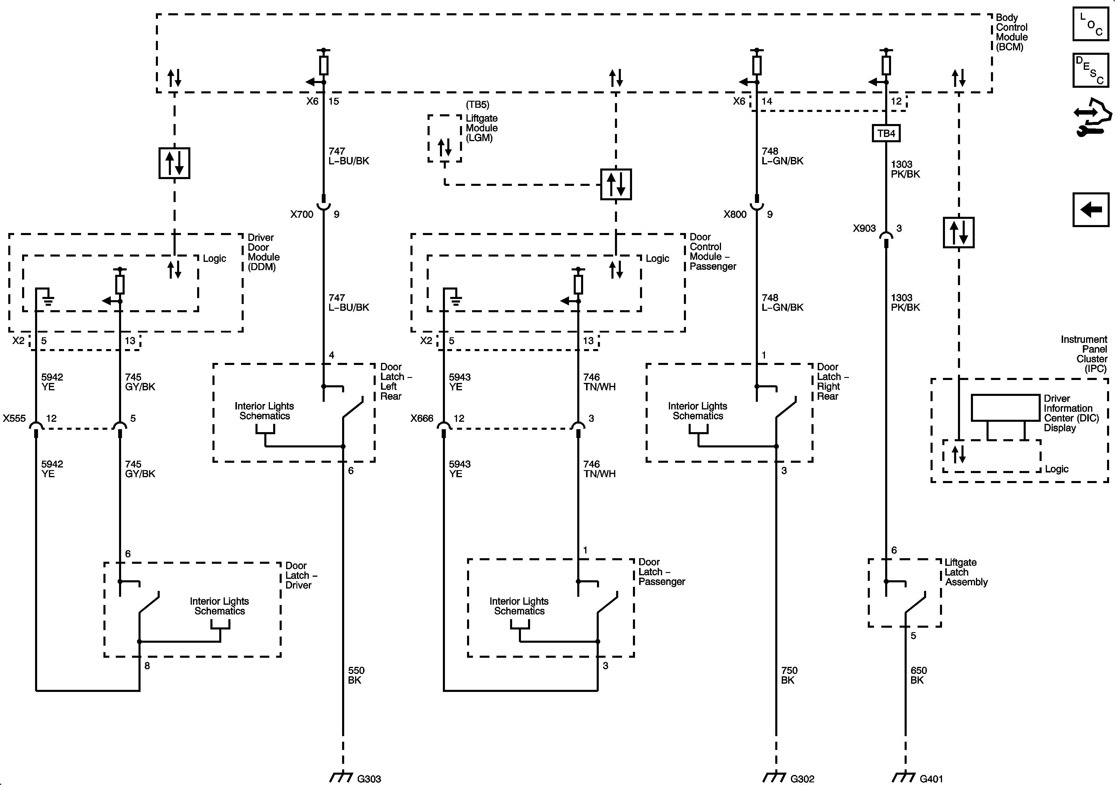
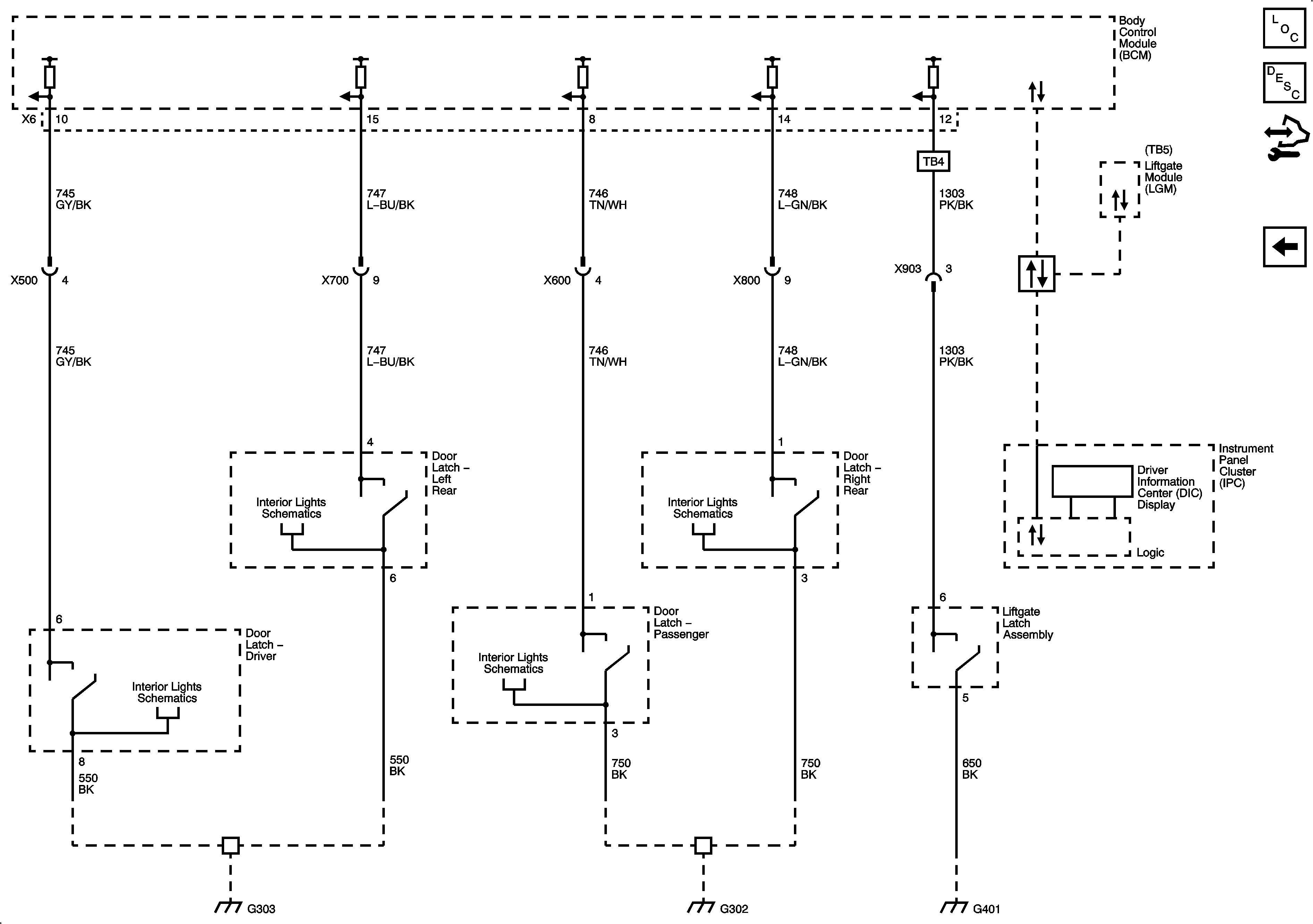
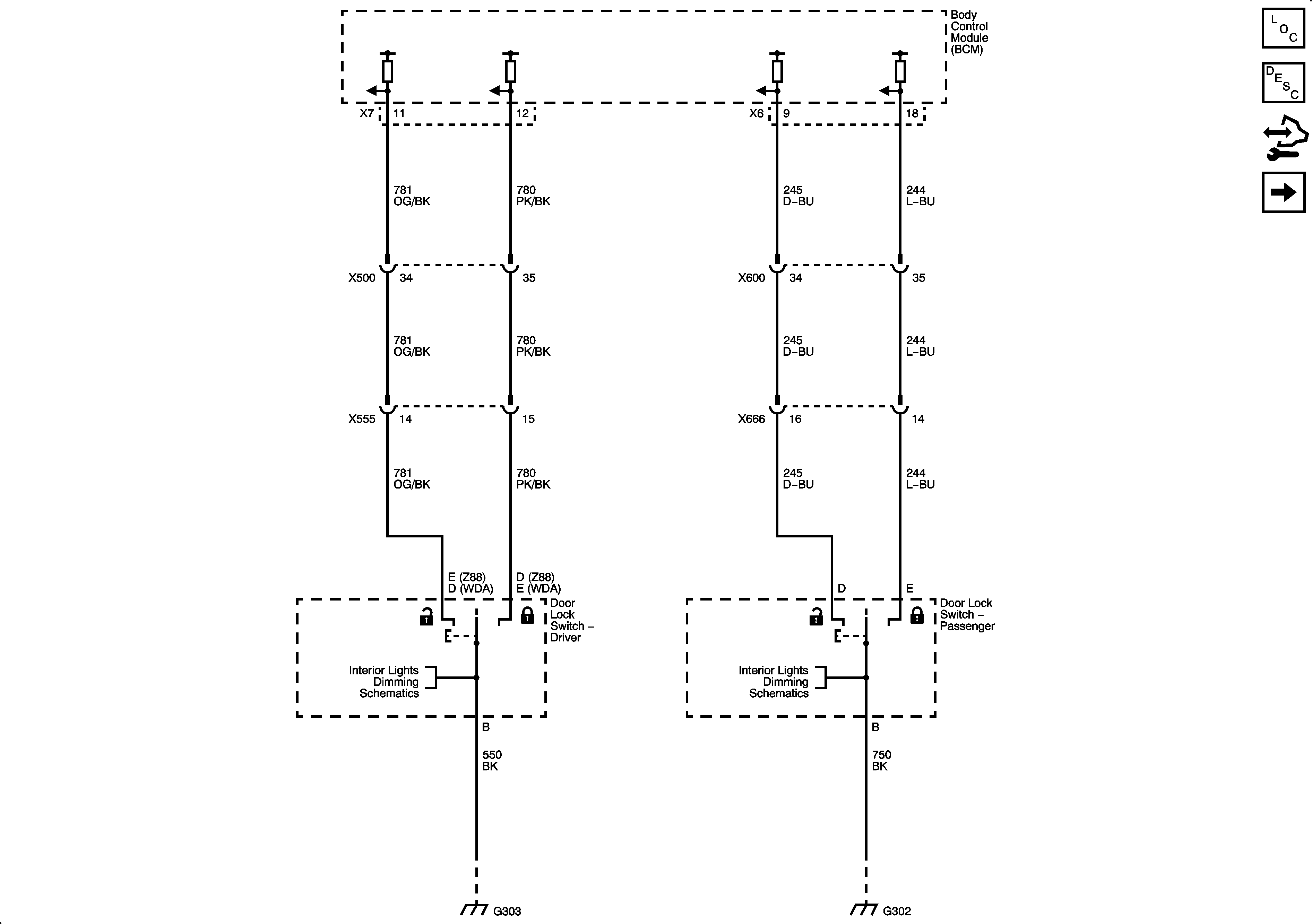
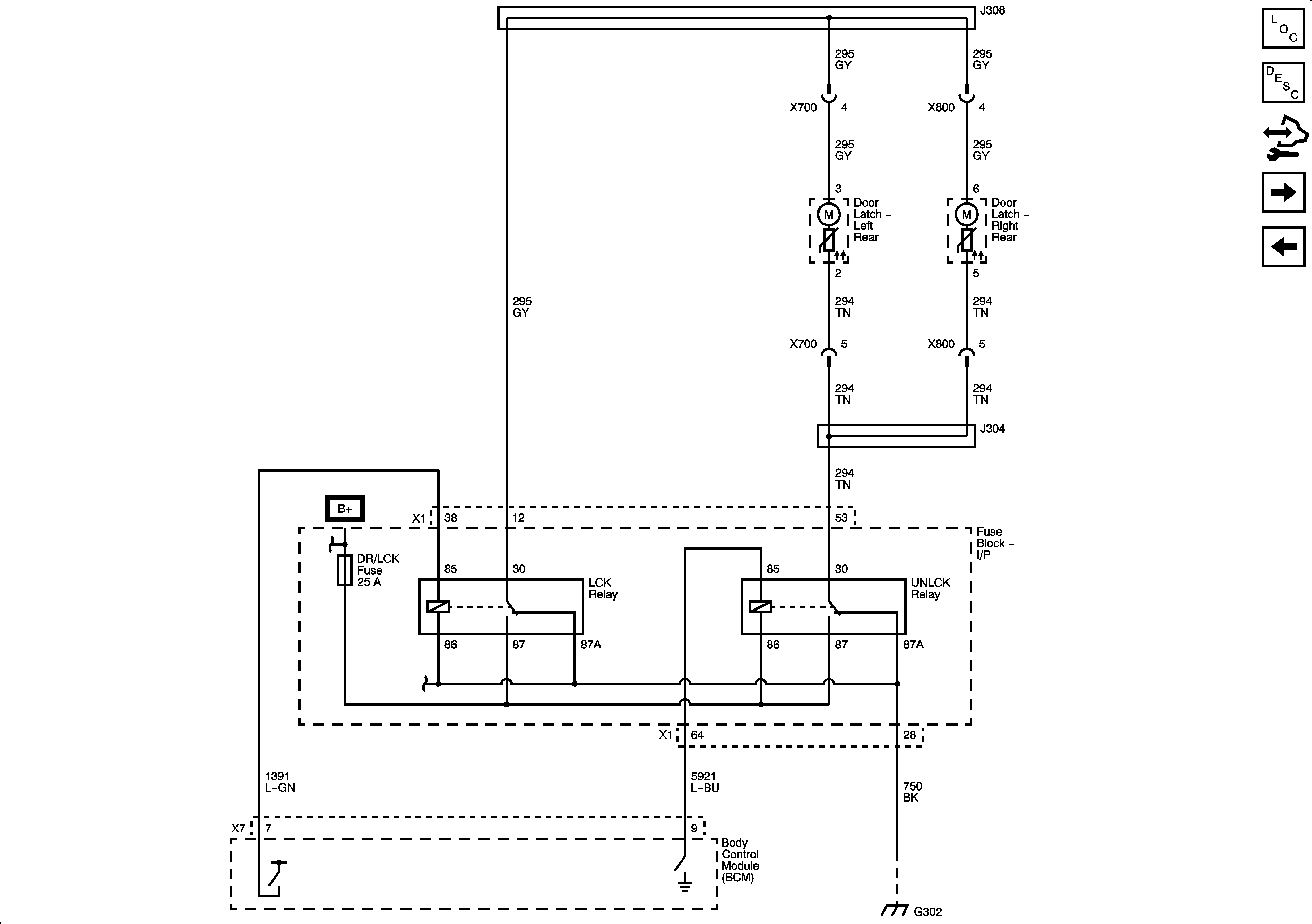
Door Lock/Indicator Schematics AXC or AXE
Figure
1:
Front Doors
Figure
2:
Rear Doors
Figure
3:
Indicators