GM Service Manual Online
For 1990-2009 cars only
Makes
🢒
Chevrolet
🢒
2009
🢒
Traverse
🢒
Body Systems
🢒
Vehicle Access
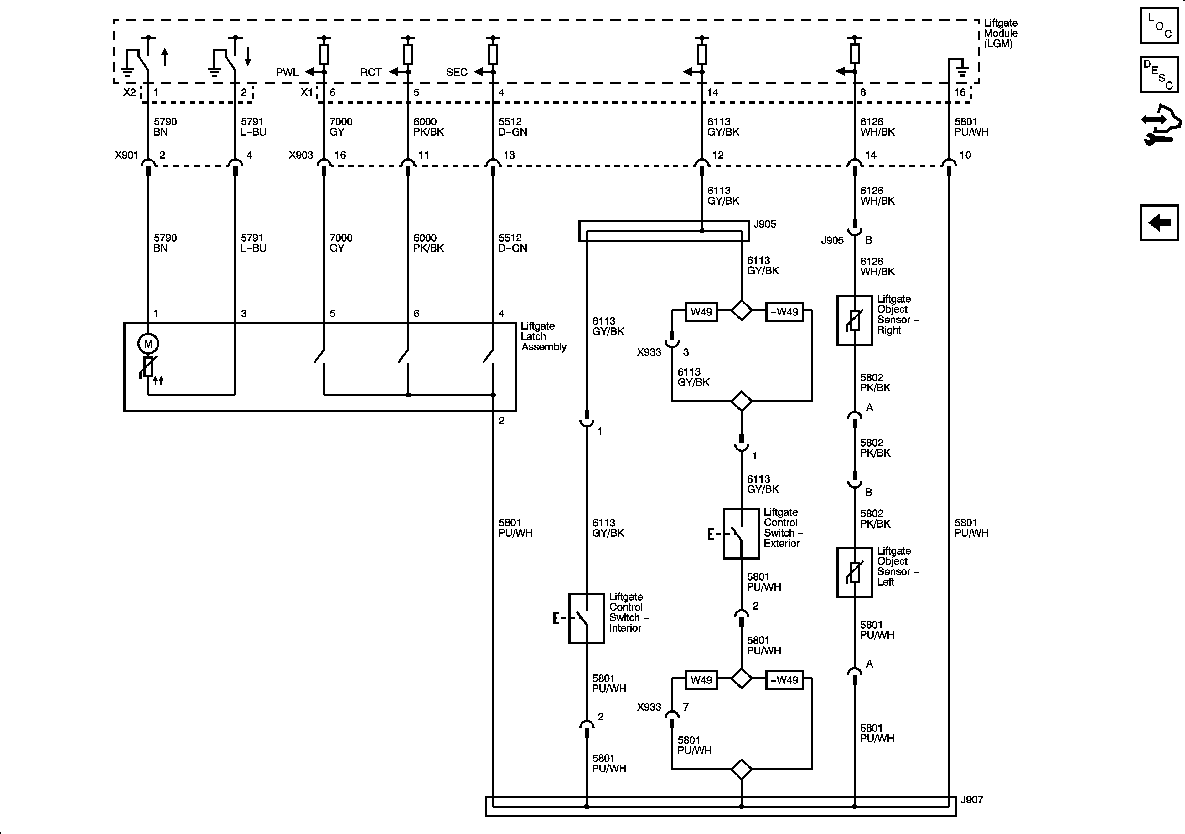
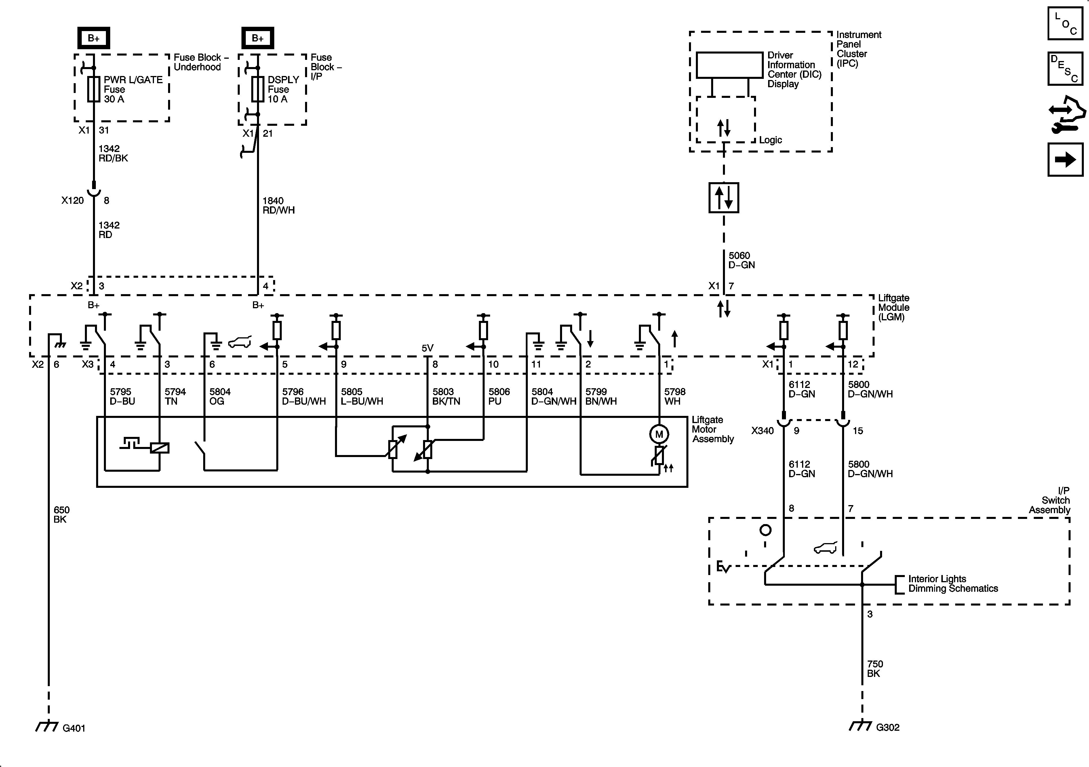
🢒 Liftgate Schematics
Figure
1:
Module Power, Ground, Data Communication, Indicator, I/P Switch, and Liftgate Motor
Figure
2:
Latch, Object Sensors, and Switches