GM Service Manual Online
For 1990-2009 cars only
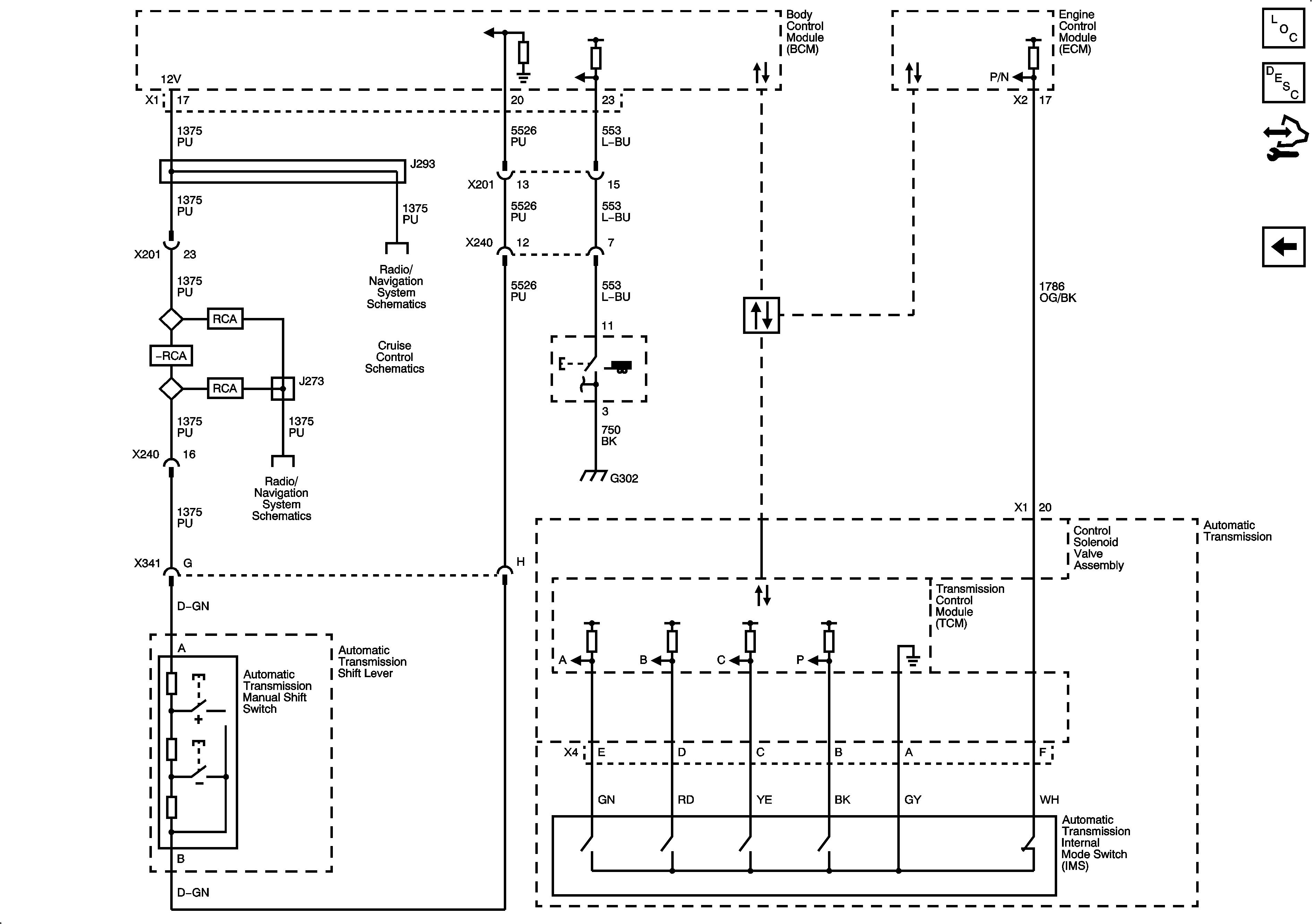
Figure 1:

Module Power, Ground, Data Communication, and MIL


Object Number: 2077880  Size: FS
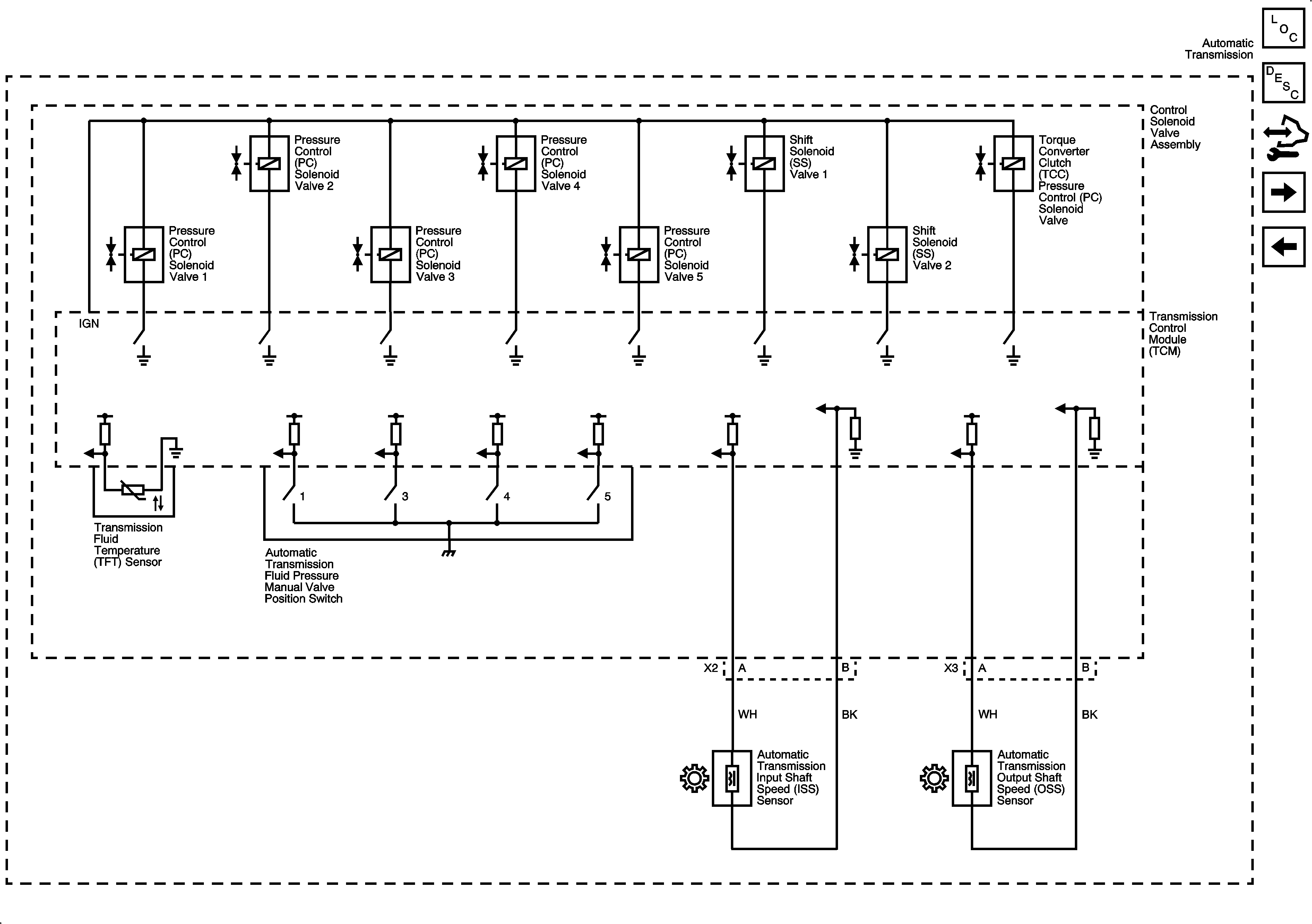
Figure 2:

Pressure Controls and Shift Controls


Object Number: 2077883  Size: FS
Figure 3:

ISS, OSS, TFP, and TFT


Object Number: 2077888  Size: FS
Figure 4:

IMS and Tap Up/Tap Down


Object Number: 2077894  Size: FS