GM Service Manual Online
For 1990-2009 cars only
Figure 1:

Module Power, Ground, Serial Data, and MIL


Object Number: 2060285  Size: FS
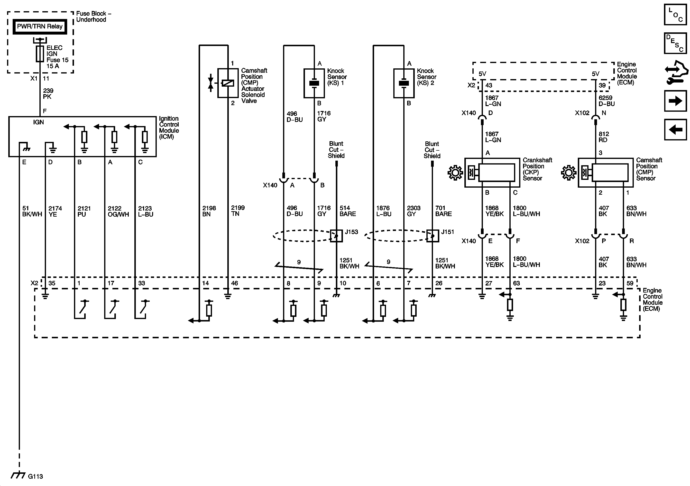
Figure 2:

Engine Data Sensors - 5-Volt and Low Reference


Object Number: 2060287  Size: FS
Figure 3:

Engine Data Sensors - Pressure and Temperature


Object Number: 2060289  Size: FS
Figure 4:

Engine Data Sensors - Oxygen Sensors


Object Number: 2060292  Size: FS
Figure 5:

Engine Data Sensors - Throttle Actuator Controls


Object Number: 2060294  Size: FS
Figure 6:

Ignition Controls and Camshaft Control


Object Number: 2060297  Size: FS
Figure 7:

Fuel Controls - Fuel Pump Controls


Object Number: 2060300  Size: FS
Figure 8:

Fuel Controls - Fuel Injectors


Object Number: 2060302  Size: FS
Figure 9:

Fuel Controls - EVAP Controls and Manifold Tuning


Object Number: 2060304  Size: FS
Figure 10:

Controlled/Monitored Subsystem References


Object Number: 2060306  Size: FS