GM Service Manual Online
For 1990-2009 cars only
Makes
🢒
Chevrolet
🢒
2005
🢒
Uplander Ext.
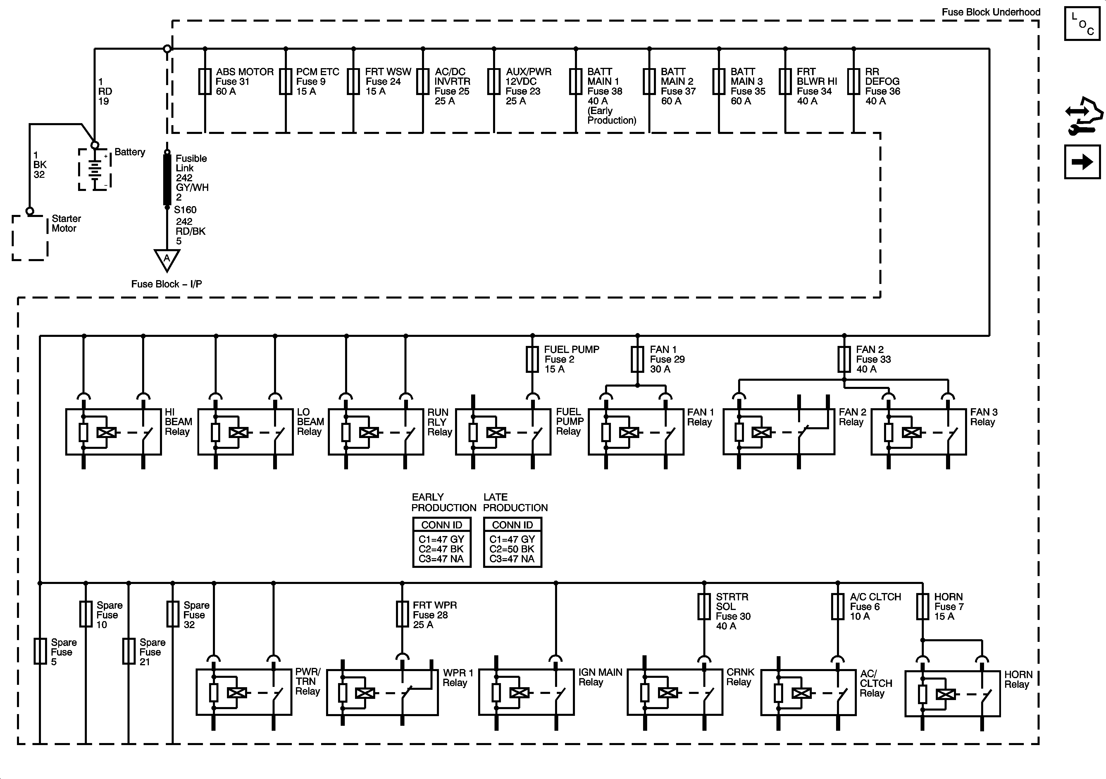
🢒 B+ Bus
B+ Bus
B+ Bus
Master Electrical Component List
Control Module References
ABS MOTOR, AC/DC INVRTR, AUX/PWR 12VDC, FRT WSW, and PCM ETC Fuses
BATT MAIN 1, CHMSL BCK/UP, PRK LAMP, PSD, and RFA MDLS Fuses