GM Service Manual Online
For 1990-2009 cars only
Makes
🢒
Chevrolet
🢒
2005
🢒
Uplander Ext.
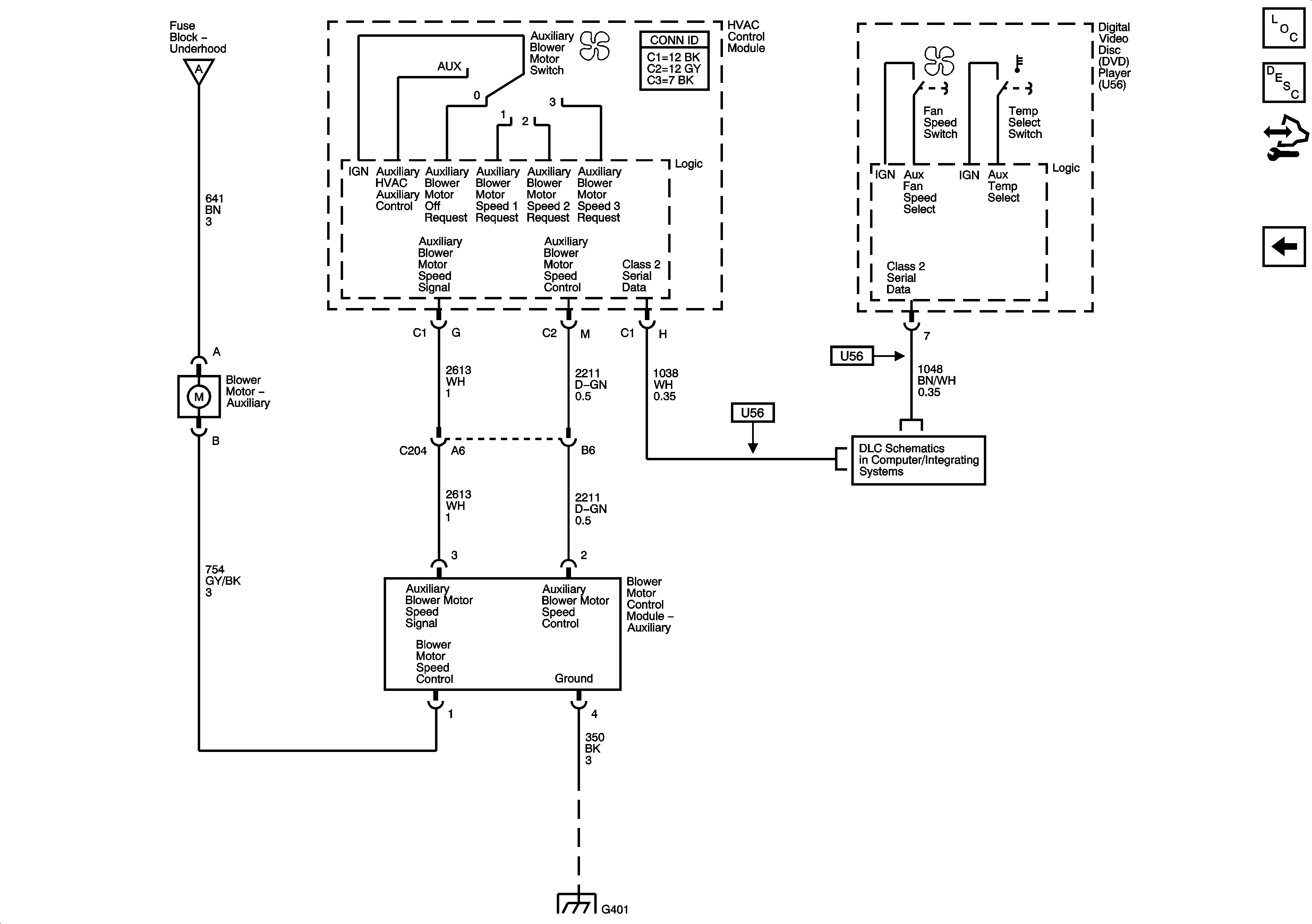
🢒 Auxiliary Blower Controls - C69
Auxiliary Blower Controls - C69
Auxiliary Blower Controls - C69
Master Electrical Component List
Air Delivery Description and Operation
Control Module References
A/C Compressor Controls
Front Blower Control, Ground, and Power
DLC Schematics
G401