GM Service Manual Online
For 1990-2009 cars only
Makes
🢒
Chevrolet
🢒
2005
🢒
Uplander Ext.
🢒 Actuators
Actuators
Actuators
Master Electrical Component List
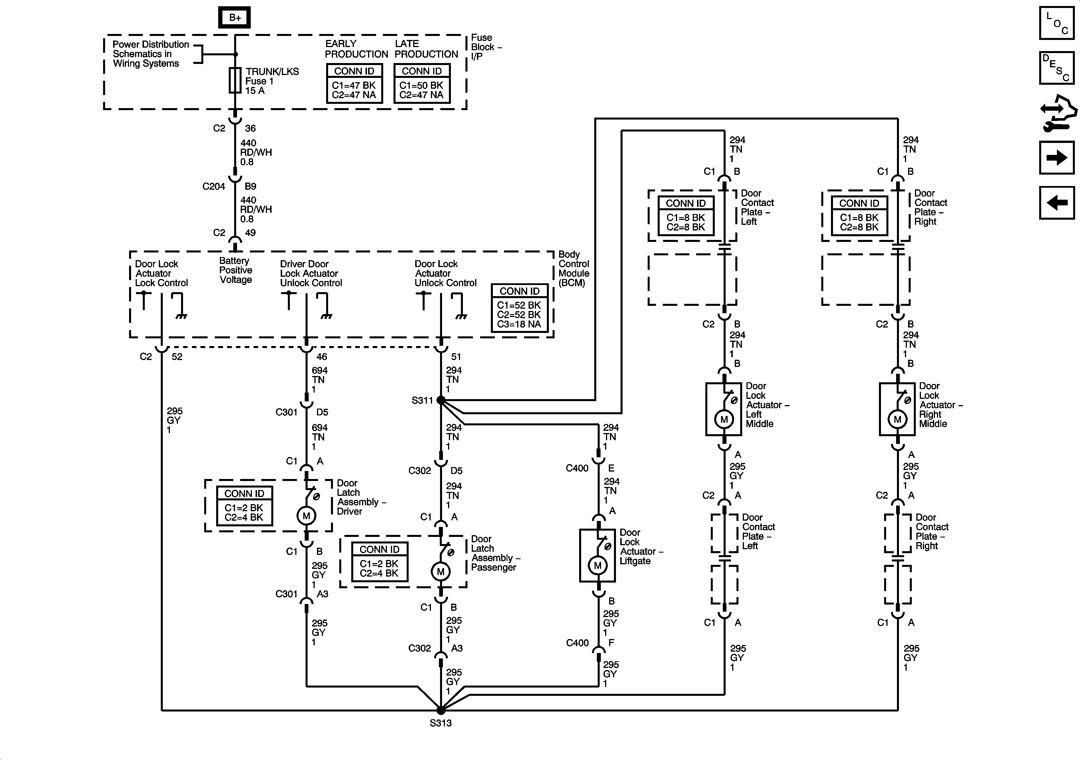
Power Door Locks Description and Operation
Control Module References
Indicators
Switches
BATT MAIN 3, ELC, and TRUNK/LKS Fuses