GM Service Manual Online
For 1990-2009 cars only
Makes
🢒
Chevrolet
🢒
2005
🢒
Uplander Ext.
🢒 Steering Wheel Controls Schematics
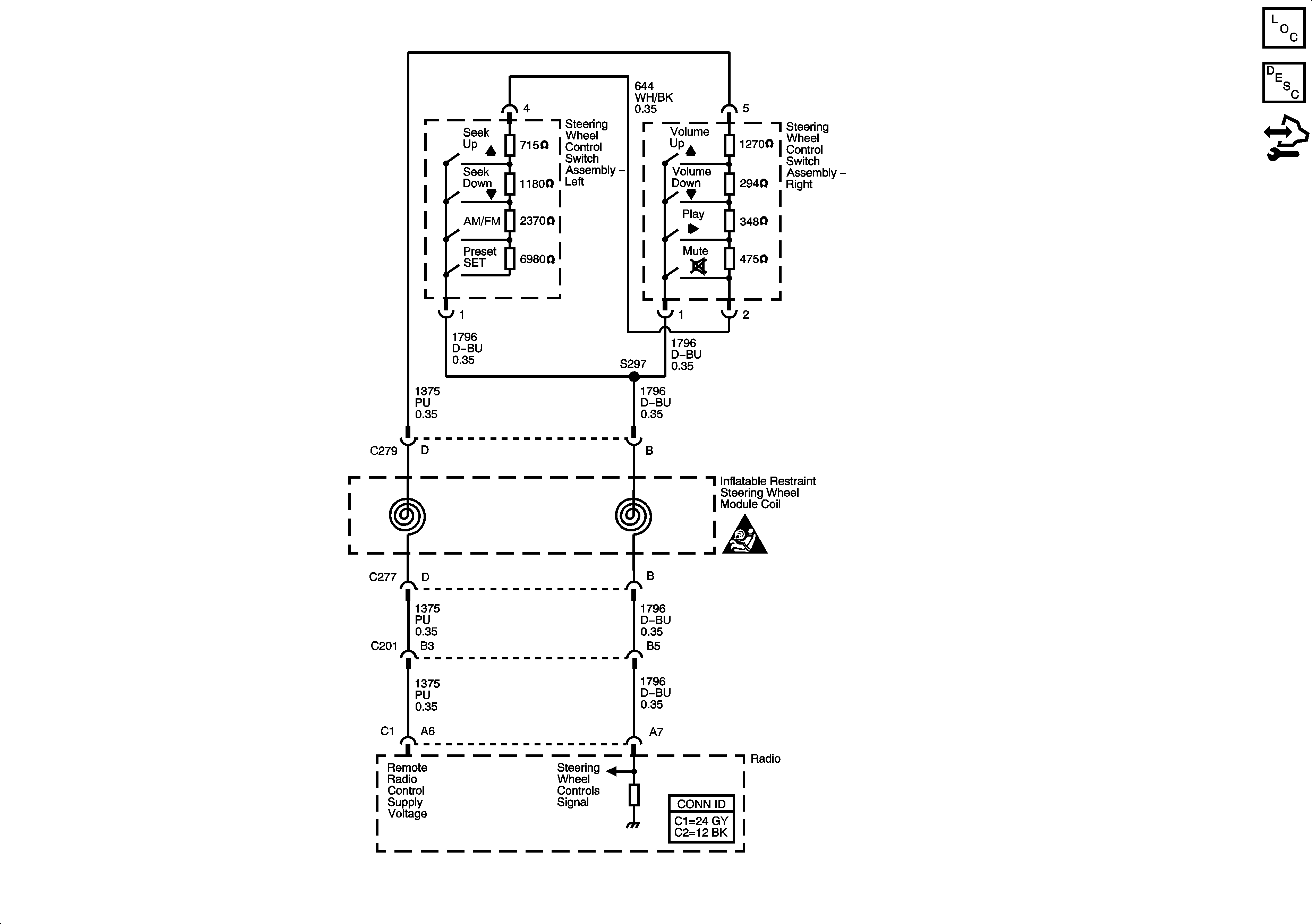
Steering Wheel Controls Schematics
Master Electrical Component List
Radio/Audio System Description and Operation
Control Module References
Entertainment Schematic Icons