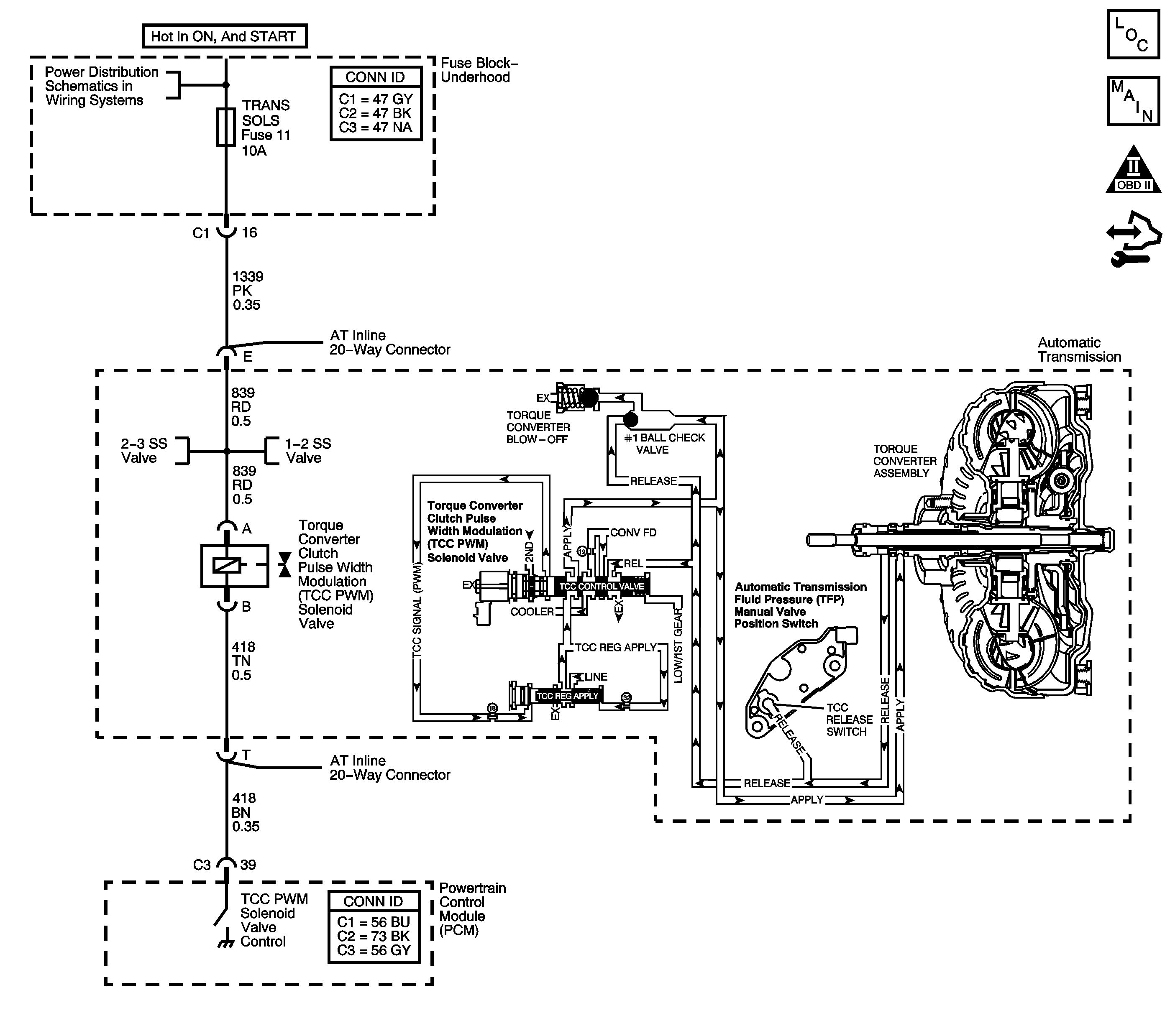
Circuit Description
The PCM controls the torque converter clutch pulse width modulation (TCC PWM) solenoid valve. The solenoid controls the hydraulic fluid for TCC apply and release. When the TCC is fully applied, the engine is coupled directly to the transmission
through the TCC.
The TCC used is an electronically controlled capacity clutch (ECCC). The PCM will normally allow a small amount of slip to occur with the ECCC. When the TCC is engaged, TCC slip speed is maintained at approximately 20 to 50 RPM.
If the PCM detects high torque converter slip when the TCC is commanded ON, then DTC P0741 sets. DTC P0741 is a type B DTC.
DTC Descriptor
This diagnostic procedure supports the following DTC:
DTC P0741 Torque Converter Clutch (TCC) System - Stuck Off
Conditions for Running the DTC
| • | No VSS DTC P0502 or P0503. |
| • | No ISS DTC P0716 or P0717. |
| • | No TCC stuck ON DTC P0742. |
| • | No TCC release switch DTC P1887. |
| • | No TCC PWM solenoid valve DTC P2761. |
| • | The engine speed is greater than 500 RPM for 5 seconds and not in fuel cut off. |
| • | The engine torque is greater than 28 N·m (21 lb ft). |
| • | The transmission fluid temperature is between 20°C (68°F) and 130°C (266°F). |
| • | The TP angle is 4-99 percent. |
| • | The IMS indicates D2, D3 or D4. |
| • | The TCC duty cycle is greater than 50 percent. |
Conditions for Setting the DTC
The TCC slip speed is 180 RPM or more for 7 seconds twice during the same ignition cycle.
Action Taken When the DTC Sets
| • | The PCM illuminates the malfunction indicator lamp (MIL) during the second consecutive trip in which the Conditions for Setting the DTC are met. |
| • | The PCM inhibits TCC engagement. |
| • | The PCM inhibits 4th gear if the transmission is in Hot Mode. |
| • | The PCM freezes transmission adaptive functions. |
| • | The PCM records the operating conditions when the Conditions for Setting the DTC are met. The PCM stores this information as Freeze Frame and Failure Records. |
| • | The PCM stores DTC P0741 in PCM history during the second consecutive trip in which the Conditions for Setting the DTC are met. |
Conditions for Clearing the MIL/DTC
| • | The PCM turns OFF the MIL during the third consecutive trip in
which the diagnostic test runs and passes. |
| • | A scan tool can clear the MIL/DTC. |
| • | The PCM clears the DTC from PCM history if the vehicle completes
40 warm-up cycles without an emission-related
diagnostic fault occurring. |
| • | The PCM cancels the DTC default actions when the ignition switch
is OFF long enough in order to power down the PCM. |
Diagnostic Aids
| • | Residue or contamination may cause valves to stick intermittently. |
Test Description
The number below refers to the step number on the diagnostic table.
-
This step verifies that the TCC engages when commanded ON by the scan tool.
Step
| Action
| Value(s)
| Yes
| No
|
1
| Did you perform the Diagnostic System Check-Vehicle?
| --
| Go to
Step 2
| Go to
Diagnostic System Check - Vehicle
in Vehicle DTC Information
|
2
| Did you perform the Transmission Fluid Checking Procedure?
| --
| Go to
Step 3
| Go to
Transmission Fluid Check
|
3
|
- Install a scan tool.
- Turn ON the ignition with the engine OFF.
Important: Before clearing the DTCs, use the scan tool in order to record the Freeze Frame and Failure Records for reference. Using the Clear DTC Information function will erase the stored Freeze Frame and Failure Records from the
PCM.
- Record the Freeze Frame and Failure Records.
- Clear the DTCs.
- Drive the vehicle at 72 km/h (45 mph).
- Using the scan tool, command the TCC PWM solenoid valve ON.
- Monitor the TCC slip speed.
Does the scan tool indicate the TCC slip speed is within the specified value?
| -50 RPM to +180 RPM
| Go to Diagnostic Aids
| Go to
Step 4
|
4
|
- Inspect the following components:
| • | The TCC control valve for sticking |
| • | The TCC regulator valve for sticking |
| • | The TCC PWM solenoid valve stuck and O-ring seal for leaks |
| • | The pressure regulator valve |
| • | The TCC blowoff valve or spring for damage or not seating |
| • | The TCC signal orifice in the spacer plate plugged |
| • | The #1 check ball missing or leaking |
| • | The spacer plate gaskets torn or leaking |
| • | The turbine shaft seals for leaks |
| • | The torque converter clutch |
- Repair or replace the component as necessary.
Did you complete the repair?
| --
| Go to
Step 5
| --
|
5
| Perform the following procedure in order to verify the repair:
- Select DTC.
- Select Clear DTC Information.
- Operate the vehicle under the following conditions:
| • | Drive the vehicle in D3 or D4 until the TCC is engaged. |
| • | The transmission fluid temperature is 20-130°C (68-266°F). |
| • | TP angle must be 4-99 percent. |
| • | The engine torque is greater than 28 N·m (21 lb ft). |
| • | The TCC is commanded ON at greater than 50 percent duty cycle. |
| • | The TCC slip speed must be less than 50 RPM for at least 4 seconds. |
- Select Specific DTC.
- Enter DTC P0741.
Has the test run and passed?
| --
| Go to
Step 6
| Go to
Step 2
|
6
| With a scan tool, observe the stored information, capture info and DTC info.
Does the scan tool display any DTCs that you have not diagnosed?
| --
| Go to
Diagnostic Trouble Code (DTC) List - Vehicle
in Vehicle DTC Information
| System OK
|