GM Service Manual Online
For 1990-2009 cars only

Thermostat Bypass Pipes Replacement RPO LX9

Tools Required

J 38185 Hose Clamp Pliers

Removal Procedure


    Object Number: 1641070  Size: SH
  1. Remove the fuel injector sight shield. Refer to Fuel Injector Sight Shield Replacement .
  2. Drain the cooling system. Refer to Cooling System Draining and Filling .
  3. Remove the air cleaner inlet duct. Refer to Air Cleaner Inlet Duct Replacement .
  4. Remove the spark plug wires from the spark plugs.
  5. Remove the spark plug wire clip from the support.
  6. Reposition the spark plug wires out of the way.
  7. Disconnect the heater outlet hose quick connect fitting at the thermostat bypass pipe.

  8. Object Number: 1547163  Size: SH
  9. Using the J 38185 (SA9111E), release the tension on the hose clamp at the thermostat housing until the clamp locks.
  10. Remove the radiator inlet hose from the thermostat housing.

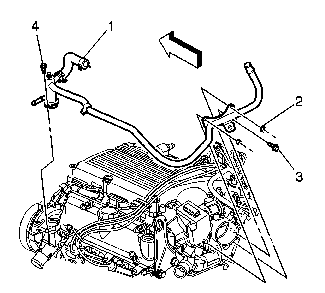
  11. Object Number: 1680663  Size: SH
  12. Reposition the thermostat bypass pipe hose clamp at the lower intake manifold.
  13. Remove the thermostat bypass pipe to front cover bolt (4).
  14. Remove the thermostat bypass pipe to lower intake manifold stud nuts (2).
  15. Remove the thermostat bypass pipe to lower intake manifold bolt (3).
  16. Remove the thermostat bypass pipe hose (1) from the lower intake manifold. Remove the thermostat bypass pipe.

Installation Procedure


    Object Number: 1680663  Size: SH
  1. Install the thermostat bypass pipe. Install the thermostat bypass pipe hose (1) to the lower intake manifold.
  2. Position the thermostat bypass pipe hose clamp at the lower intake manifold.
  3. Notice: Refer to Fastener Notice in the Preface section.

  4. Install the thermostat bypass pipe to front cover bolt (4).
  5. Tighten
    Tighten the bolt to 10 N·m (89 lb in).

  6. Install the thermostat bypass pipe to lower intake manifold bolt (3).
  7. Tighten
    Tighten the bolt to 10 N·m (89 lb in).

  8. Install the thermostat bypass pipe to lower intake manifold stud nuts (2).
  9. Tighten
    Tighten the nuts to 10 N·m (89 lb in).


    Object Number: 1547163  Size: SH
  10. Install the radiator inlet hose to the thermostat housing.
  11. Using a small flat-bladed screwdriver, release the hose clamp retention lock at the thermostat housing.
  12. Connect the heater outlet hose quick connect fitting at the thermostat bypass pipe.

  13. Object Number: 1641070  Size: SH
  14. Position the spark plug wires.
  15. Install the spark plug wire clip to the support.
  16. Install the spark plug wires to the spark plugs.
  17. Install the air cleaner inlet duct. Refer to Air Cleaner Inlet Duct Replacement .
  18. Fill the cooling system. Refer to Cooling System Draining and Filling .
  19. Install the fuel injector sight shield. Refer to Fuel Injector Sight Shield Replacement .