GM Service Manual Online
For 1990-2009 cars only

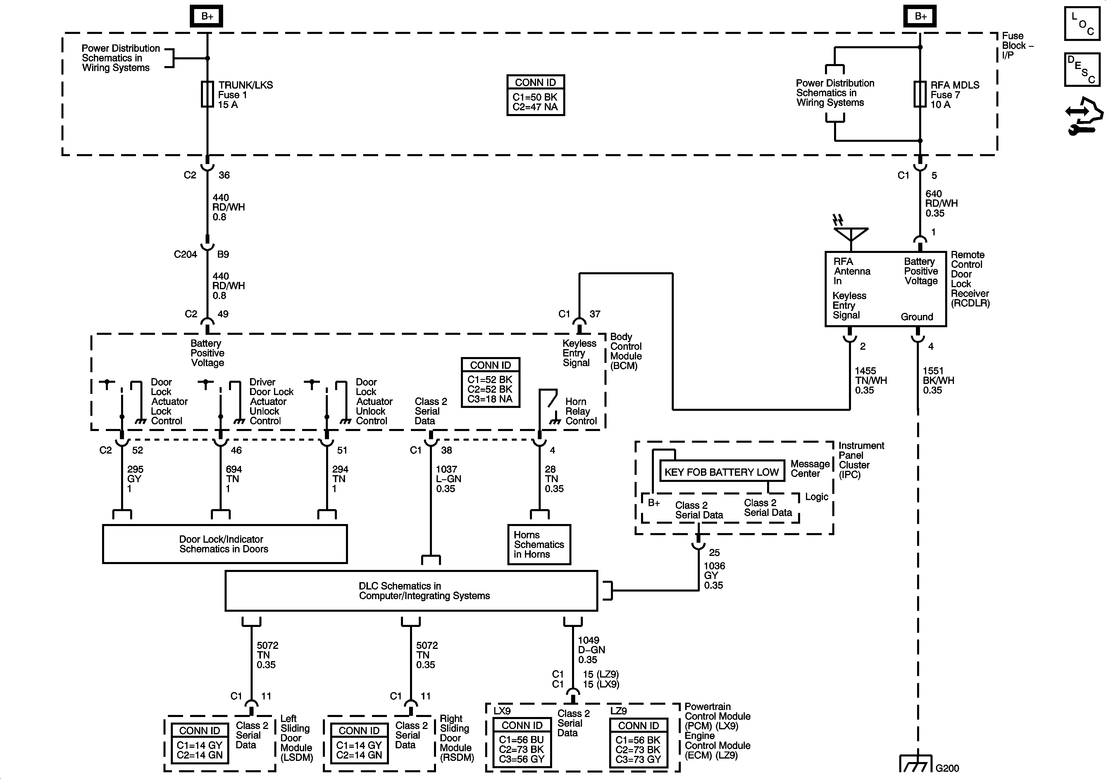
Object Number: 1636948  Size: FS
Master Electrical Component List
Keyless Entry System Description and Operation (without Accessory 2 Way Remote)
Control Module References
BATT MAIN 3, ELC, and TRUNK/LKS Fuses
CHMSL BCK/UP, PRK LAMP, PSD, and RFA MDLS Fuses
Actuators
Data Link Connector (DLC) Schematics
Horns Schematics
G200 - 2 of 2