GM Service Manual Online
For 1990-2009 cars only

DTC P0563 3.9L


Object Number: 1755896  Size: LF
Master Electrical Component List
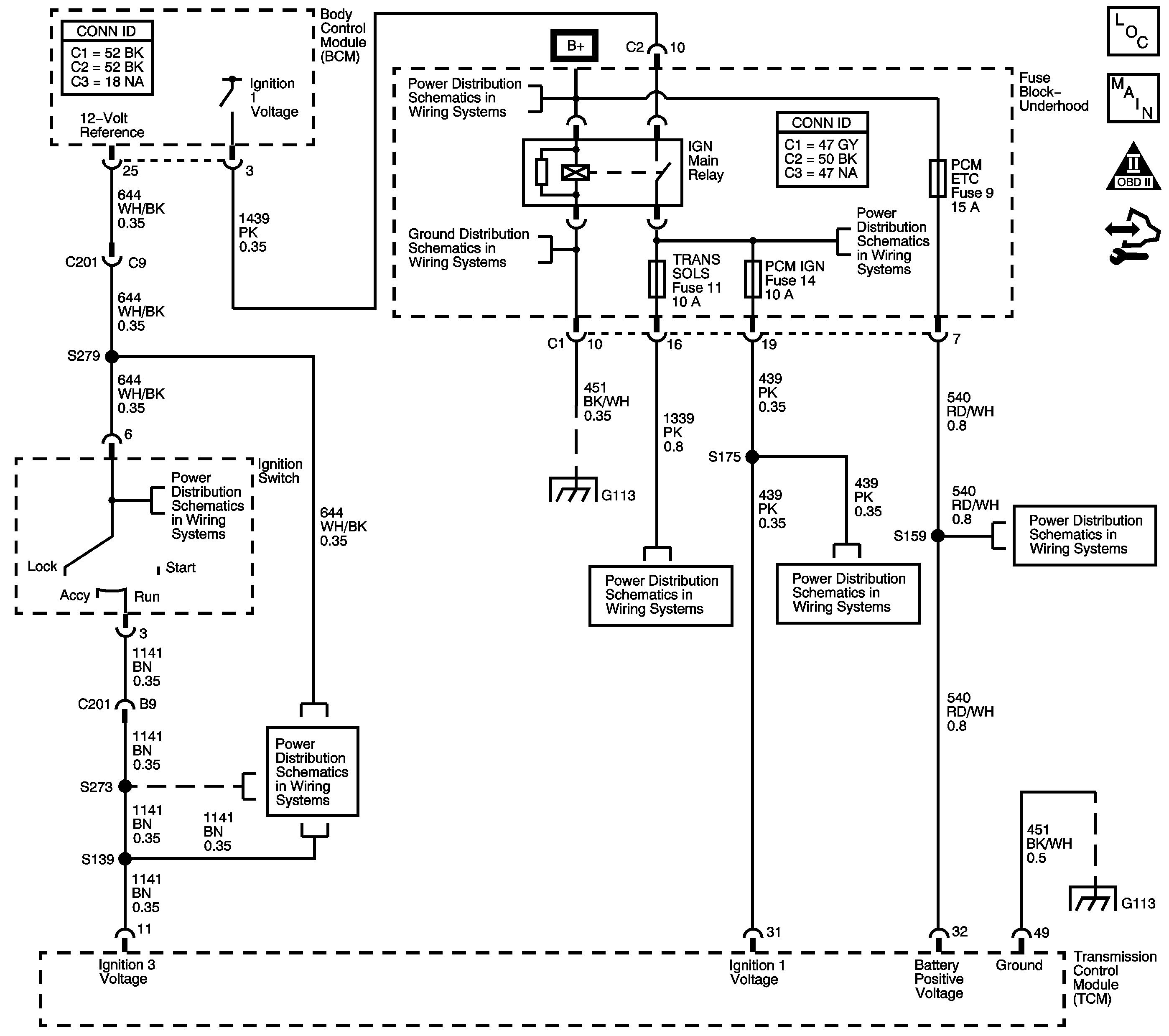
Automatic Transmission Controls Schematics (LZ9)
OBD II Symbol Description Notice
Control Module References

Circuit Description

The transmission control module (TCM) continuously monitors the system voltage on the Ignition 1 and the battery circuits. Higher than normal voltage may cause the solenoids inside the transmission to operate improperly or damage solid-state components inside the TCM.

When the TCM detects high voltage, DTC P0563 sets. DTC P0563 is a type C DTC.

DTC Descriptor

This diagnostic procedure supports the following DTC:

DTC P0563 System Voltage High

Conditions for Running The DTC

The ignition is ON.

Conditions for Setting The DTC

The TCM detects system voltage 18 volts or greater for 10 seconds.

Action Taken When the DTC Sets

    • The TCM does not request the engine control module (ECM) to illuminate the malfunction indicator lamp (MIL).
    • The TCM records the operating conditions when the Conditions for Setting the DTC are met. The TCM records this information as a Failure Record.
    • The TCM stores DTC P0563 in TCM history.

Conditions for Clearing the DTC

    • A scan tool can clear the DTC.
    • The TCM clears the DTC from TCM history if the vehicle completes 40 warm-up cycles without a non emission related diagnostic fault occurring.
    • The TCM cancels the DTC default actions when the fault no longer exists and the DTC passes.

Diagnostic Aids

    • Observe the driver information center (DIC) messaging that would indicate the electrical system requires service.
    • Use the scan tool in order to inspect all other modules for voltage related DTCs.
    • Running the engine with a battery charger attached may cause DTC P0563 to set.
       - Inspect the charging circuit for high resistance.
       - Inspect the vehicle battery for open or sulfated cells.

Test Description

The numbers below refer to the step numbers on the diagnostic table.

  1. This step tests the charging system voltage with a minimal load.

  2. This step obtains the ignition voltage measurement reported by the TCM.

Step

Action

Value(s)

Yes

No

1

Did you perform the Diagnostic System Check - Vehicle?

--

Go to Step 2

Go to Diagnostic System Check - Vehicle

2

  1. Install a scan tool.
  2. Turn ON the ignition, with the engine OFF.
  3. Important: 

       • Before clearing the DTC, use the scan tool in order to record the ECM and the TCM Failure Records. Using the Clear Info function erases the Failure Records from the ECM and TCM.
       • Using the Clear Info function erases stored DTCs in both the ECM and TCM.

  4. Record the Failure Records.

Did you record a Failure Record for DTC P0562?

--

Go to DTC P0562

Go to Step 3

3

  1. Clear the DTC.
  2. Start the engine.
  3. Allow the engine to warm up to normal operating temperature.

Is the charge indicator light ON?

--

Go to Charging System Test

Go to Step 4

4

  1. Turn OFF all electrical accessories.
  2. Increase the engine speed to 2,000 RPM.
  3. Using the DMM, measure the voltage between the battery terminals. Record the measurement for reference.

Is the voltage within the specified range?

12.5-14.5 V

Go to Step 5

Go to Charging System Test

5

  1. Leave the engine running.
  2. Observe the Ignition Voltage on the scan tool.
  3. Increase the engine speed to 2,000 RPM.

Is the difference between the voltage displayed on the scan tool and the voltage measurement in Step 4 greater than the specified value?

1.0 V

Go to Step 7

Go to Step 6

6

Did P0563 reset?

--

Go to Step 7

Go to Testing for Intermittent Conditions and Poor Connections

7

Replace the TCM.

Refer to Control Module References for replacement, setup and programming.

Is the action complete?

--

Go to Step 8

--

8

Perform the following procedure in order to verify the repair:

  1. Select DTC.
  2. Select Clear Info.
  3. Operate the vehicle under the following conditions:
  4. • Start the engine.
    • Allow the engine to warm up to normal operating temperature.
    • Observe the Ignition Voltage on the scan tool.
    • TCM voltage must remain below 18 volts for 12 seconds.
  5. Select Specific DTC.
  6. Enter DTC P0563.

Has the test run and passed?

--

Go to Step 9

Go to Step 2

9

With the scan tool, observe the stored information, capture info and DTC info.

Does the scan tool display any DTCs that you have not diagnosed?

--

Go to Diagnostic Trouble Code (DTC) List - Vehicle

System OK