GM Service Manual Online
For 1990-2009 cars only
Makes
🢒
Chevrolet
🢒
2007
🢒
Uplander Ext.
🢒
Diagnostic Navigation
🢒
Vehicle Diagnostic Information
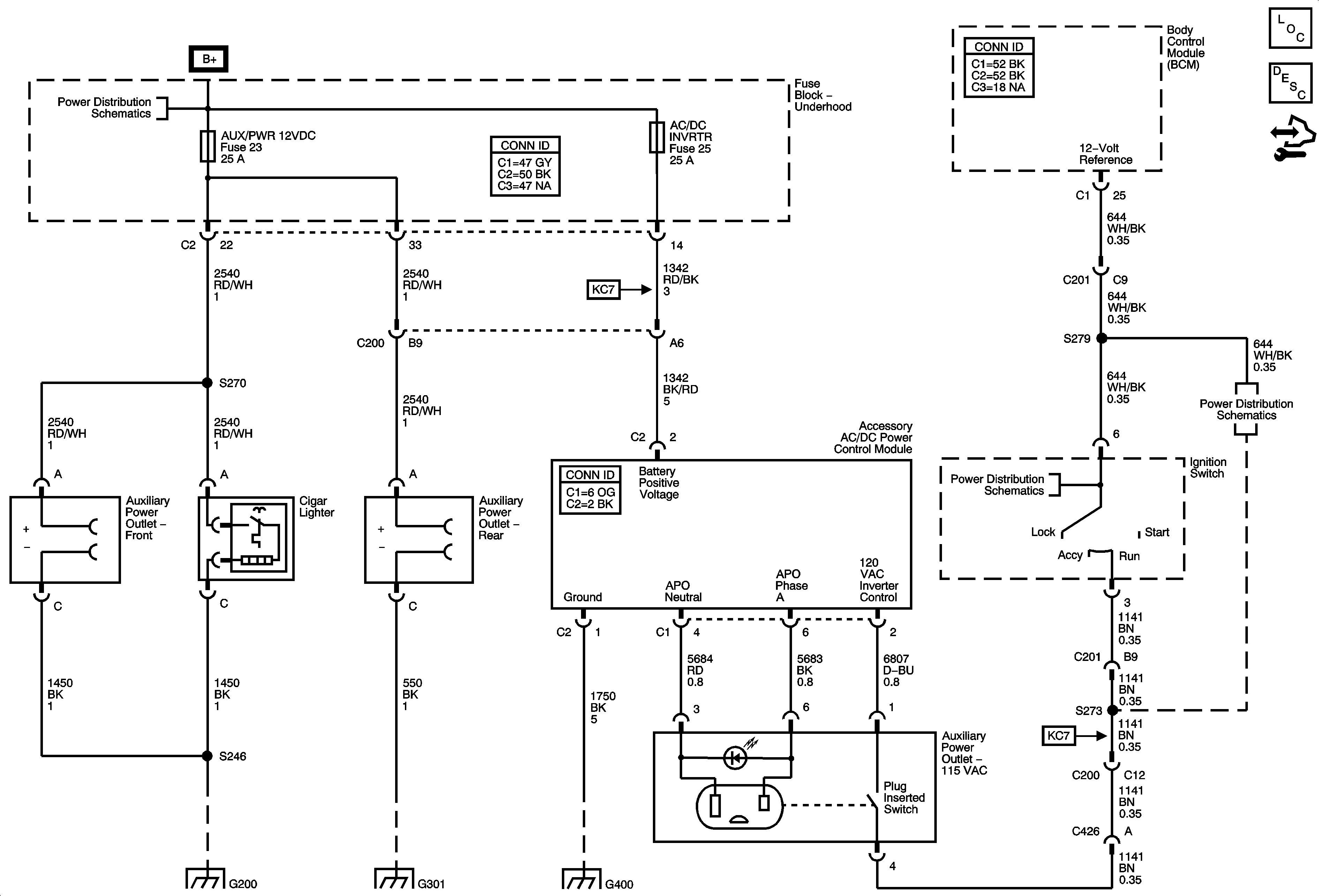
🢒 Cigar Lighter/Power Outlet Schematics
Master Electrical Component List
Power Outlets Description and Operation (115 Volts AC)
Control Module References
ABS MOTOR, AC/DC INVRTR, AUX/PWR 12VDC, FRT WSW, and PCM ETC Fuses
Ignition Switch
G200 - 1 of 2
G301
G400