GM Service Manual Online
For 1990-2009 cars only
Makes
🢒
Chevrolet
🢒
2007
🢒
Uplander Ext.
🢒
Power and Signal Distribution
🢒
Data Communications
🢒 SIR Schematics
SIR Schematics AK5 or AJ7
Figure
1:
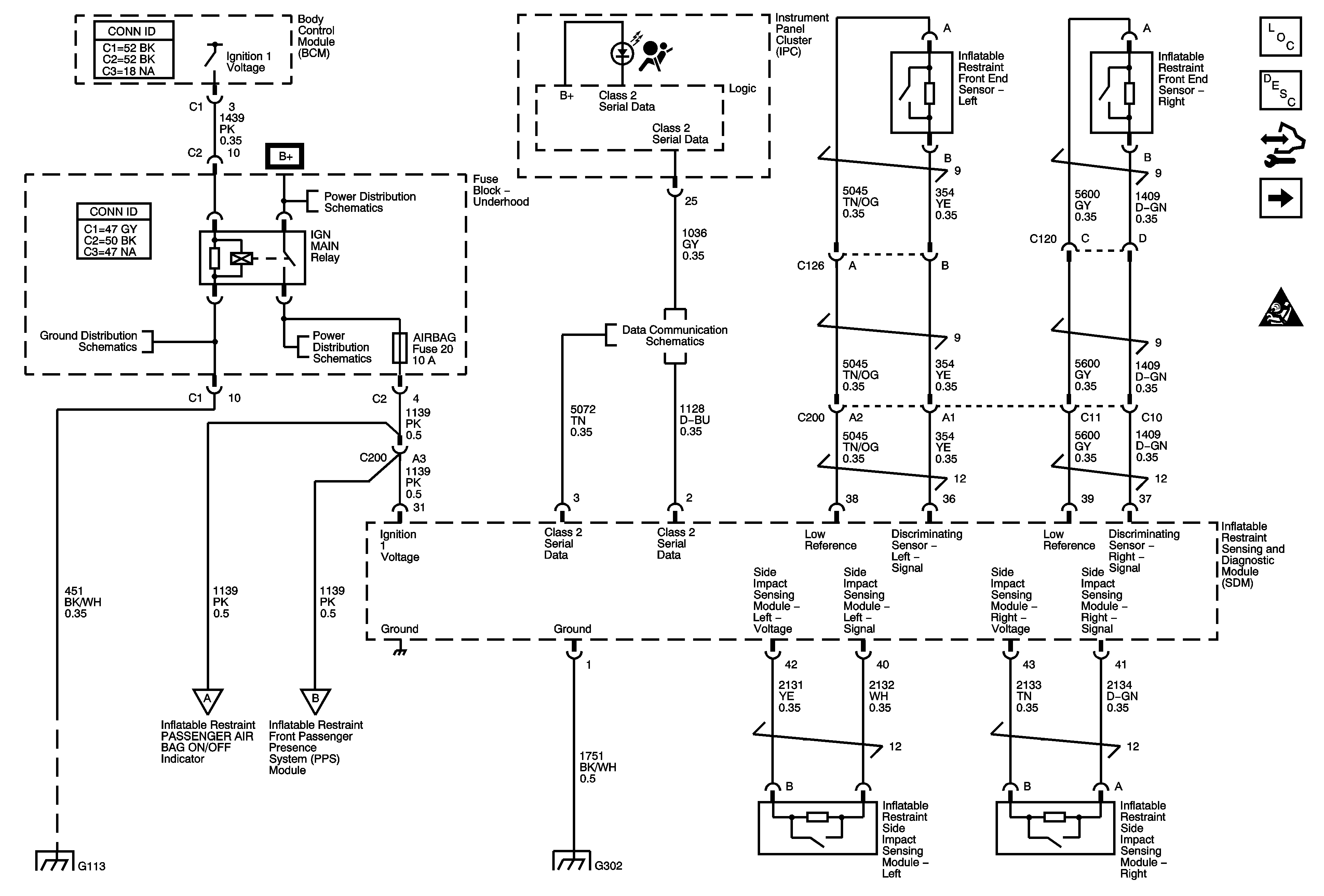
Ground, Impact Sensors, Indicator, and Power
Master Electrical Component List
SIR System Description and Operation
Control Module References
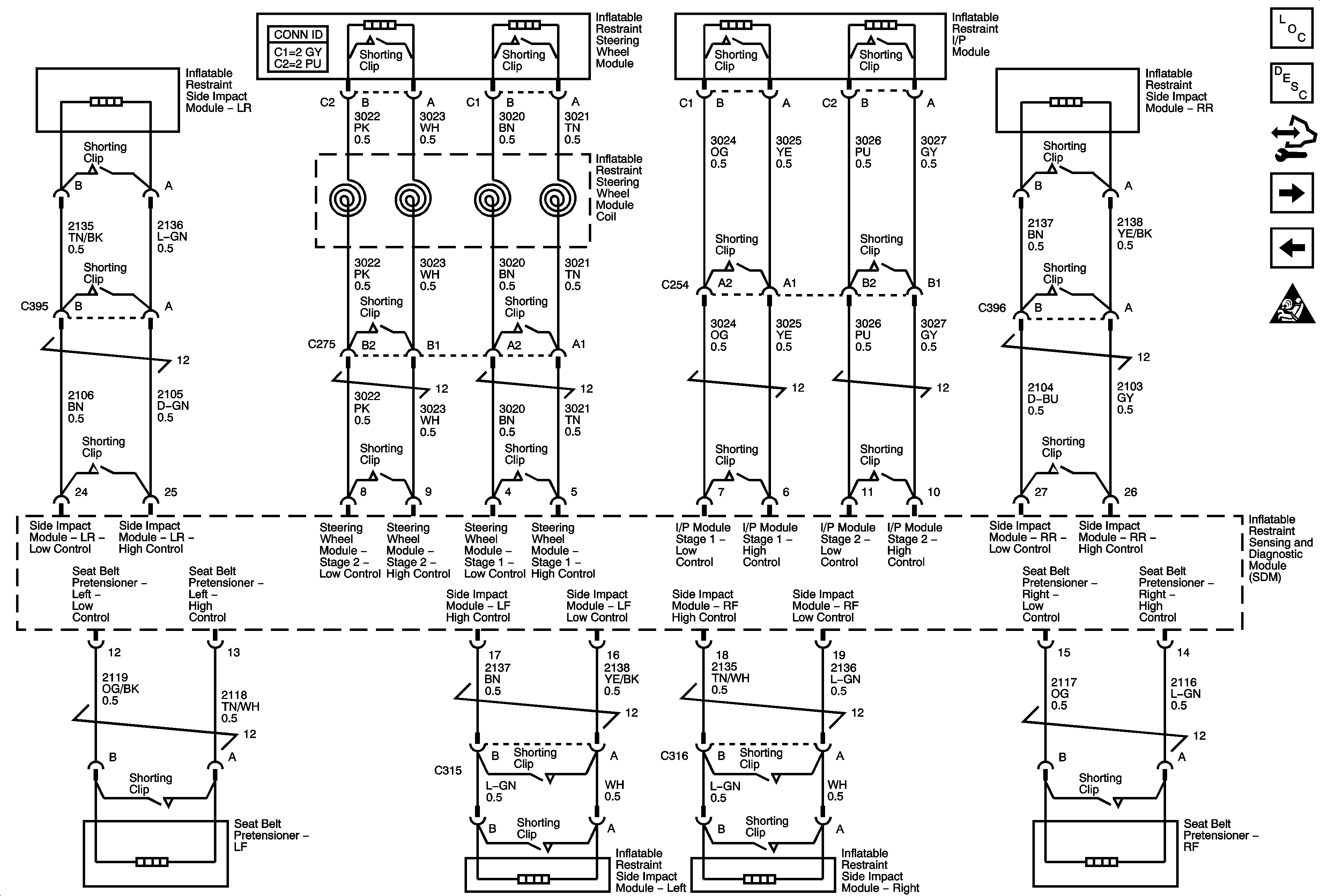
Impact Modules and Pretensioners
SIR Schematic Icons
G102, G113 and G115
ABS, AIRBAG, CRUISE/SWTCH, HVAC/RPA/CRUISE, PCM IGN, and TRANS SOLS Fuses
B+ Bus
Data Communication Schematics
G102, G113 and G115
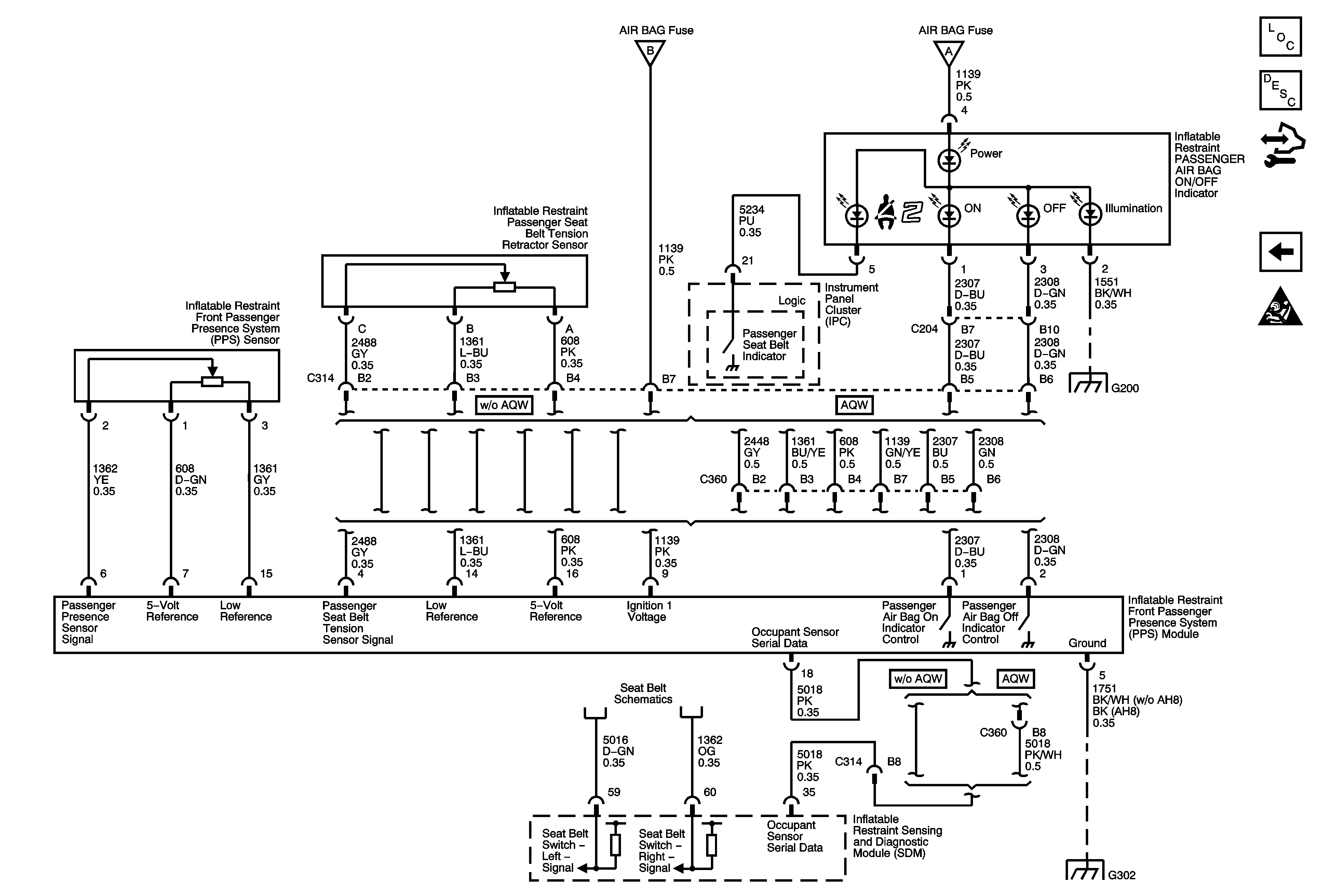
Occupant Sensing
Occupant Sensing
G302 - 1 of 2
Figure
2:
Impact Modules and Pretensioners
Master Electrical Component List
SIR System Description and Operation
Control Module References
Occupant Sensing
Ground, Impact Sensors, Indicator, and Power
SIR Schematic Icons
Figure
3:
Occupant Sensing
Master Electrical Component List
SIR System Description and Operation
Control Module References
Impact Modules and Pretensioners
SIR Schematic Icons
Ground, Impact Sensors, Indicator, and Power
Ground, Impact Sensors, Indicator, and Power
G200 - 2 of 2
Seat Belt Schematics
G302 - 1 of 2
SIR Schematics AW9
Figure
1:
Ground, Impact Sensors, Indicator, and Power
Master Electrical Component List
SIR System Description and Operation
Control Module References
Impact Modules and Pretensioners
SIR Schematic Icons
B+ Bus
G102, G113 and G115
ABS, AIRBAG, CRUISE/SWTCH, HVAC/RPA/CRUISE, PCM IGN, and TRANS SOLS Fuses
G102, G113 and G115
Occupant Sensing
Occupant Sensing
Data Communication Schematics
G302 - 1 of 2
SIR Schematic Icons
SIR Schematic Icons
SIR Schematic Icons
SIR Schematic Icons
Figure
2:
Impact Modules and Pretensioners
Master Electrical Component List
SIR System Description and Operation
Control Module References
Occupant Sensing
Ground, Impact Sensors, Indicator, and Power
SIR Schematic Icons
Figure
3:
Occupant Sensing
Master Electrical Component List
SIR System Description and Operation
Control Module References
Impact Modules and Pretensioners
SIR Schematic Icons
Ground, Impact Sensors, Indicator, and Power
Ground, Impact Sensors, Indicator, and Power
G200 - 2 of 2
Seat Belt Schematics
G302 - 1 of 2