GM Service Manual Online
For 1990-2009 cars only

Secondary Mode Door Replacement Single Zone

Removal Procedure


    Object Number: 1548538  Size: SH
  1. Remove the heater core cover. Refer to Heater Core Cover Replacement .
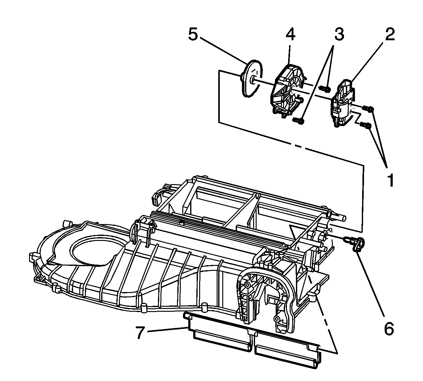
  2. Remove the mode actuator bolts/screws (1).
  3. Remove the mode actuator (2).
  4. Remove the mode actuator lever cover bolts/screws (3).
  5. Remove the mode actuator lever cover (4).
  6. Remove the mode actuator cam (5).
  7. Remove the mode actuator lever (6).
  8. Remove the secondary mode door (7).

Installation Procedure


    Object Number: 1548538  Size: SH
  1. Install the secondary mode door (7).

  2. Object Number: 1548537  Size: SH
  3. Install the mode actuator levers (4, 6). The pin on lever (4) should be seen through the opening in lever (6).
  4. Install the mode actuator cam (1). The pin on lever (6) should be seen through this opening (5) in the cam.

  5. Object Number: 1548538  Size: SH
  6. Install the mode actuator lever cover (4).
  7. Notice: Refer to Fastener Notice in the Preface section.

  8. Install the mode actuator lever cover bolts/screws (3).
  9. Tighten
    The bolts/screws to 1.2 N·m (11 lb in).

  10. Install the mode actuator (2).
  11. Install the mode actuator bolts/screws (1).
  12. Tighten
    The bolts/screws to 1.2 N·m (11 lb in).

  13. Install the heater core cover. Refer to Heater Core Cover Replacement .

Secondary Mode Door Replacement Dual Zone

Removal Procedure

  1. Remove the heater core cover. Refer to Heater Core Cover Replacement .
  2. Remove the right hand air temperature actuator. Refer to Temperature Valve Actuator Replacement - Right Side .

  3. Object Number: 868233  Size: SH
  4. Remove the right hand air temperature mounting bracket screws.
  5. Remove the right hand air temperature mounting bracket.

  6. Object Number: 867765  Size: SH
  7. Disconnect and remove the right hand mode door lever from the mode door.

  8. Object Number: 867766  Size: SH
  9. Disconnect and remove the secondary mode door lever from the secondary mode door.

  10. Object Number: 868074  Size: SH
  11. Remove the secondary mode door from the HVAC module.

Installation Procedure


    Object Number: 868074  Size: SH
  1. Install the secondary mode door.

  2. Object Number: 867766  Size: SH
  3. Connect the secondary mode door lever to the secondary mode door.

  4. Object Number: 867765  Size: SH

    Important: Align the pin on the right hand mode door lever with the slot on the secondary mode door lever.

  5. Connect the right hand mode door lever to the mode door.

  6. Object Number: 868233  Size: SH
  7. Install the right hand air temperature mounting bracket.
  8. Notice: Use the correct fastener in the correct location. Replacement fasteners must be the correct part number for that application. Fasteners requiring replacement or fasteners requiring the use of thread locking compound or sealant are identified in the service procedure. Do not use paints, lubricants, or corrosion inhibitors on fasteners or fastener joint surfaces unless specified. These coatings affect fastener torque and joint clamping force and may damage the fastener. Use the correct tightening sequence and specifications when installing fasteners in order to avoid damage to parts and systems.

  9. Install the right hand air temperature mounting bracket screws.
  10. Tighten
    Tighten the screws to 0.9 N·m (8 lb in).

  11. Install the right hand air temperature actuator. Refer to Temperature Valve Actuator Replacement - Right Side .
  12. Install the heater core cover. Refer to Heater Core Cover Replacement .