GM Service Manual Online
For 1990-2009 cars only
Makes
🢒
Chevrolet
🢒
2007
🢒
Uplander Ext.
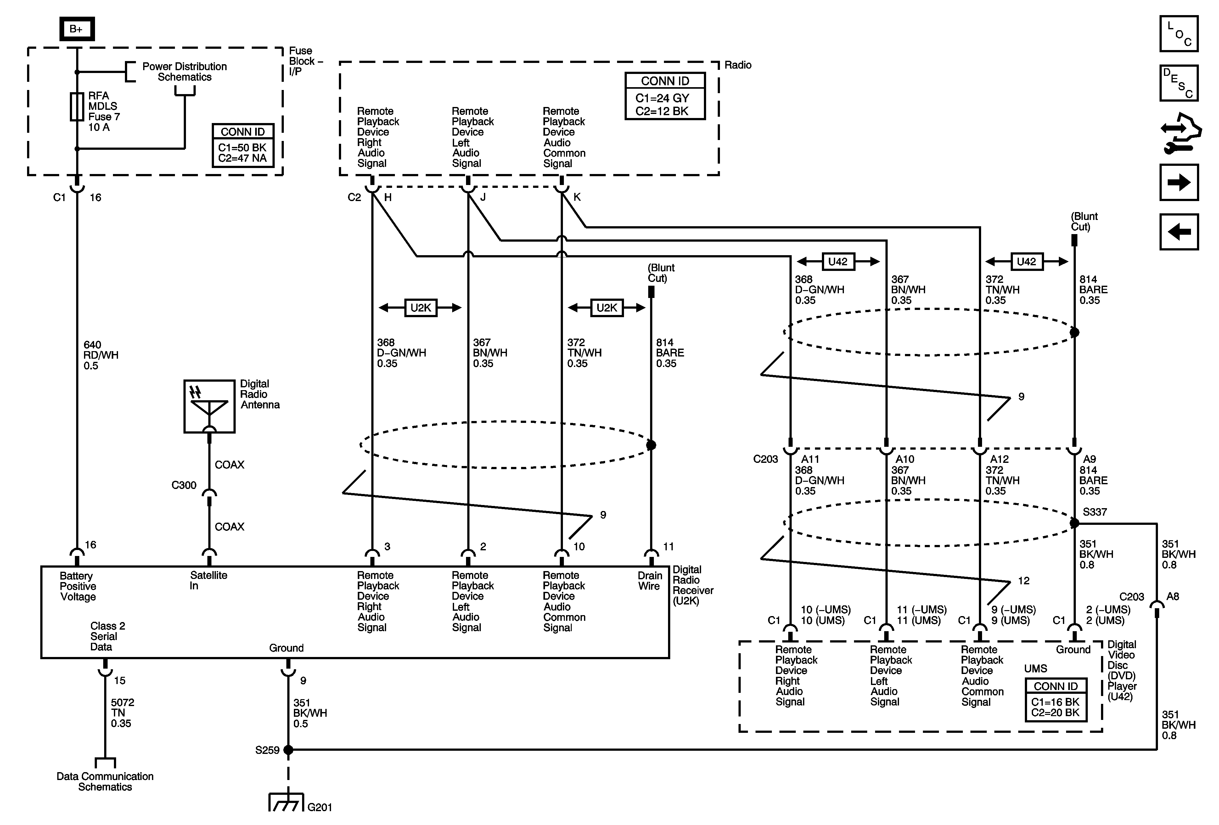
🢒 DVD and Satellite Audio Sources
DVD and Satellite Audio Sources
DVD and Satellite Audio Sources
Master Electrical Component List
Radio/Audio System Description and Operation
Control Module References
Front Speakers
Antennas, Ground, Power, and Subsystem References
CHMSL BCK/UP, PRK LAMP, PWR SLD DR, and RFA MDLS Fuses
Data Communication Schematics
G201