GM Service Manual Online
For 1990-2009 cars only
Makes
🢒
Chevrolet
🢒
2007
🢒
Uplander Ext.
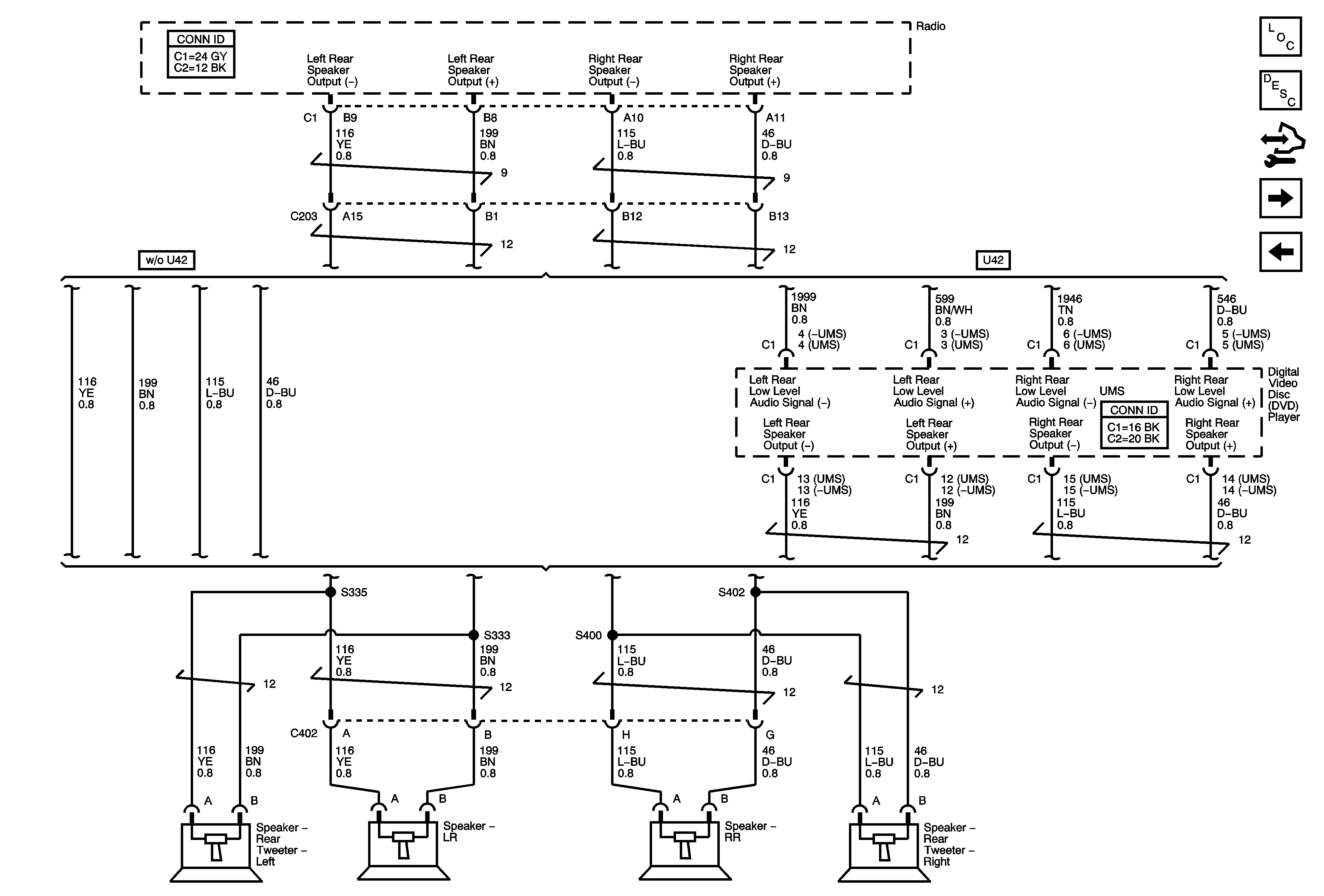
🢒 Rear Speakers
Rear Speakers
Rear Speakers
Master Electrical Component List
Radio/Audio System Description and Operation
Control Module References
Front Speakers