GM Service Manual Online
For 1990-2009 cars only
Makes
🢒
Chevrolet
🢒
2008
🢒
Uplander Ext.
🢒
Engine
🢒
Engine Cooling
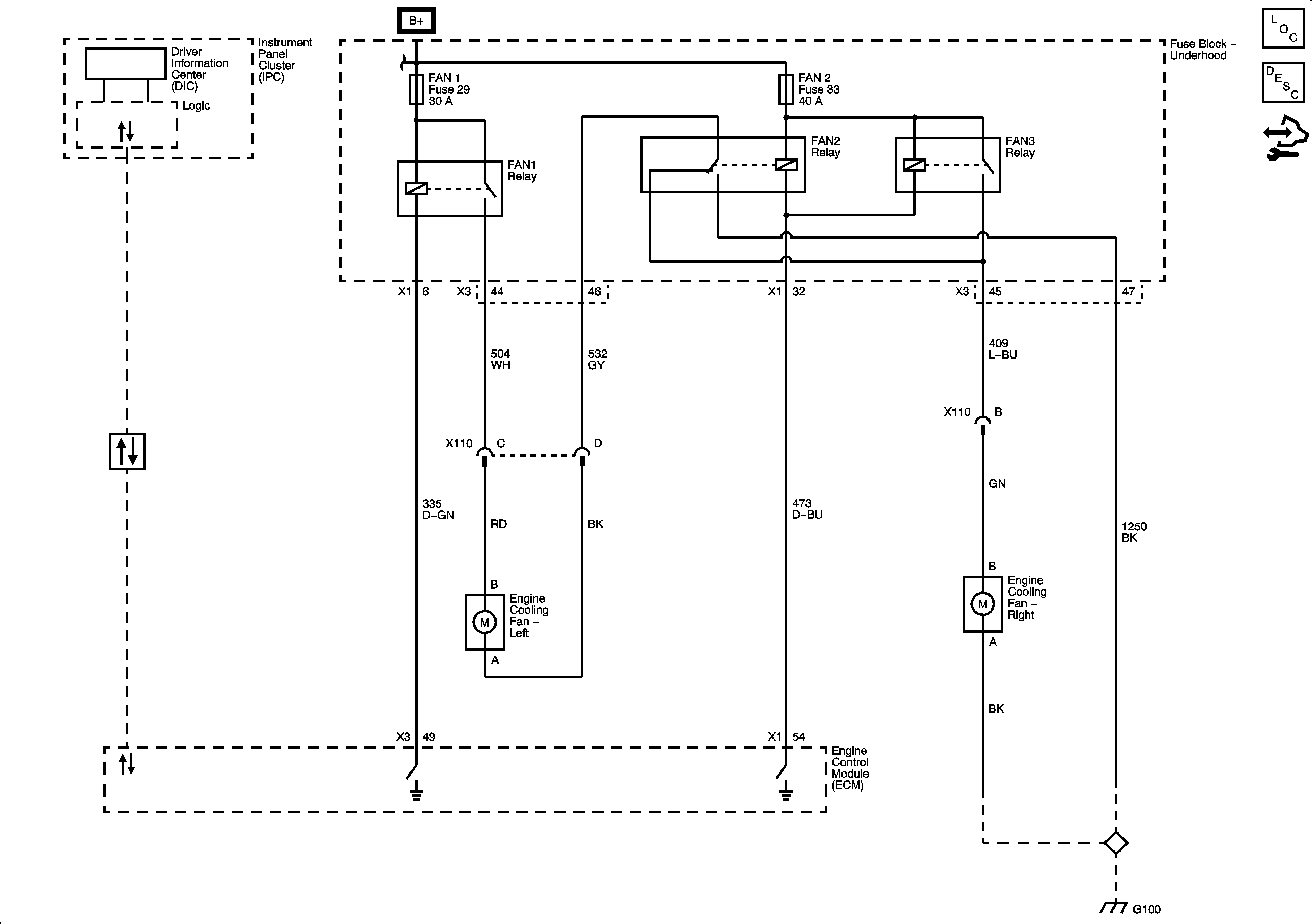
🢒 Engine Cooling Schematics
Master Electrical Component List
Cooling Fan Description and Operation
Control Module References