GM Service Manual Online
For 1990-2009 cars only
Figure 1:

G100 and G101


Object Number: 1921945  Size: FS
Master Electrical Component List
Control Module References
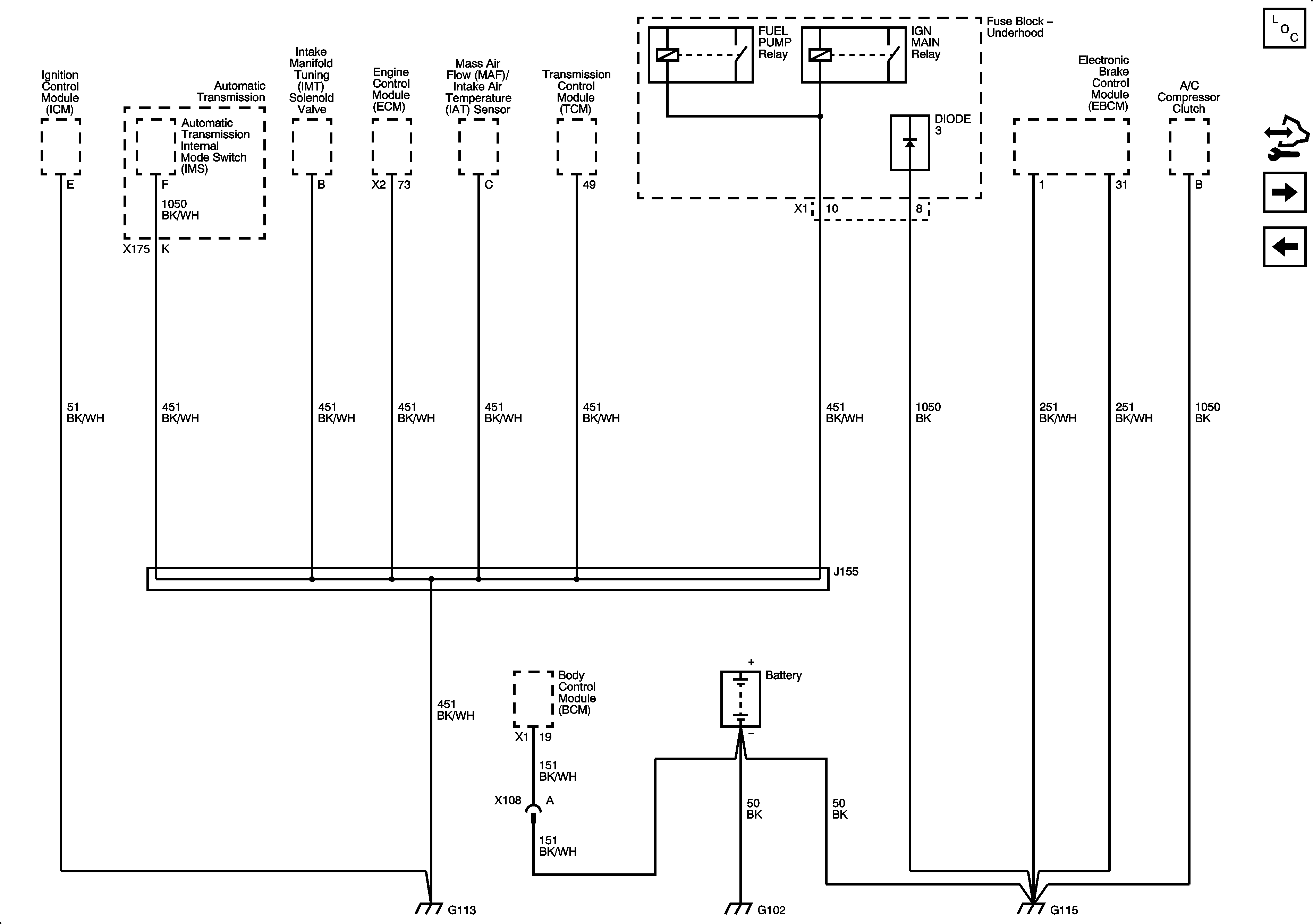
G102, G113 and G115
Figure 2:

G102, G113 and G115


Object Number: 1921947  Size: FS
Master Electrical Component List
Control Module References
G200 - 1 of 2
G100 and G101
Figure 3:

G200 1 of 2


Object Number: 1921949  Size: FS
Master Electrical Component List
Control Module References
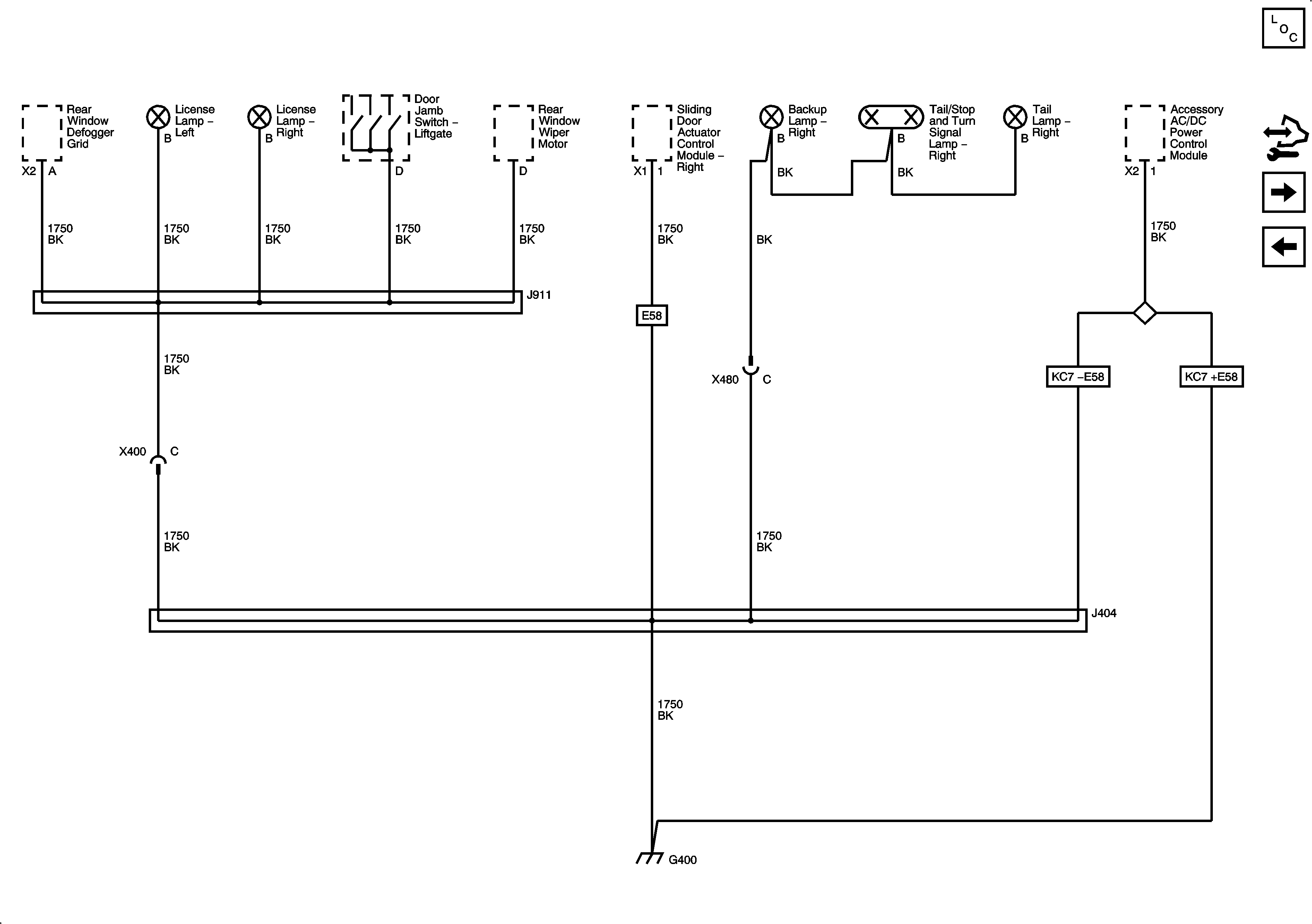
G200 - 2 of 2
G102, G113 and G115
Figure 4:

G200 2 of 2


Object Number: 1921952  Size: FS
Master Electrical Component List
Control Module References
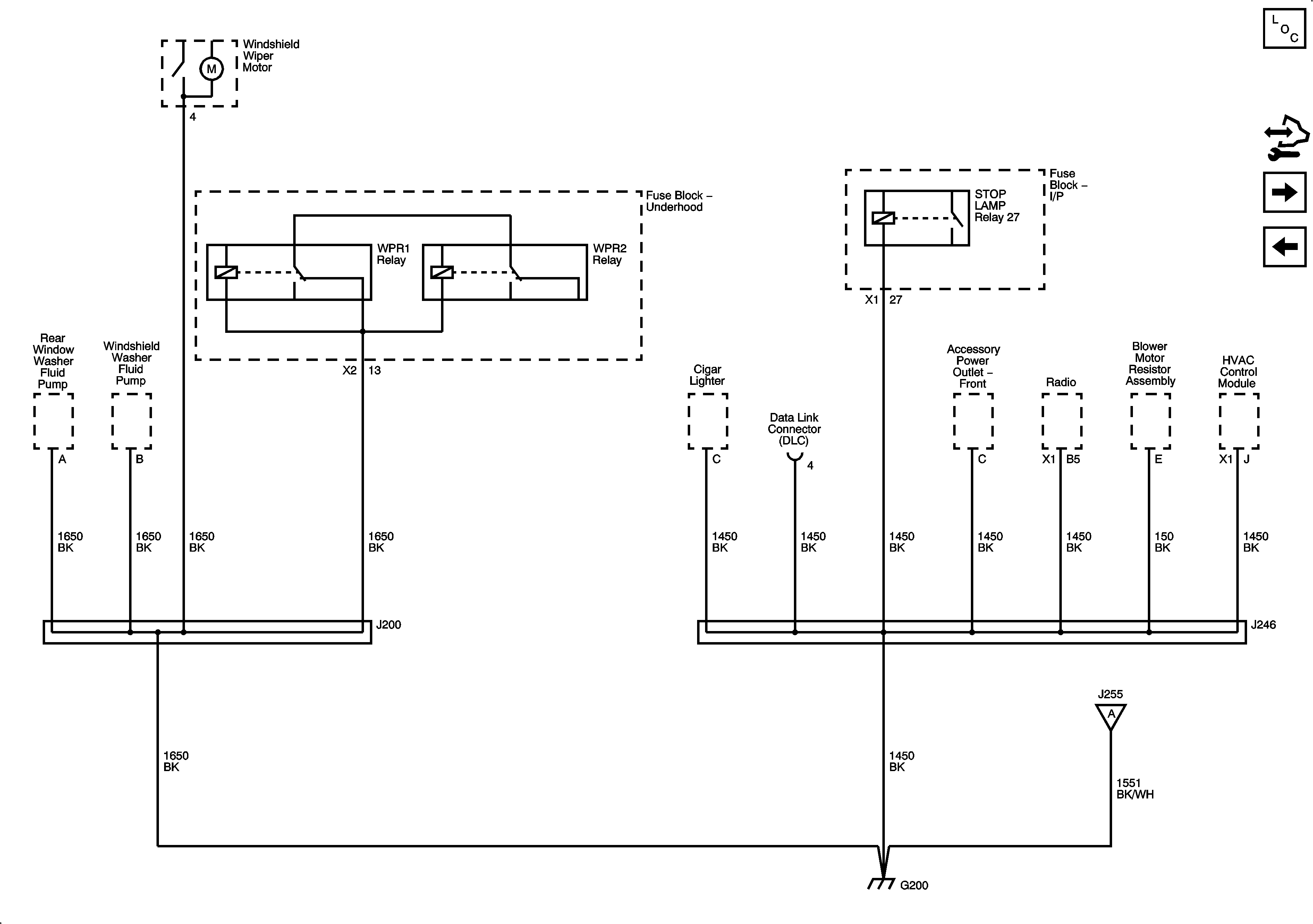
G201
G200 - 1 of 2
Figure 5:

G201


Object Number: 1921954  Size: FS
Master Electrical Component List
Control Module References
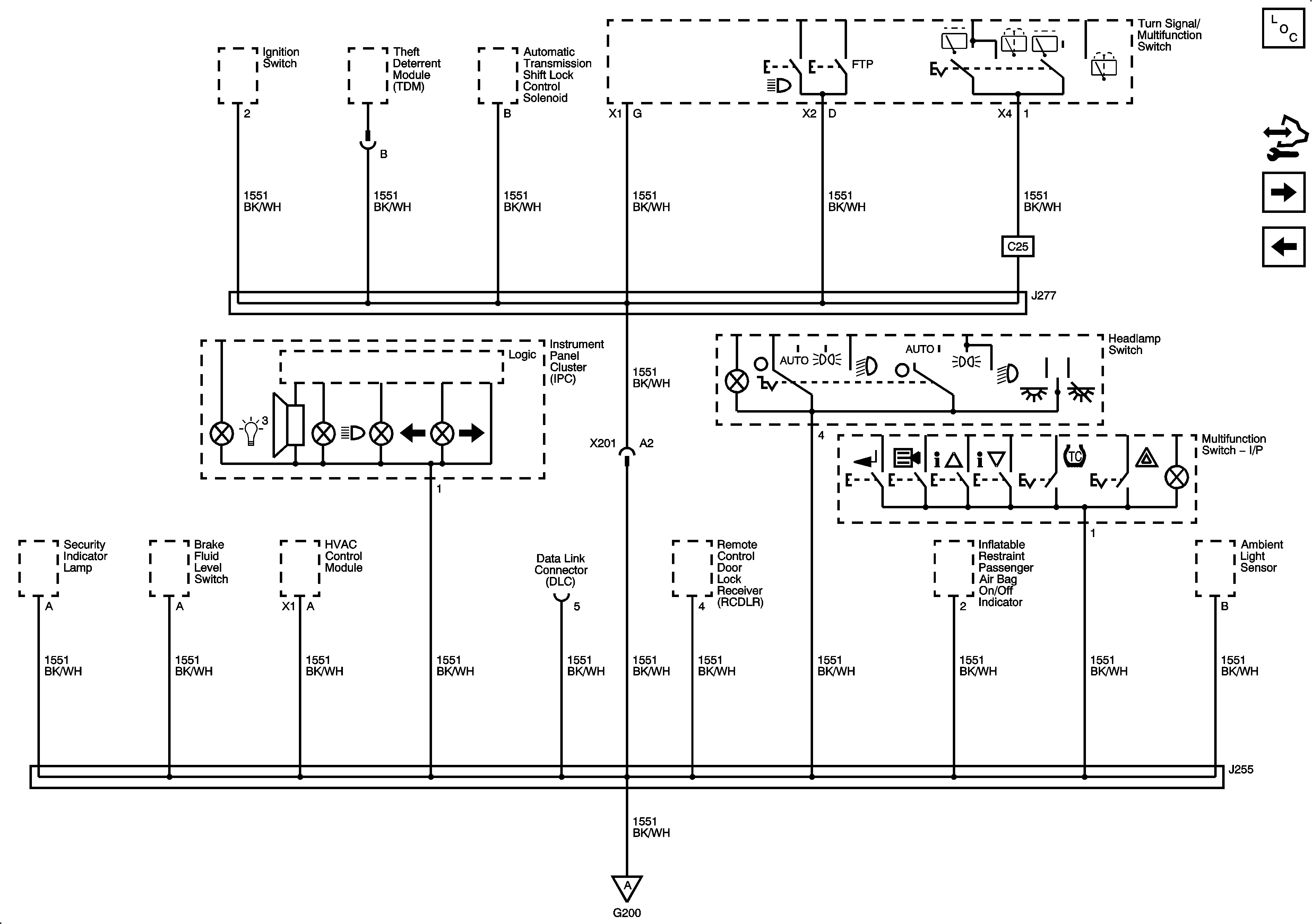
G301
G200 - 2 of 2
Figure 6:

G301


Object Number: 1921956  Size: FS
Master Electrical Component List
Control Module References
G302 - 1 of 2
G201
Figure 7:

G302 1 of 2


Object Number: 1921958  Size: FS
Master Electrical Component List
Control Module References
G302 - 2 of 2
G301
Figure 8:

G302 2 of 2


Object Number: 1921960  Size: FS
Master Electrical Component List
Control Module References
G400
G302 - 1 of 2
Figure 9:

G400


Object Number: 1921962  Size: FS
Master Electrical Component List
Control Module References
G401
G302 - 2 of 2
Figure 10:

G401


Object Number: 1921965  Size: FS
Master Electrical Component List
Control Module References
G400