| Figure 1: |
Forward Lamp Harness Components
|
| Figure 2: |
Right Side of Engine Compartment
|
| Figure 3: |
Engine Harness Components
|
| Figure 4: |
Fuel Rail (LGD/LZ9)
|
| Figure 5: |
Antenna Components
|
| Figure 6: |
Left Side of I/P
|
| Figure 7: |
Right Side of I/P
|
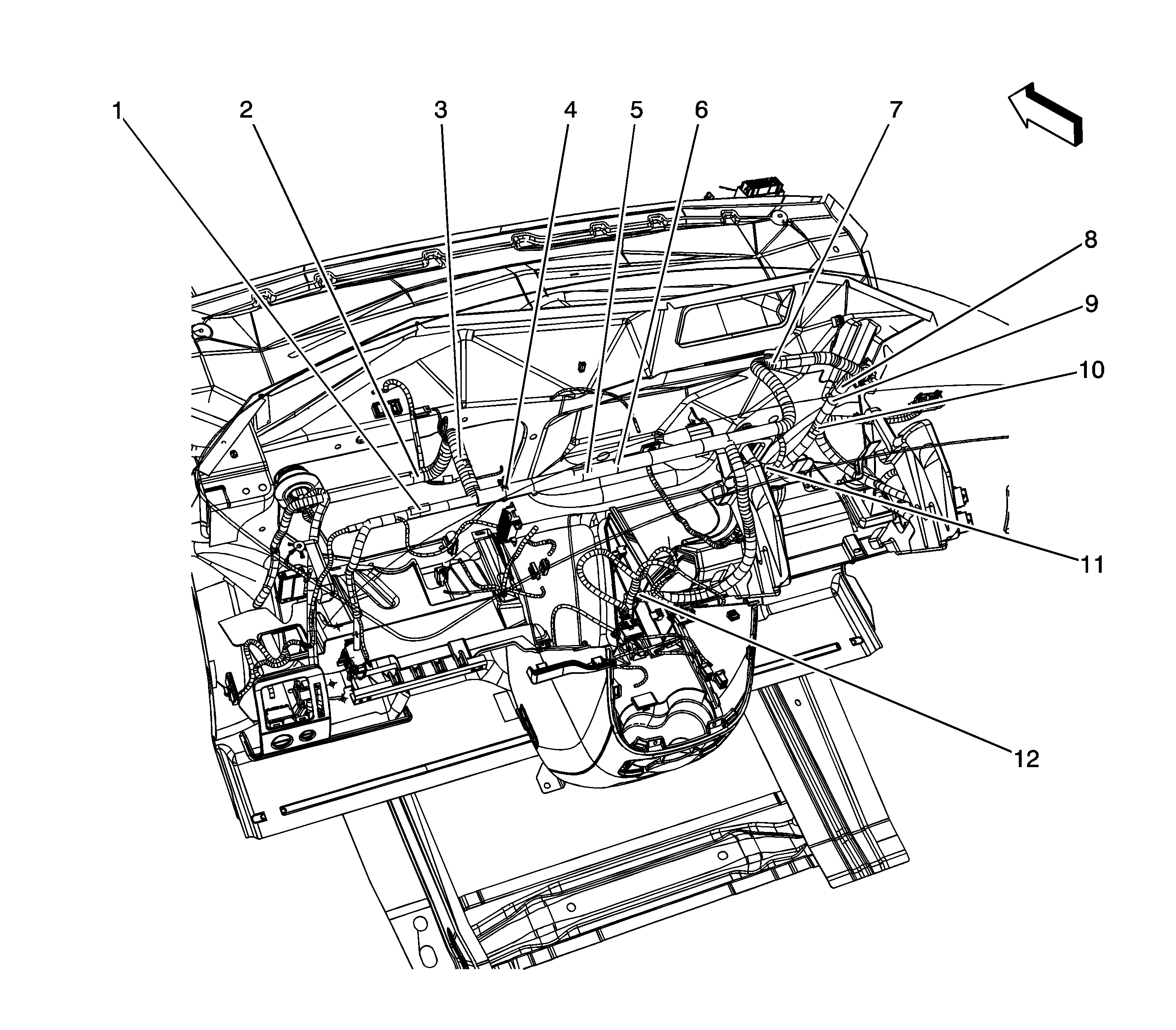
| Figure 8: |
Right Side of I/P Components
|
| Figure 9: |
I/P Harness Splice Locations
|
| Figure 10: |
Steering Column Components
|
| Figure 11: |
Steering Wheel Components
|
| Figure 12: |
Driver Door Harness Components
|
| Figure 13: |
Passenger Door Harness Components
|
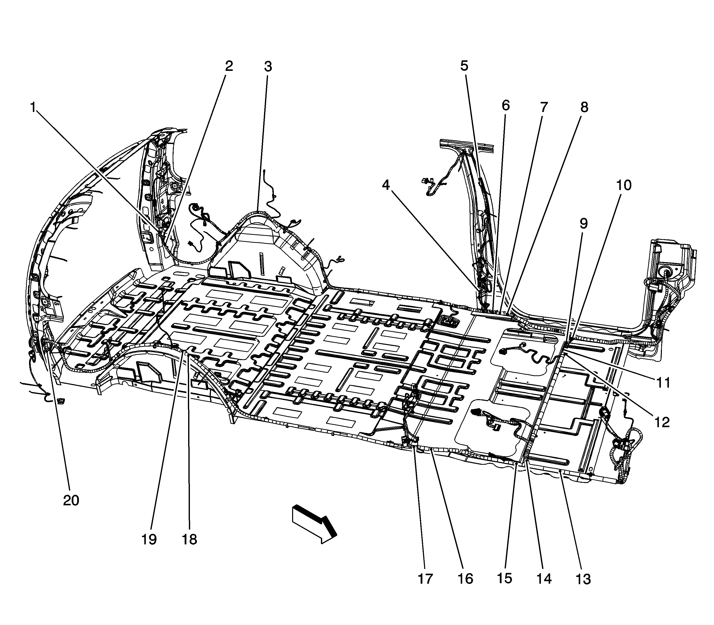
| Figure 14: |
Body Harness Components 1 of 3
|
| Figure 15: |
Body Harness Components 2 of 3
|
| Figure 16: |
Body Harness Components 3 of 3 (Splice Locations)
|
| Figure 17: |
Left Sliding Door Harness Components
|
| Figure 18: |
Right Sliding Door Harness Components
|
| Figure 19: |
Headliner Harness Components 1 of 2
|
| Figure 20: |
Headliner Harness Components 2 of 2
|
| Figure 21: |
Left B Pillar Area Components - Body Harness
|
| Figure 22: |
Right B Pillar Area Components - Body Harness
|
| Figure 23: |
Fuel Tank Components (SWB)
|
| Figure 24: |
Fuel Tank Components (LWB)
|
| Figure 25: |
Left Rear Frame and Underbody
|
| Figure 26: |
Twist Axle - Rear (FWD)
|
| Figure 27: |
Liftgate Harness Components
|
| Figure 28: |
Rear Lower Bumper (RPA Harness) (UD7)
|