GM Service Manual Online
For 1990-2009 cars only
Makes
🢒
Chevrolet
🢒
2008
🢒
Uplander Ext.
🢒
Diagnostic Navigation
🢒
Vehicle Diagnostic Information
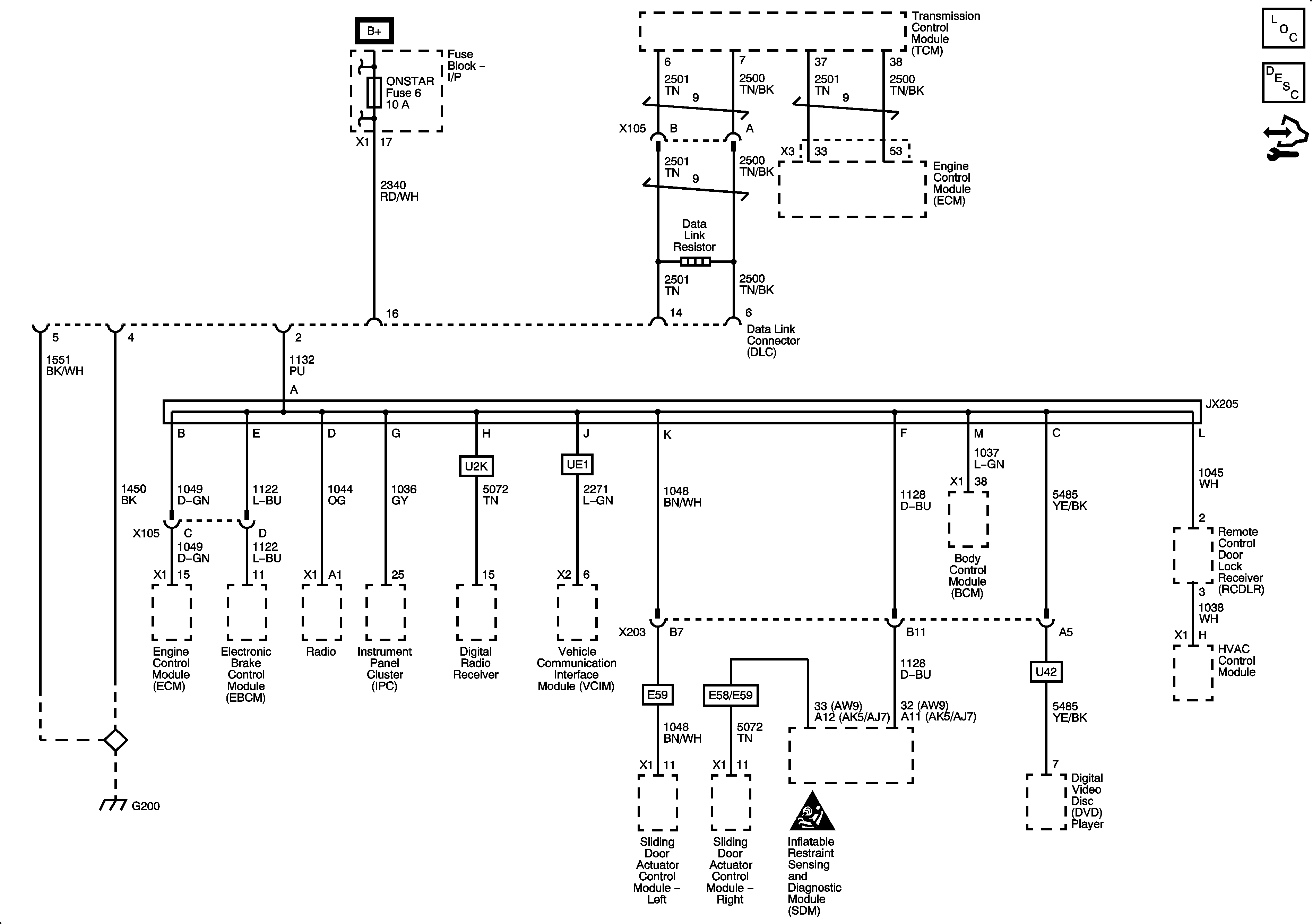
🢒 Data Communication Schematics
Master Electrical Component List
Data Link Communications Description and Operation
Control Module References