GM Service Manual Online
For 1990-2009 cars only
Figure 1:

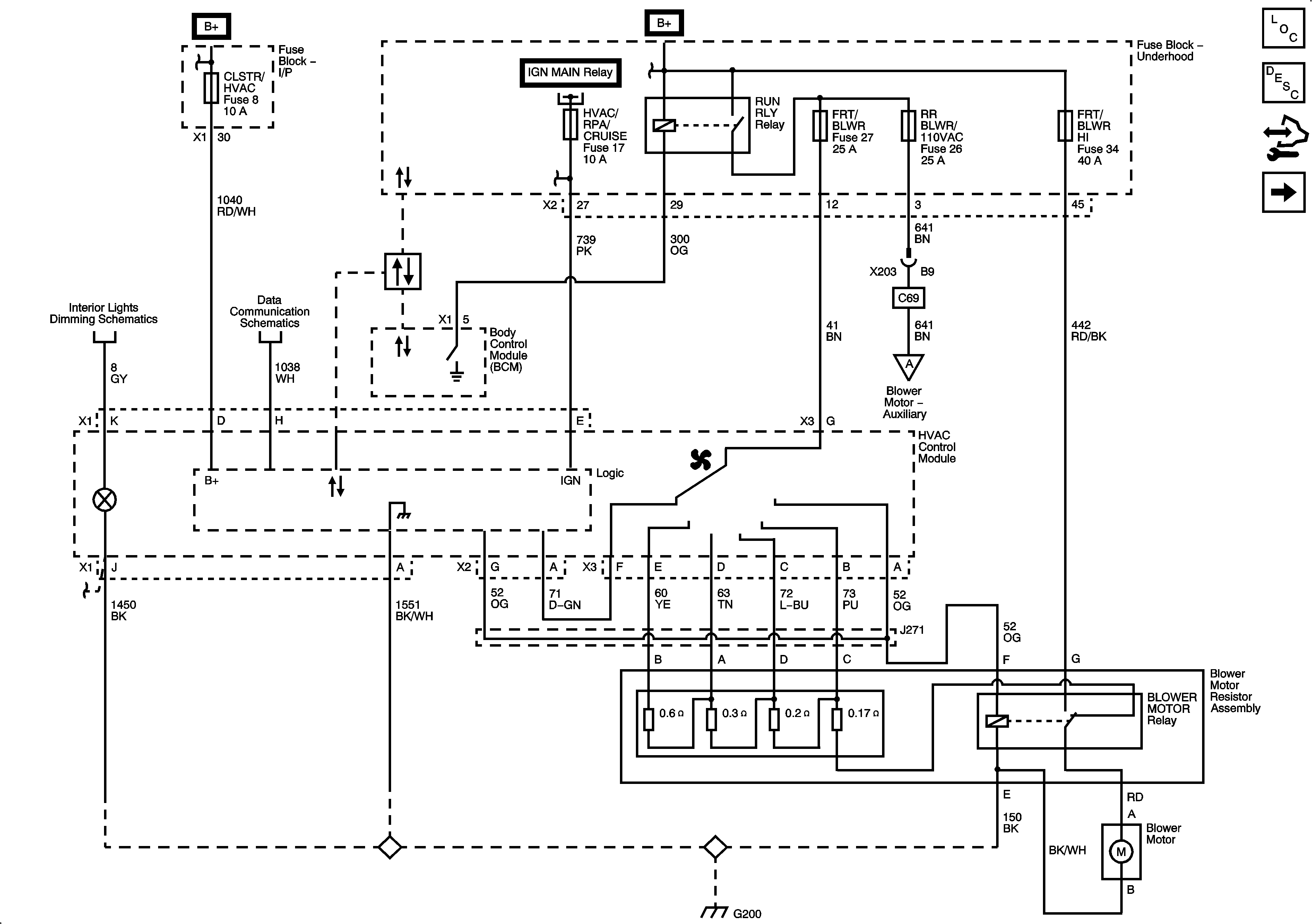
Front Blower Control, Ground, and Power


Object Number: 1921496  Size: FS
Master Electrical Component List
Air Delivery Description and Operation
Control Module References
Air Delivery and Temperature Control
Figure 2:

Air Delivery and Temperature Control


Object Number: 1921498  Size: FS
Master Electrical Component List
Air Delivery Description and Operation
Control Module References
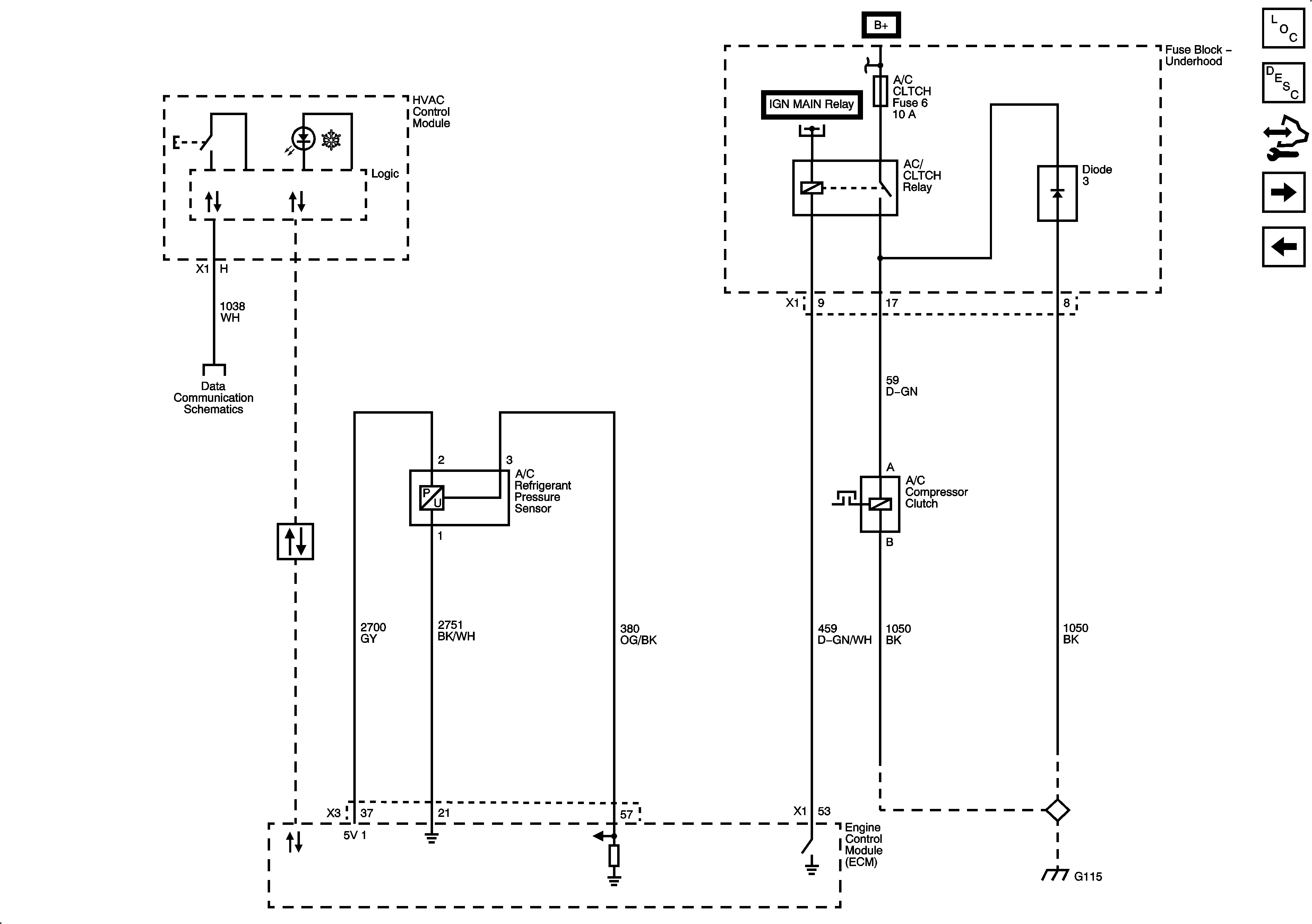
A/C Compressor Controls
Front Blower Control, Ground and Power
Figure 3:

A/C Compressor Controls


Object Number: 1921500  Size: FS
Master Electrical Component List
Air Temperature Description and Operation
Control Module References
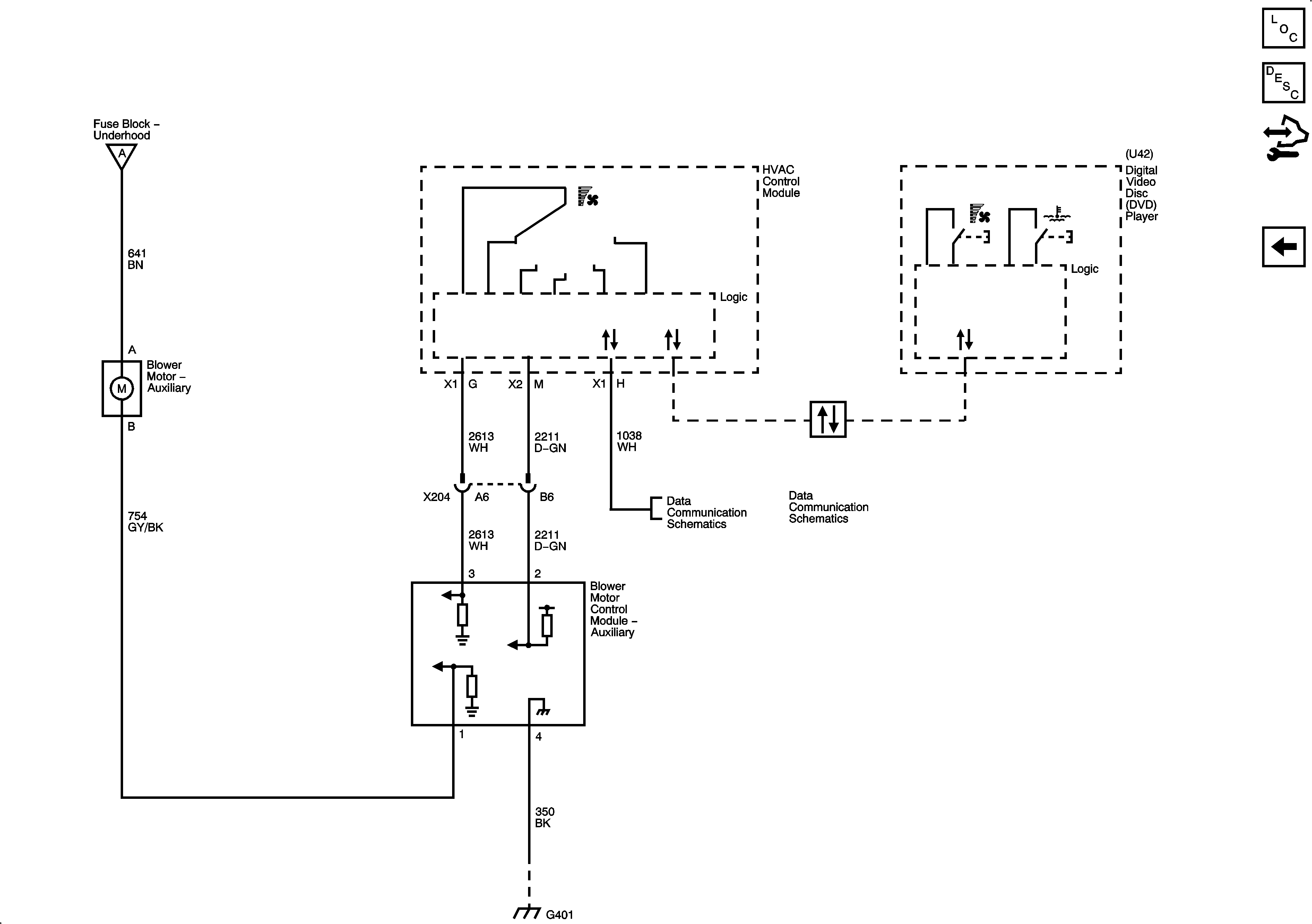
Auxiliary Blower Controls (C69)
Air Delivery and Temperature Control
Figure 4:

Auxiliary Blower Controls (C69)


Object Number: 1921502  Size: FS
Master Electrical Component List
Air Delivery Description and Operation
Control Module References
A/C Compressor Controls