GM Service Manual Online
For 1990-2009 cars only
Makes
🢒
Chevrolet
🢒
2008
🢒
Uplander Ext.
🢒
Diagnostic Navigation
🢒
Vehicle Diagnostic Information
🢒 Exterior Lights Schematics
Figure
1:
Park, Marker, and License Lamps
Master Electrical Component List
Exterior Lighting Systems Description and Operation
Control Module References
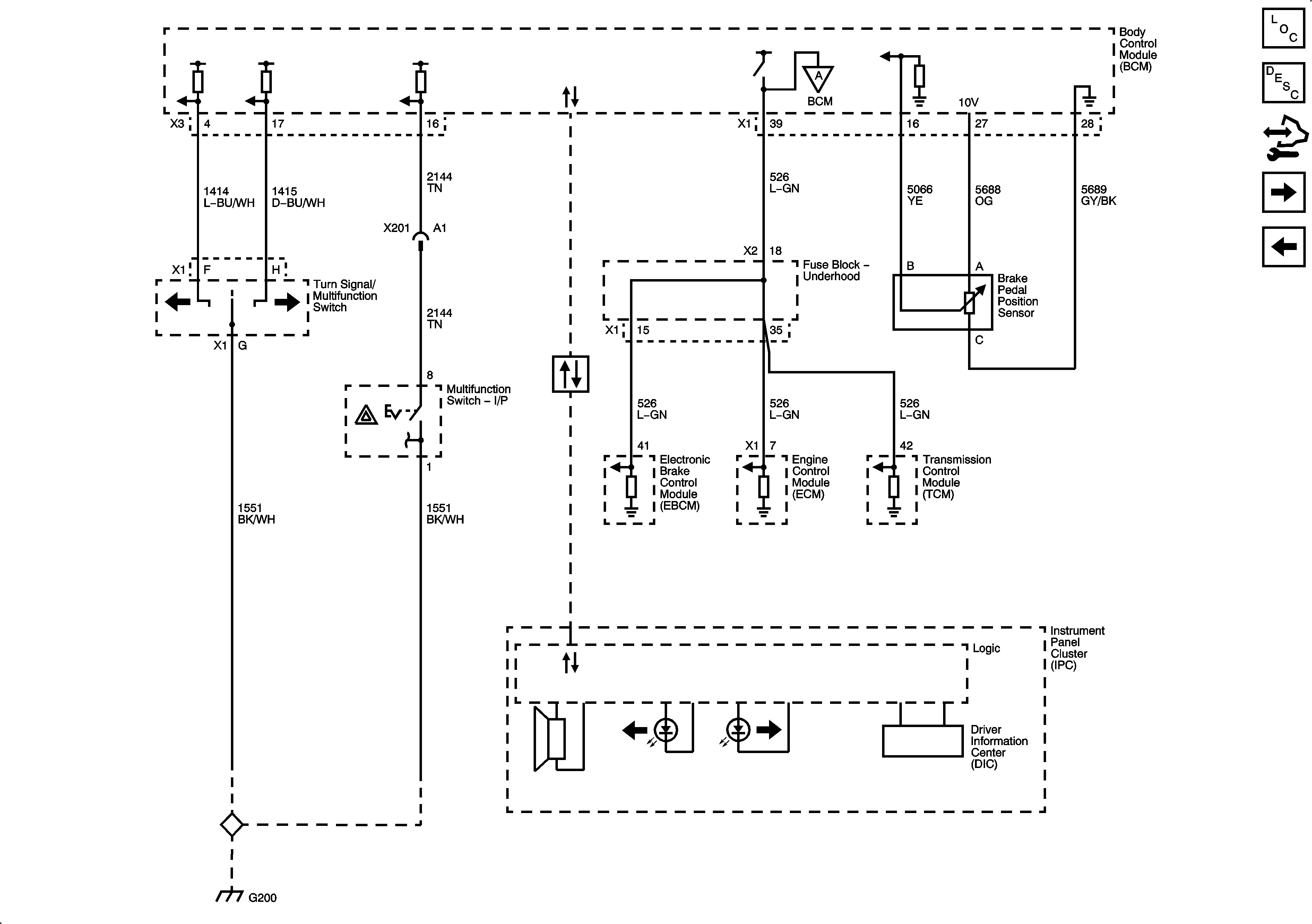
Stop/Turn Signal Lamps Controls and Indicators
Figure
2:
Stop/Turn Signal Lamps Controls and Indicators
Master Electrical Component List
Exterior Lighting Systems Description and Operation
Control Module References
Park/Turn and Stop/Turn Signal Lamps
Park, Marker and License Lamps
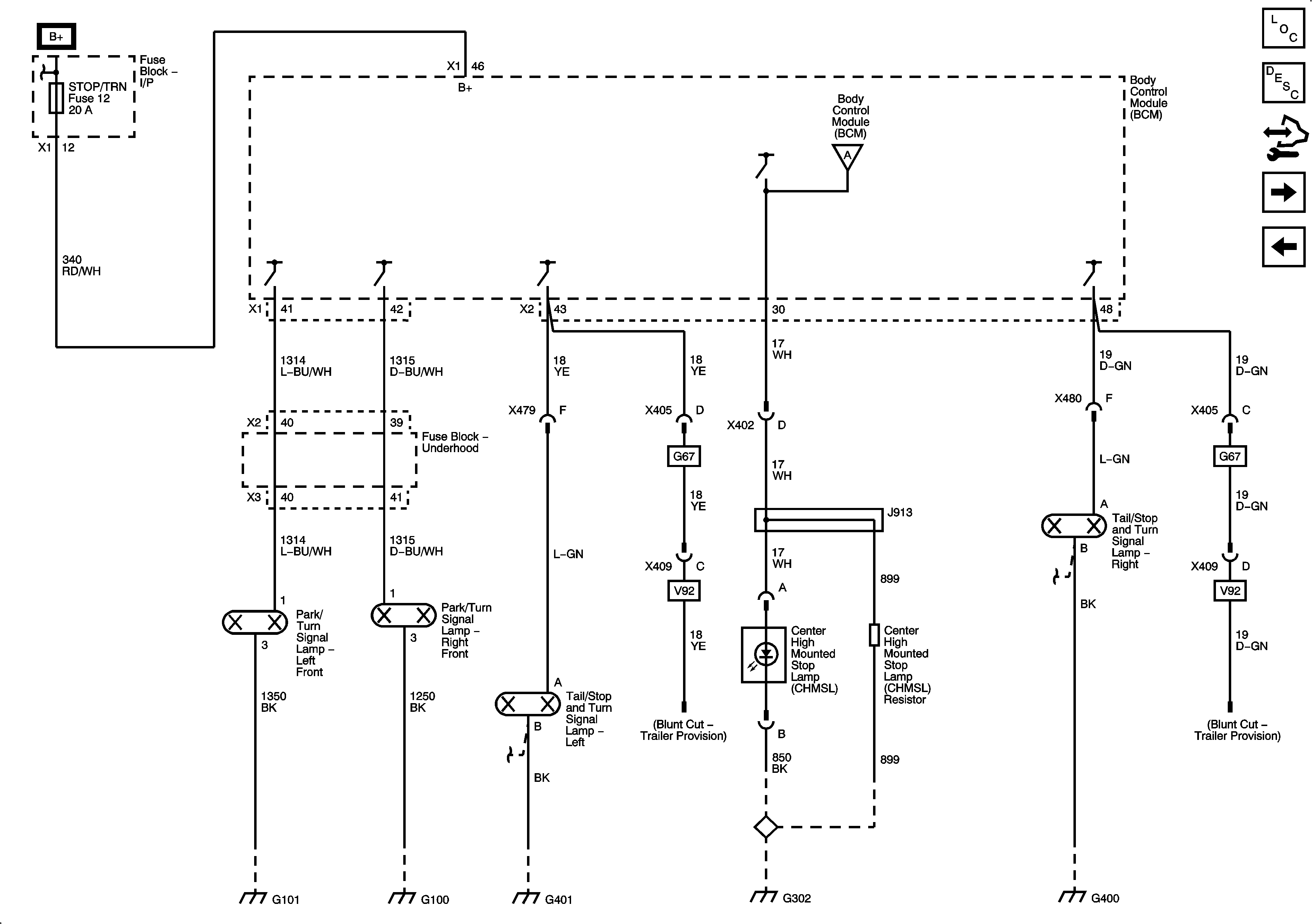
Figure
3:
Park/Turn and Stop/Turn Signal Lamps
Master Electrical Component List
Exterior Lighting Systems Description and Operation
Control Module References
Backup Lamps
Stop/Turn Signal Lamps Controls and Indicators
Figure
4:
Backup Lamps
Master Electrical Component List
Exterior Lighting Systems Description and Operation
Control Module References
Park/Turn and Stop/Turn Signal Lamps