GM Service Manual Online
For 1990-2009 cars only
Makes
🢒
Chevrolet
🢒
2008
🢒
Uplander Ext.
🢒
Body Systems
🢒
Lighting
🢒 Interior Lights Schematics
Figure
1:
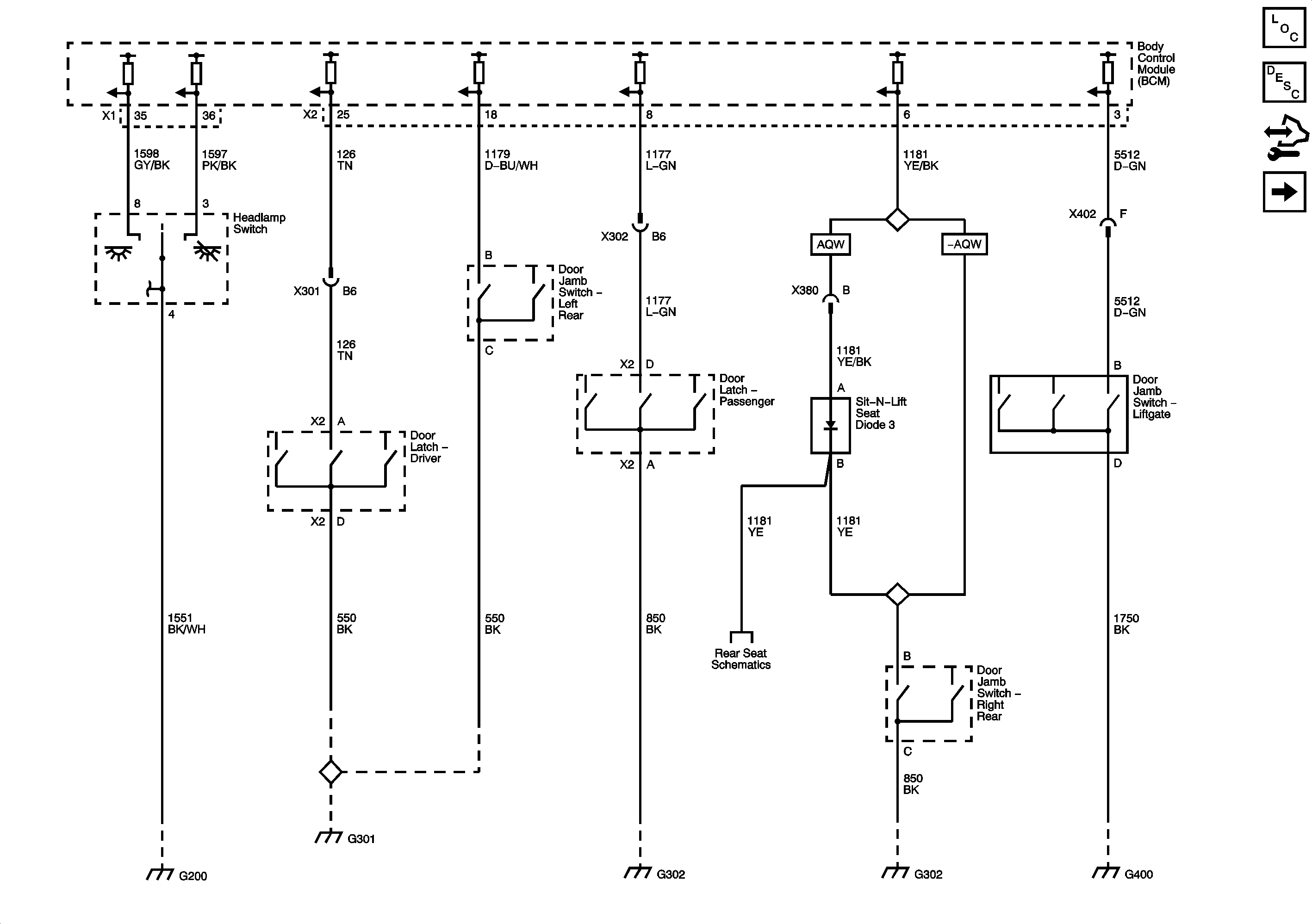
Switches
Master Electrical Component List
Interior Lighting Systems Description and Operation
Control Module References
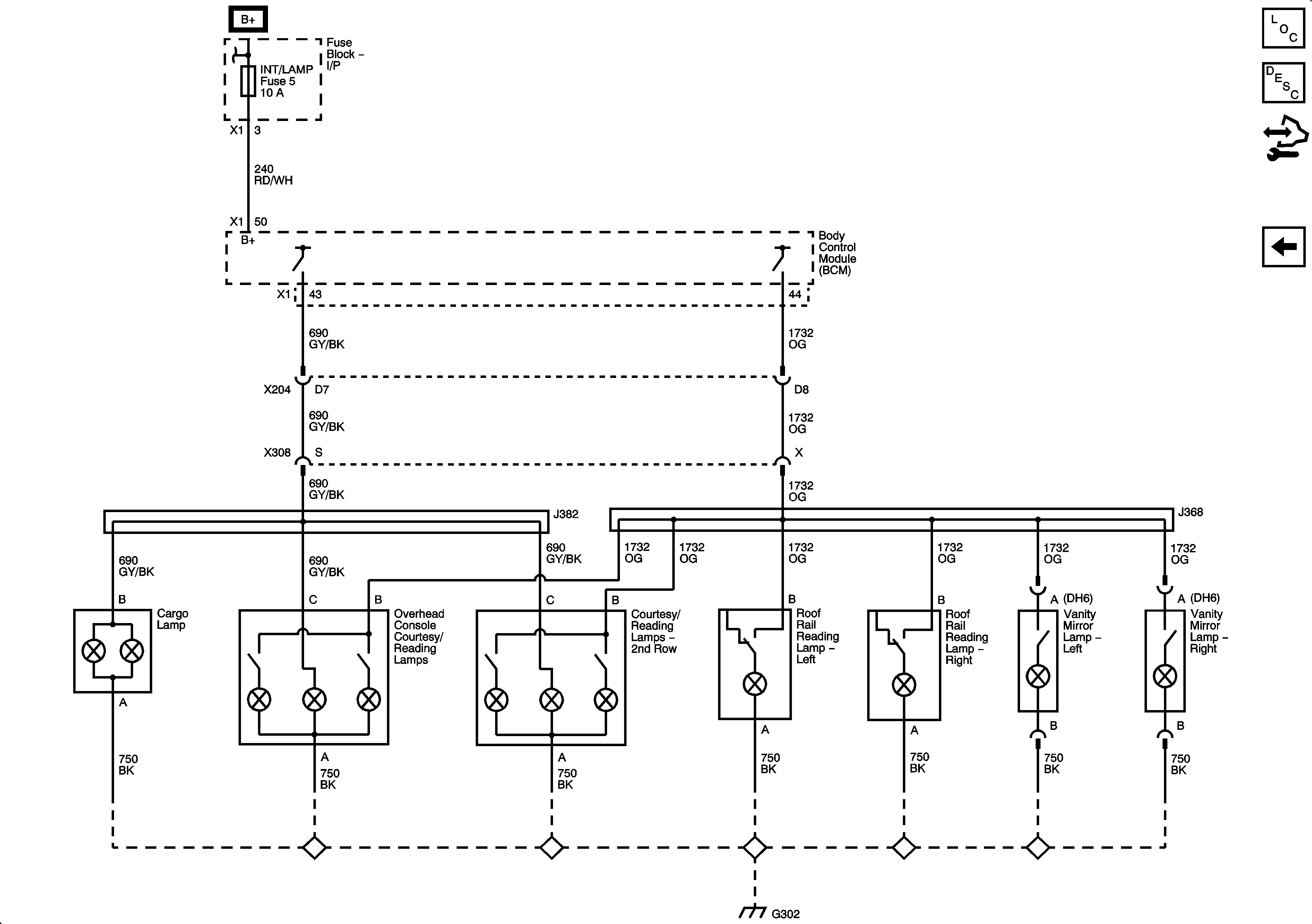
Lamps
Figure
2:
Lamps
Master Electrical Component List
Interior Lighting Systems Description and Operation
Control Module References
Switches