GM Service Manual Online
For 1990-2009 cars only
Makes
🢒
Chevrolet
🢒
2008
🢒
Uplander Ext.
🢒
Body Systems
🢒
Vehicle Access
🢒 Door Lock/Indicator Schematics
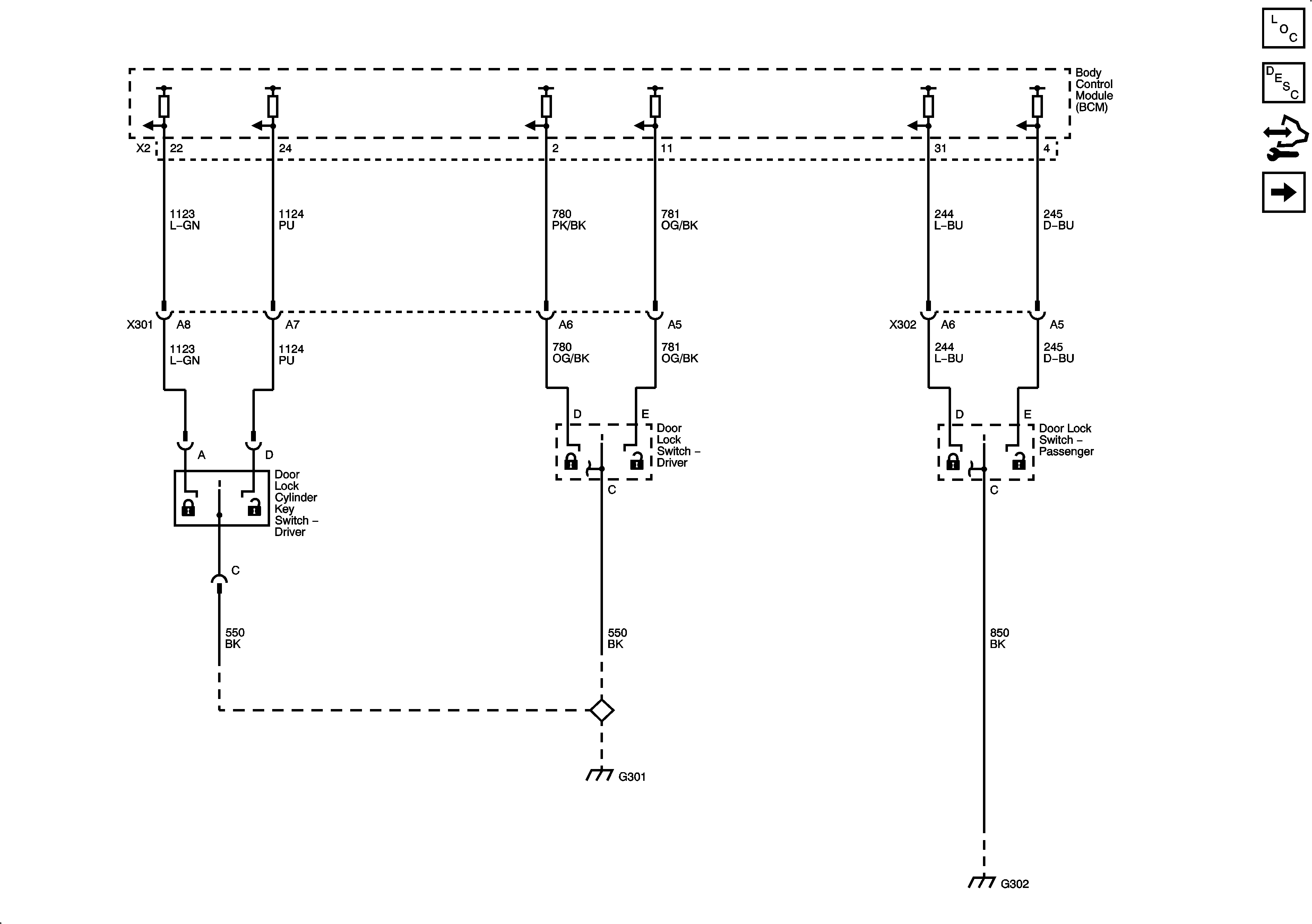
Figure
1:
Switches
Master Electrical Component List
Power Door Locks Description and Operation
Control Module References
Actuators
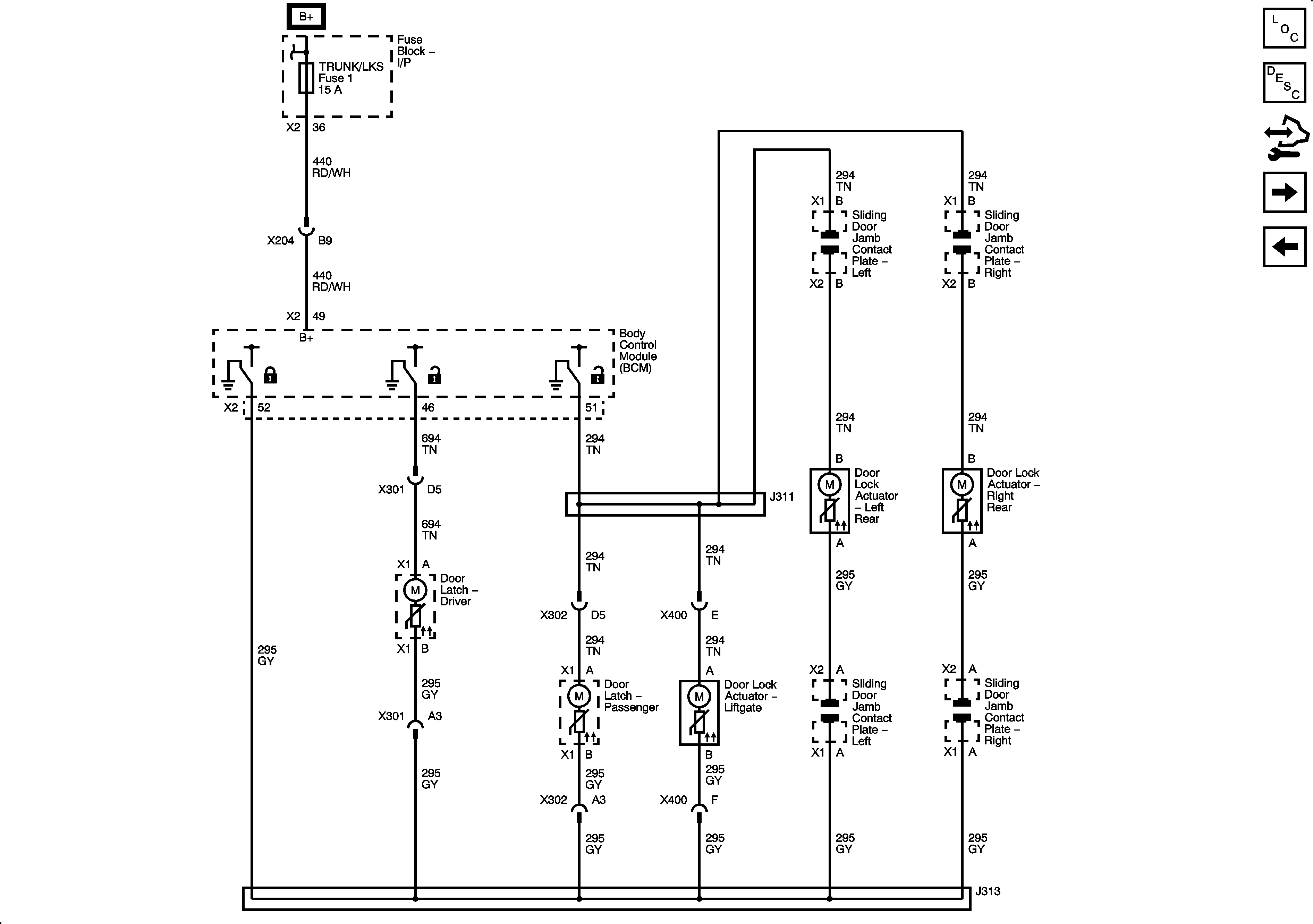
Figure
2:
Actuators
Master Electrical Component List
Power Door Locks Description and Operation
Control Module References
Indicators
Switches
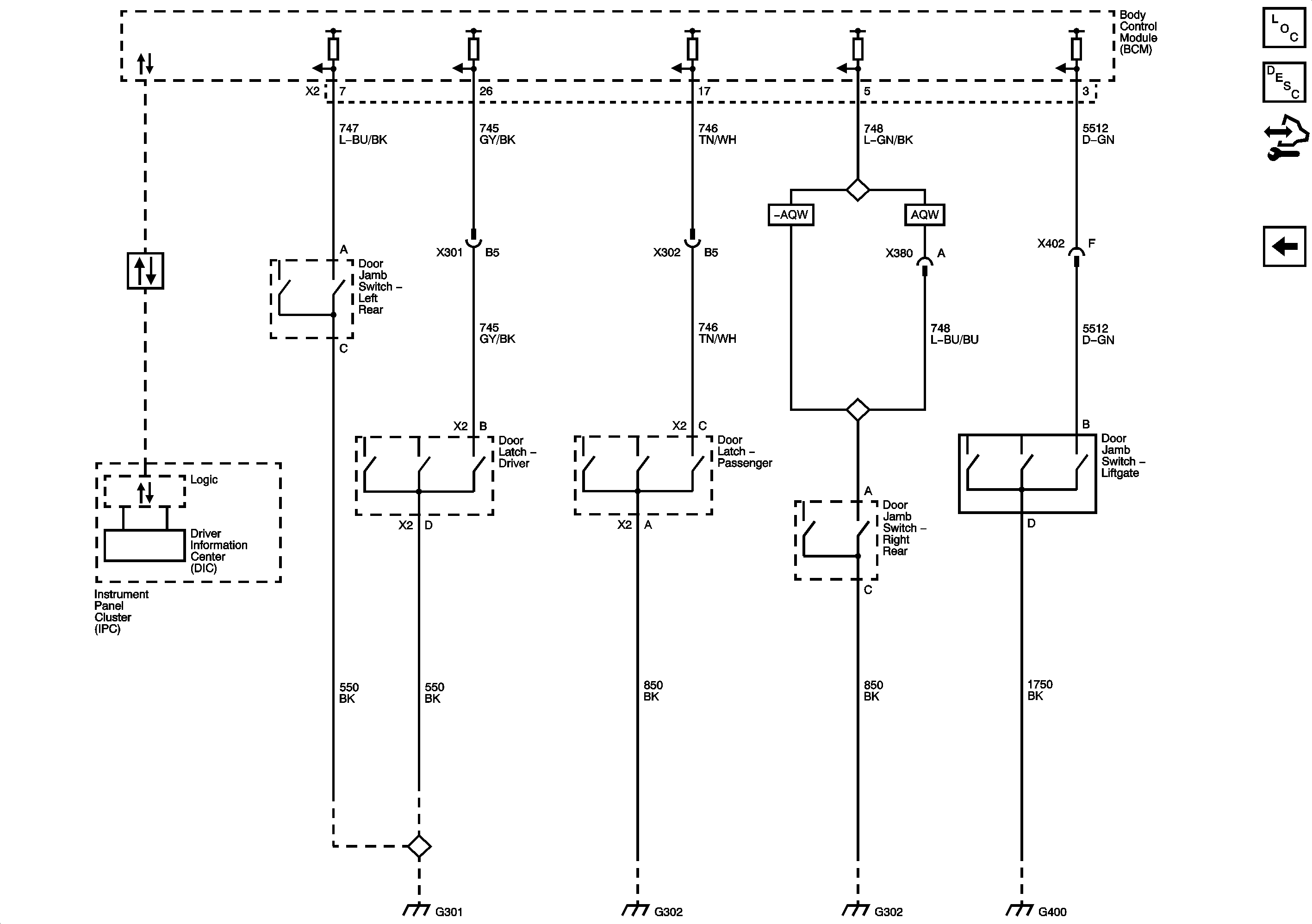
Figure
3:
Indicators
Master Electrical Component List
Door Ajar Indicator Description and Operation
Control Module References
Actuators