GM Service Manual Online
For 1990-2009 cars only
Makes
🢒
Chevrolet
🢒
2008
🢒
Uplander Ext.
🢒
Body Systems
🢒
Wipers and Washers
🢒 Wiper/Washer Schematics
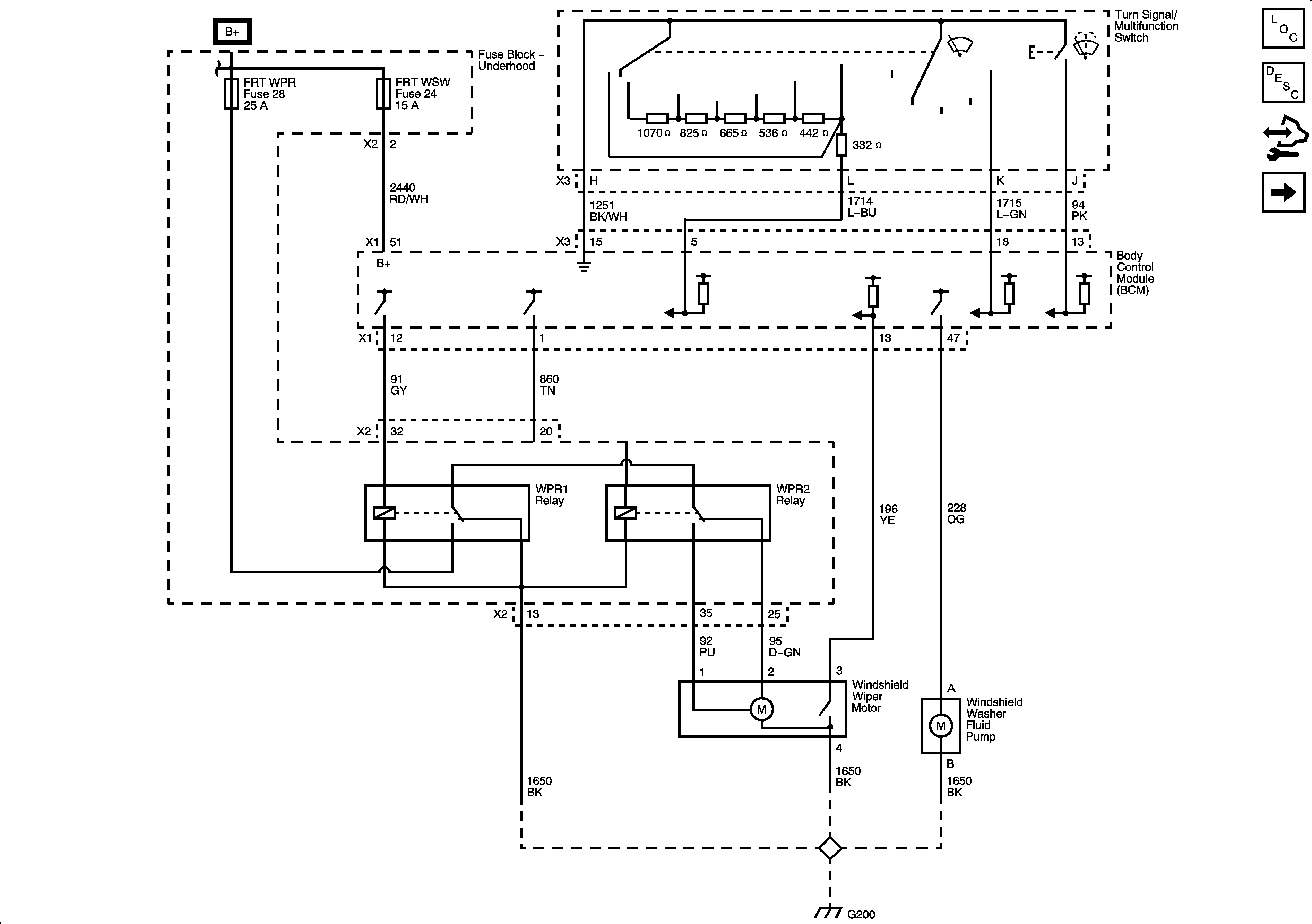
Figure
1:
Front
Master Electrical Component List
Wiper/Washer System Description and Operation Wiper and Washers
Control Module References
Rear
Figure
2:
Rear
Master Electrical Component List
Rear Wiper/Washer System Description and Operation
Control Module References
Front