GM Service Manual Online
For 1990-2009 cars only
Makes
🢒
Chevrolet
🢒
2008
🢒
Uplander Ext.
🢒
Transmission/Transaxle
🢒
Automatic Transaxle - 4T65-E
🢒 Automatic Transmission Controls Schematics
Figure
1:
Ground, Power, Shift Solenoids, Stop Lamp Switch, TCC, and TFT
Master Electrical Component List
Electronic Component Description
Control Module References
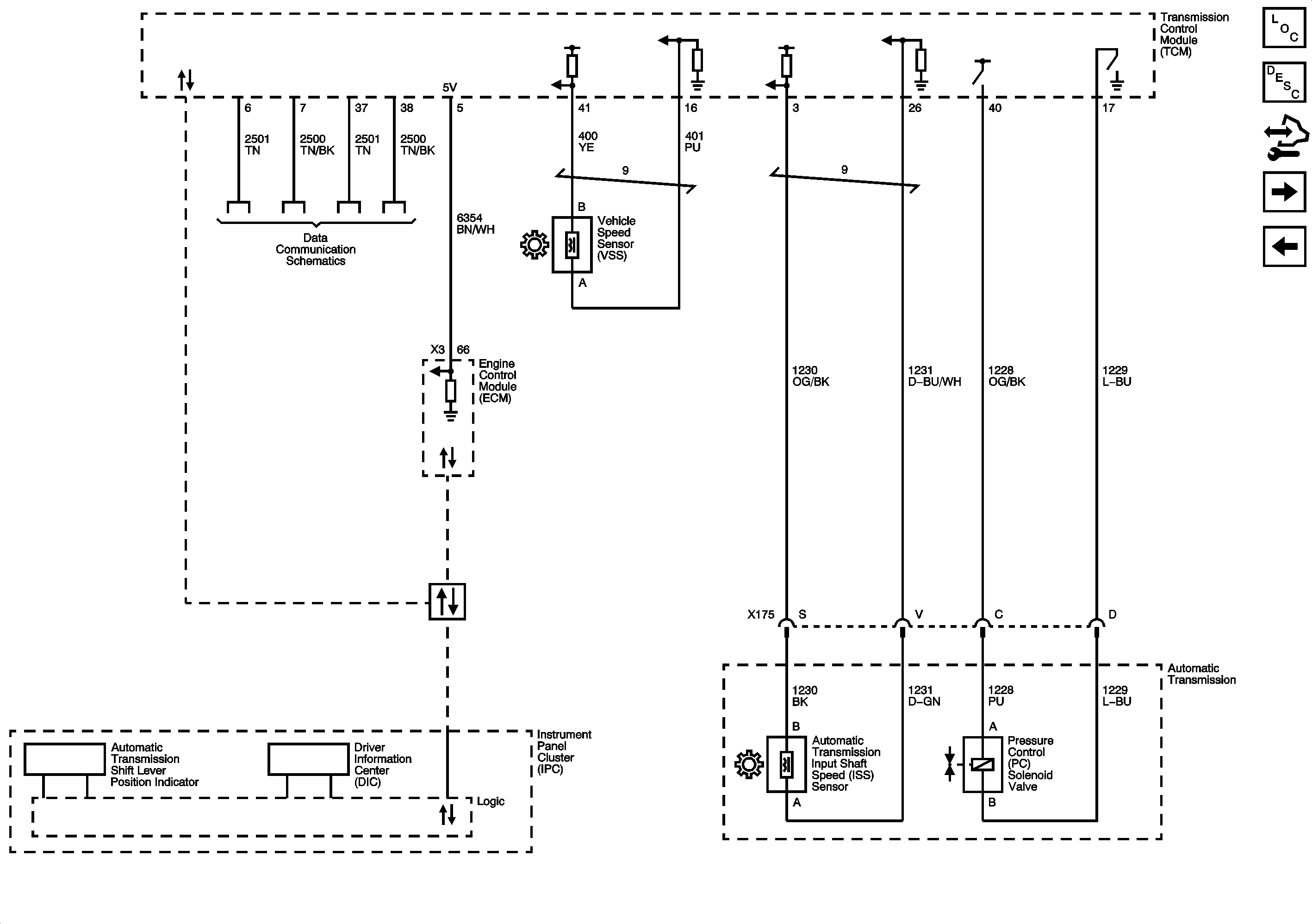
Indicators, ISS, Pressure Control, Serial Data and VSS
Figure
2:
Indicators, ISS, Pressure Control, Serial Data, and VSS
Master Electrical Component List
Electronic Component Description
Control Module References
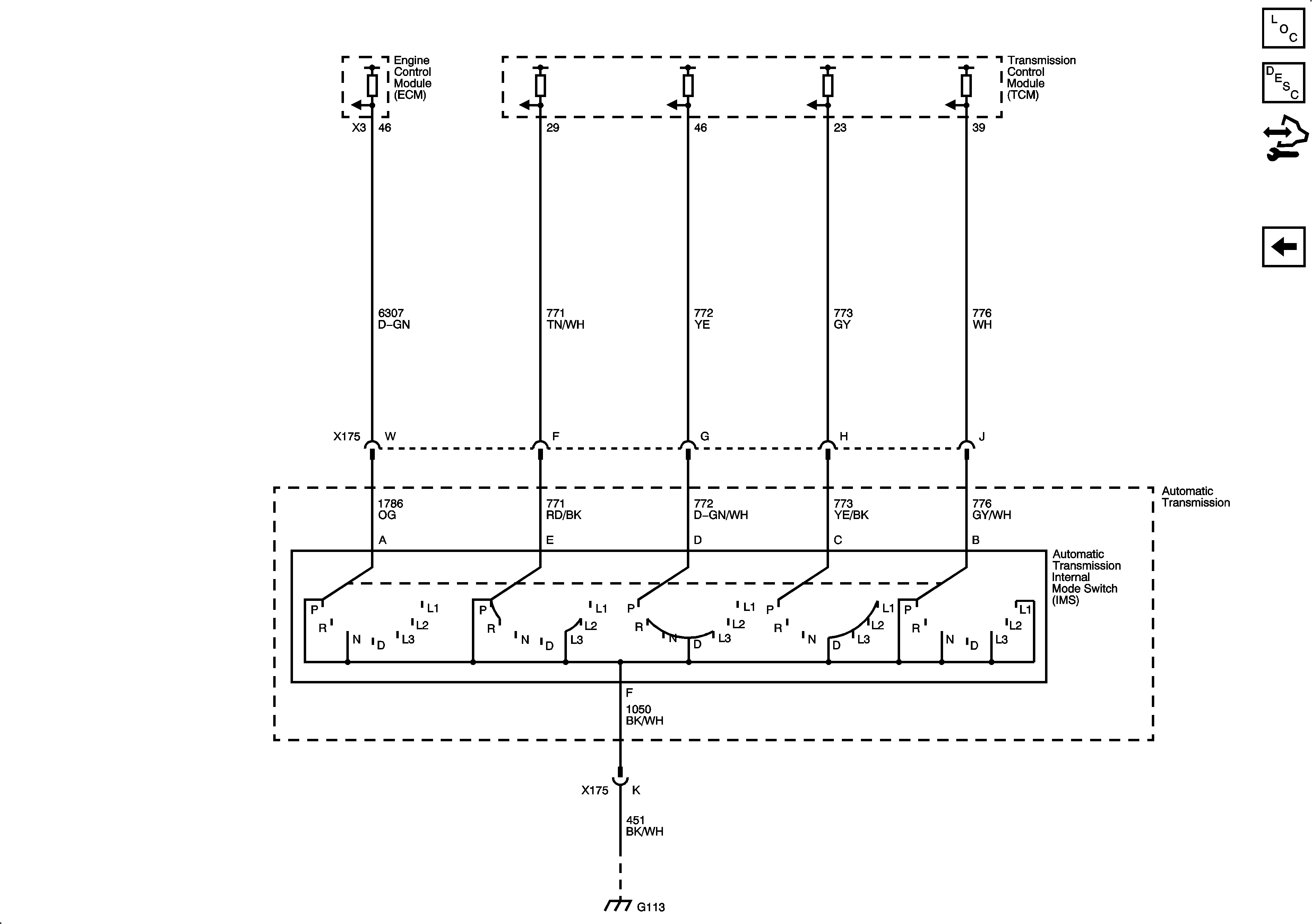
Internal Mode Switch
Ground, Power, Shift Solenoids, Stop Lamp Switch, TCC and TFT
Figure
3:
Internal Mode Switch
Master Electrical Component List
Electronic Component Description
Control Module References
Indicators, ISS, Pressure Control, Serial Data and VSS