GM Service Manual Online
For 1990-2009 cars only
Makes
🢒
Chevrolet
🢒
2008
🢒
Uplander Ext.
🢒
Seats
🢒
Seat Heating and Cooling
🢒 Heated/Cooled Seat Schematics
Figure
1:
Driver Seat
Master Electrical Component List
Heated Seats Description and Operation
Control Module References
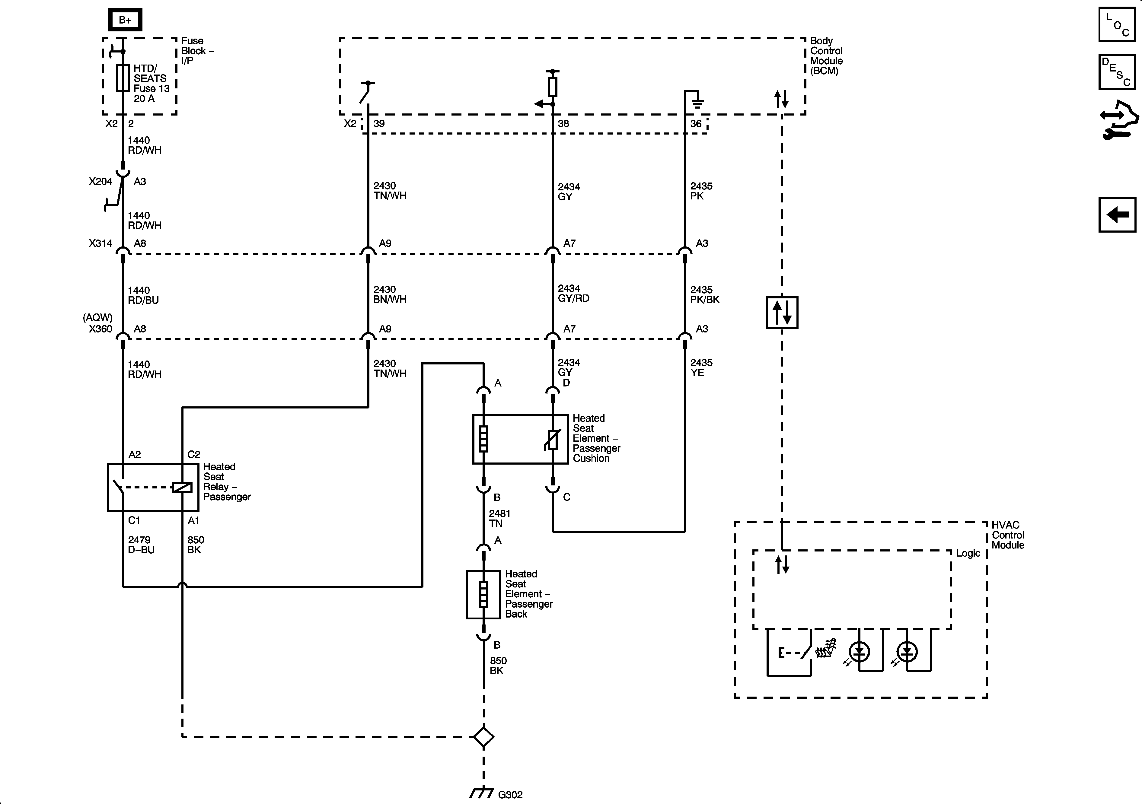
Passenger Seat
Figure
2:
Passenger Seat
Master Electrical Component List
Heated Seats Description and Operation
Control Module References
Driver Seat