GM Service Manual Online
For 1990-2009 cars only
Makes
🢒
Chevrolet
🢒
2008
🢒
Uplander Ext.
🢒
Safety and Security
🢒
Object Detection
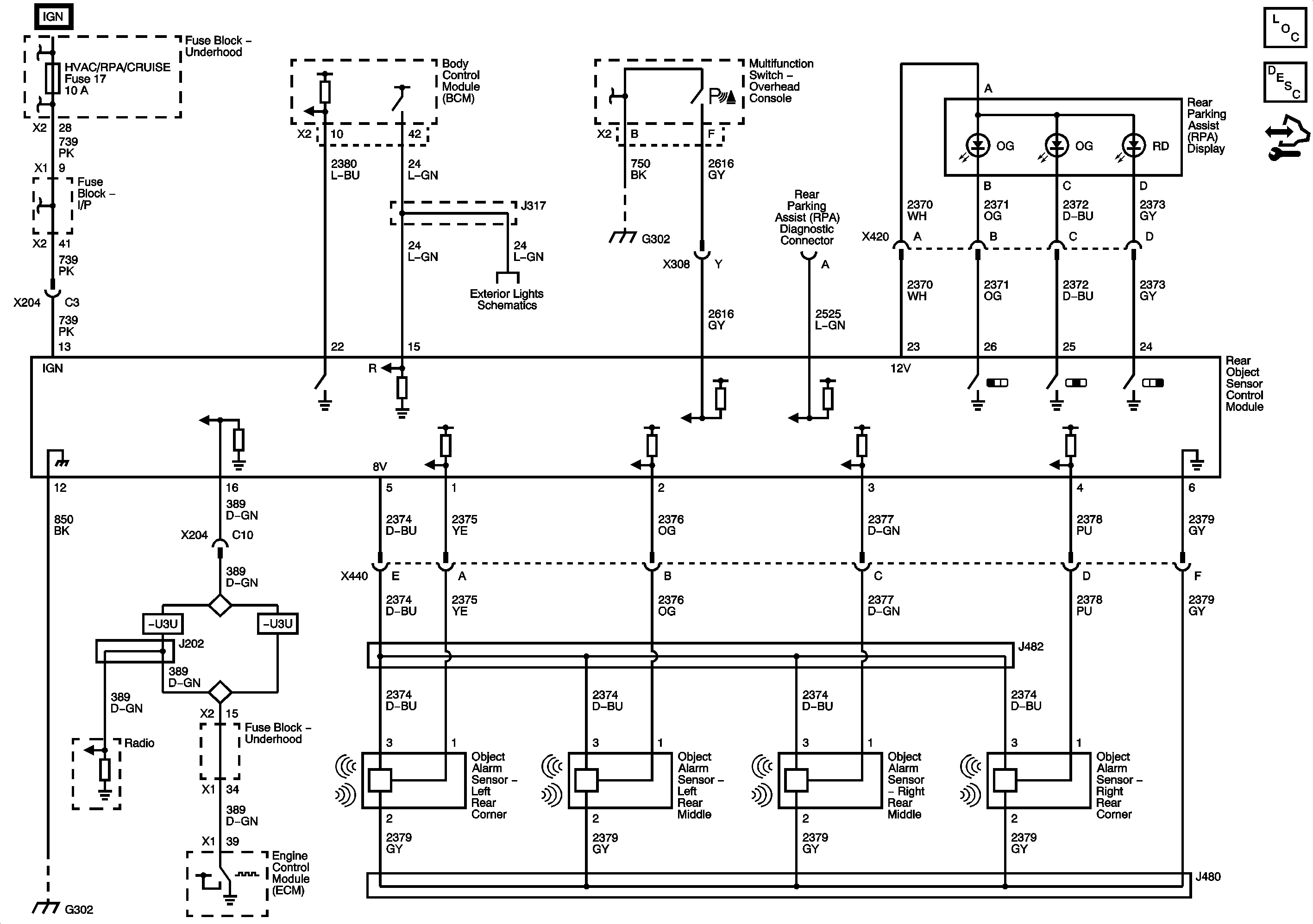
🢒 Object Detection Schematics
Master Electrical Component List
Object Detection Description and Operation
Control Module References