GM Service Manual Online
For 1990-2009 cars only
Makes
🢒
Chevrolet
🢒
2008
🢒
Uplander Ext.
🢒
Safety and Security
🢒
Theft Deterrent
🢒 Theft Deterrent System Schematics
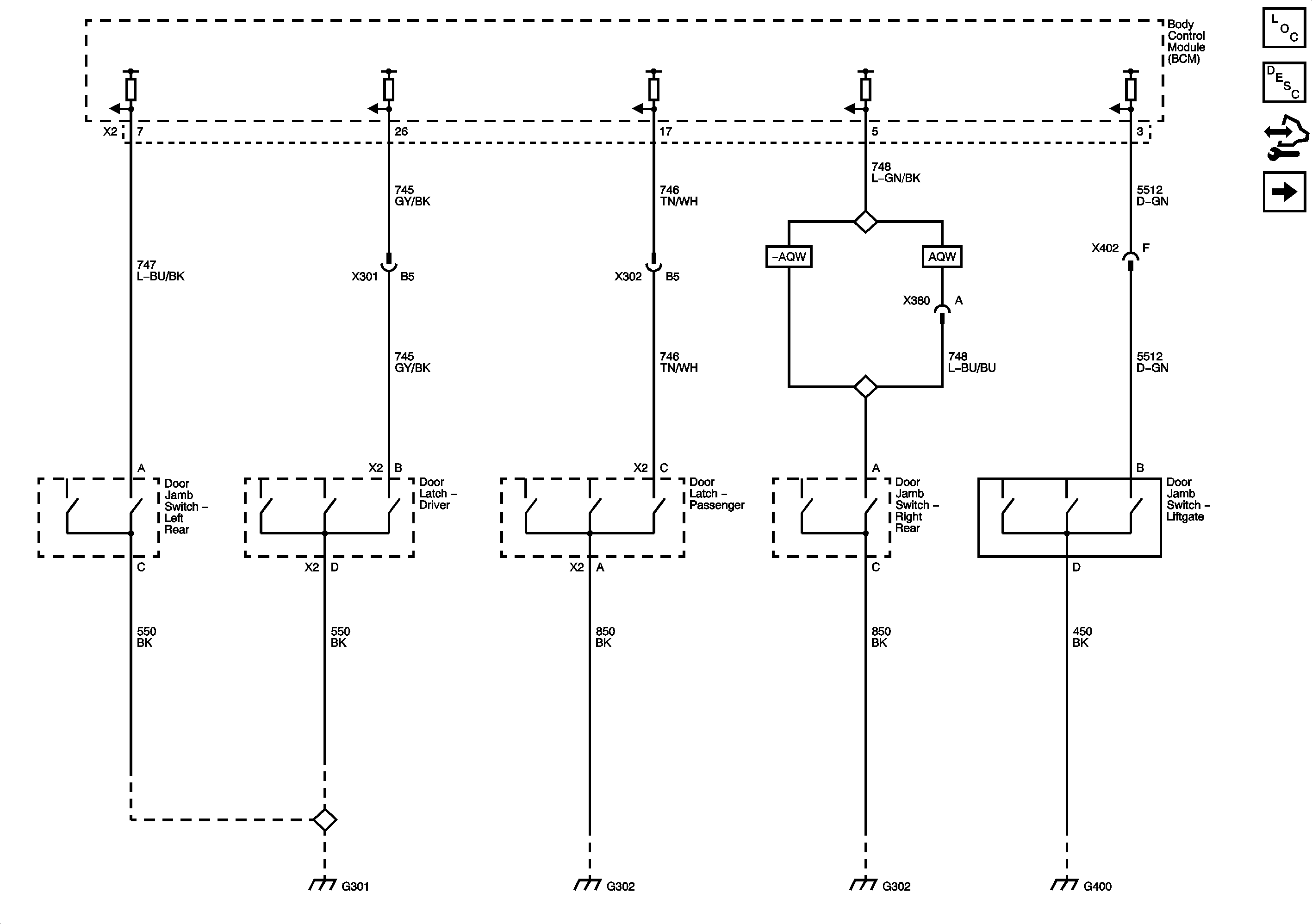
Figure
1:
Ajar Switches
Master Electrical Component List
Content Theft Deterrent (CTD) Description and Operation
Control Module References
Arm, Disarm and Warning
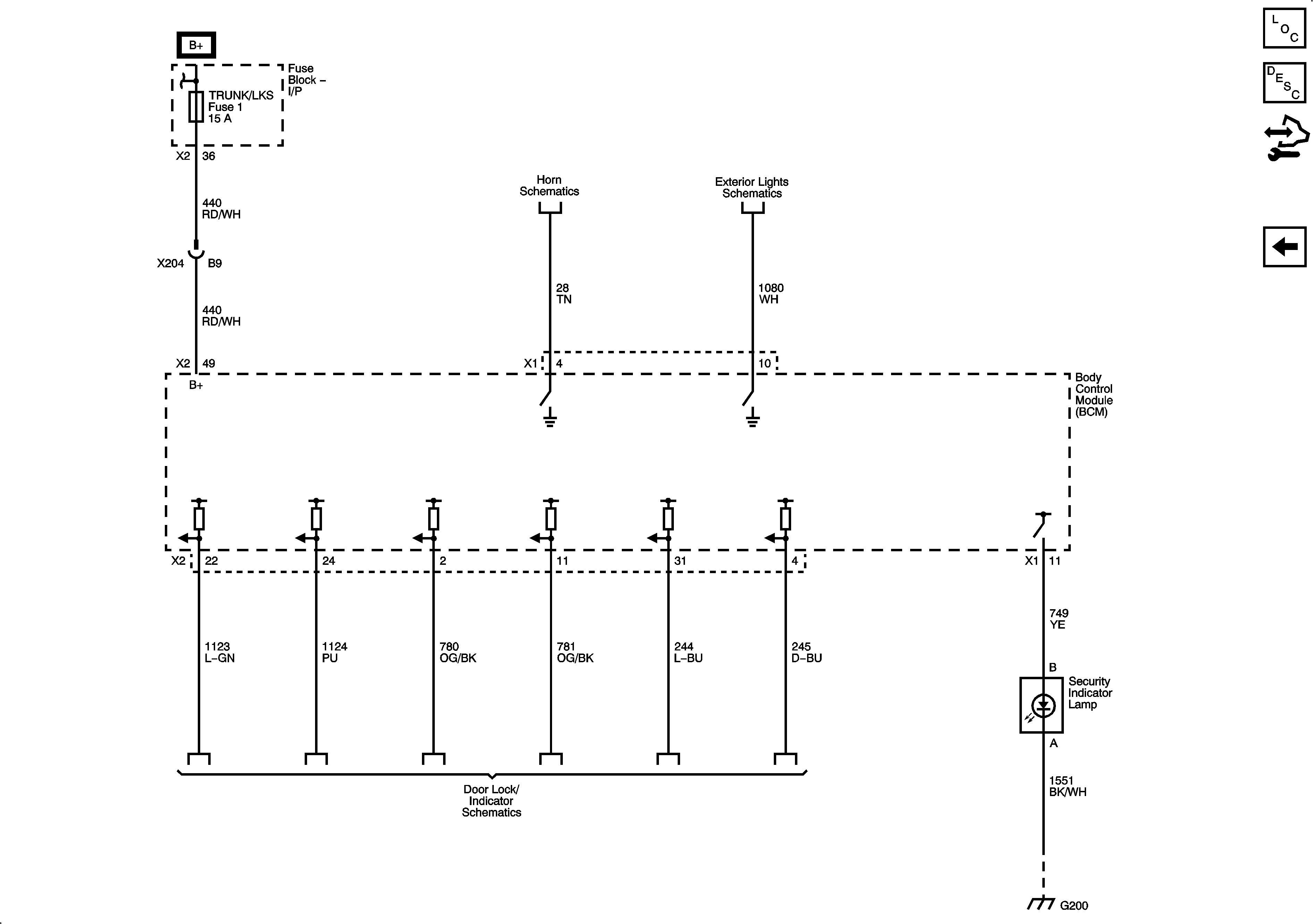
Figure
2:
Arm, Disarm, and Warning
Master Electrical Component List
Content Theft Deterrent (CTD) Description and Operation
Control Module References
Ajar Switches