GM Service Manual Online
For 1990-2009 cars only
Makes
🢒
Chevrolet
🢒
2009
🢒
Uplander Ext.
🢒
Engine
🢒
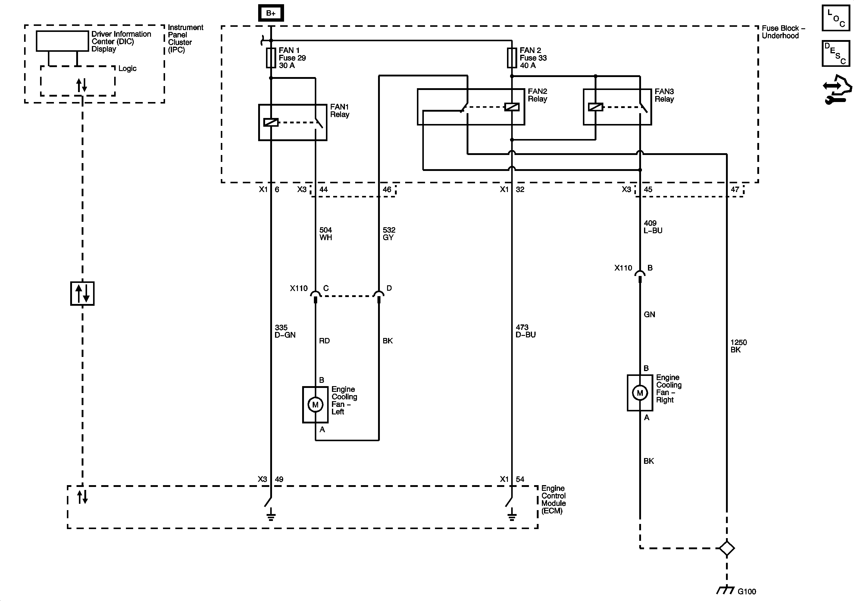
Engine Cooling
🢒 Engine Cooling Schematics