GM Service Manual Online
For 1990-2009 cars only
Makes
🢒
Chevrolet
🢒
2009
🢒
Uplander Ext.
🢒
Diagnostic Navigation
🢒
Vehicle Diagnostic Information
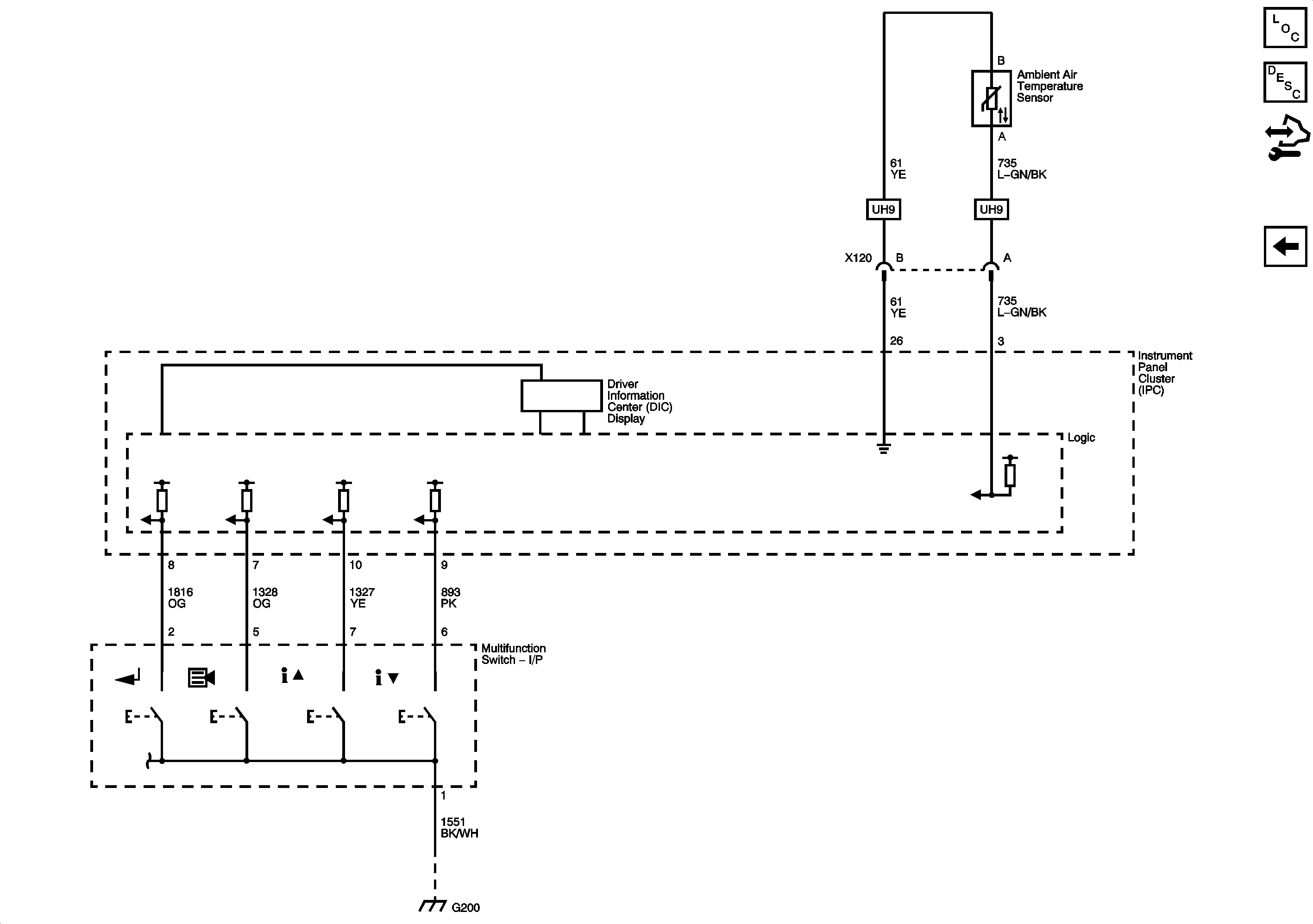
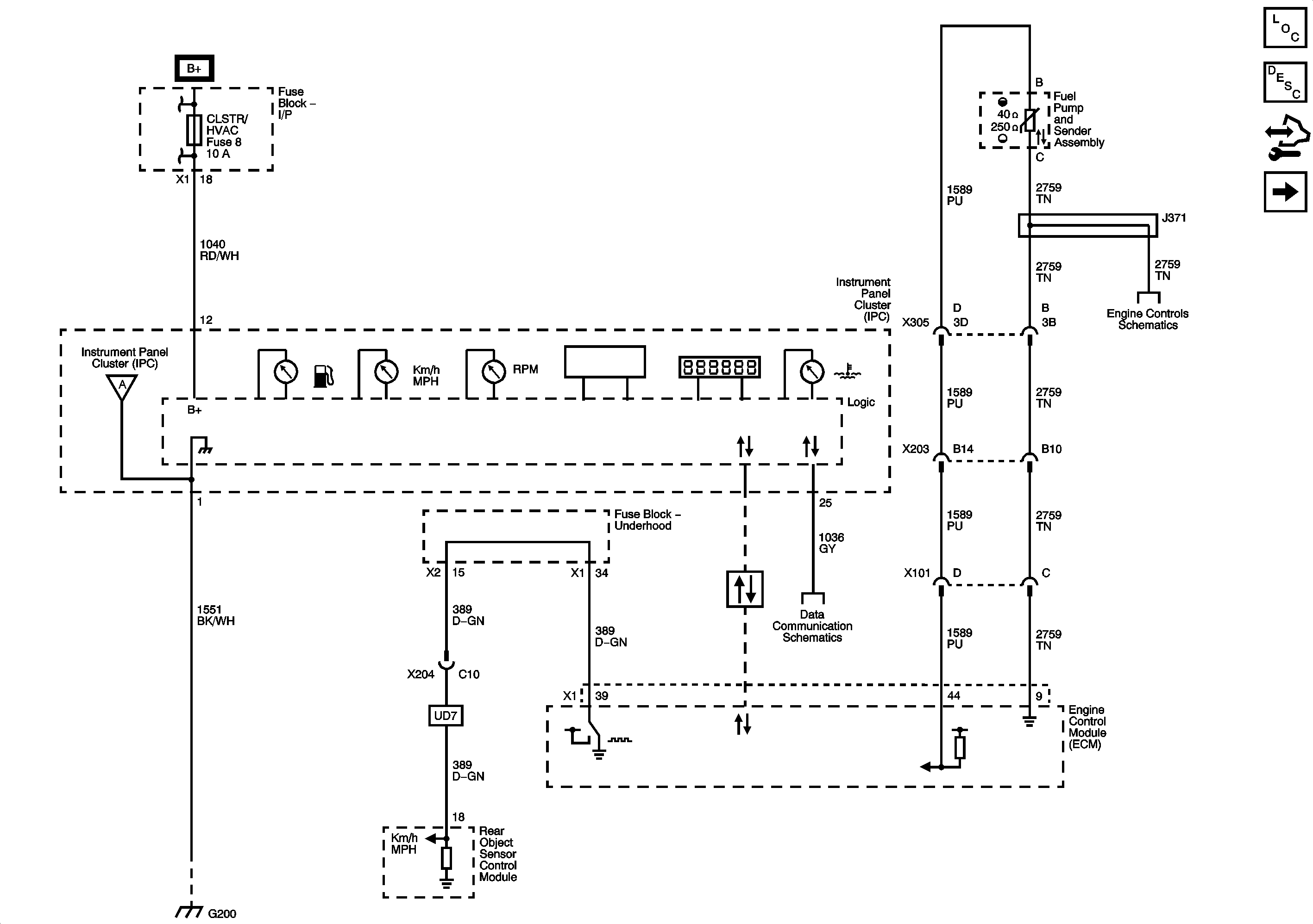
🢒 Instrument Cluster Schematics
Figure
1:
Gages, Ground, and Power
Figure
2:
Indicators and Lighting
Figure
3:
Messages