GM Service Manual Online
For 1990-2009 cars only
Figure 1:

Park, Marker, and License Lamps


Object Number: 2060340  Size: FS
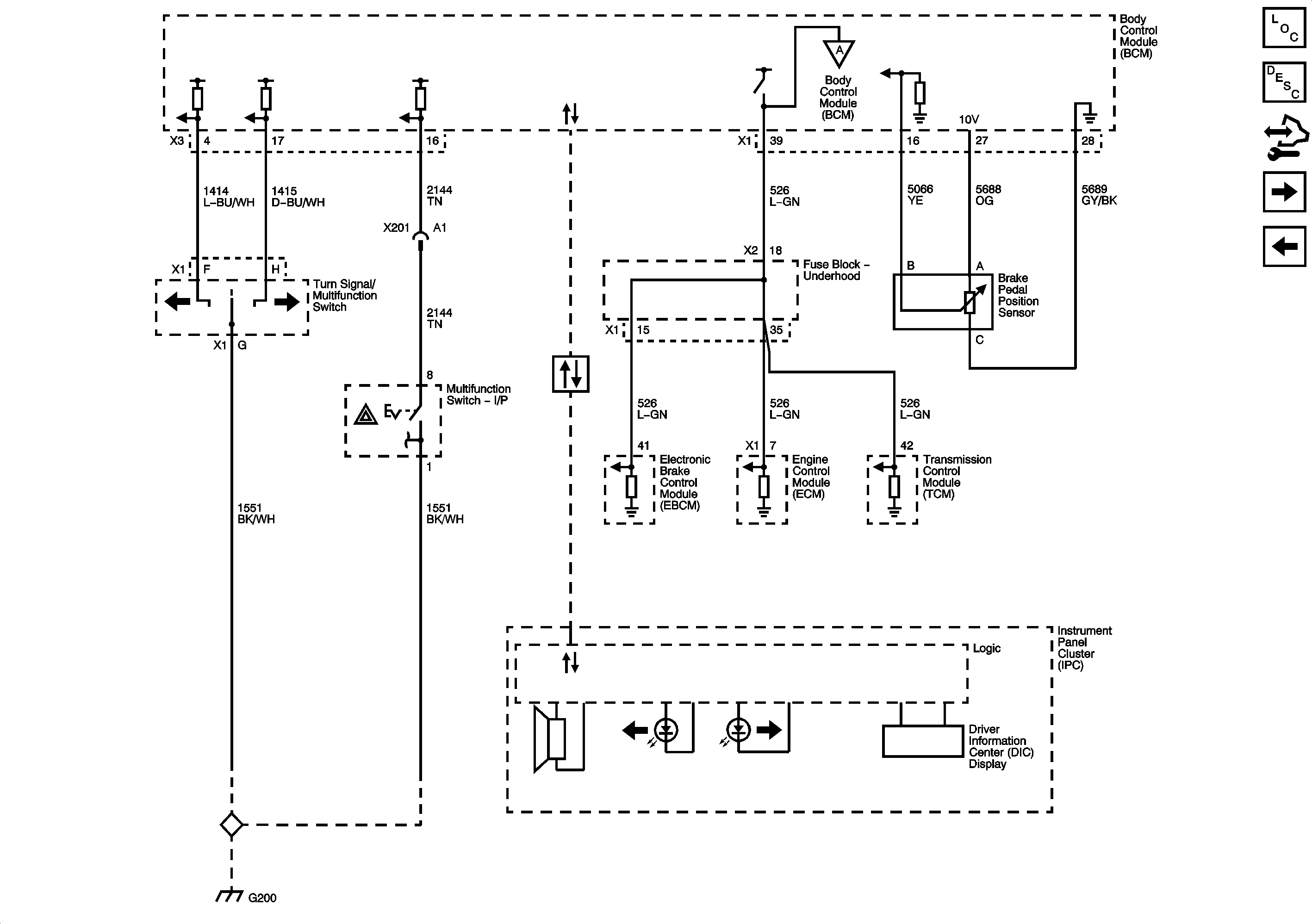
Figure 2:

Stop/Turn Signal Lamps Controls and Indicators


Object Number: 2060397  Size: FS
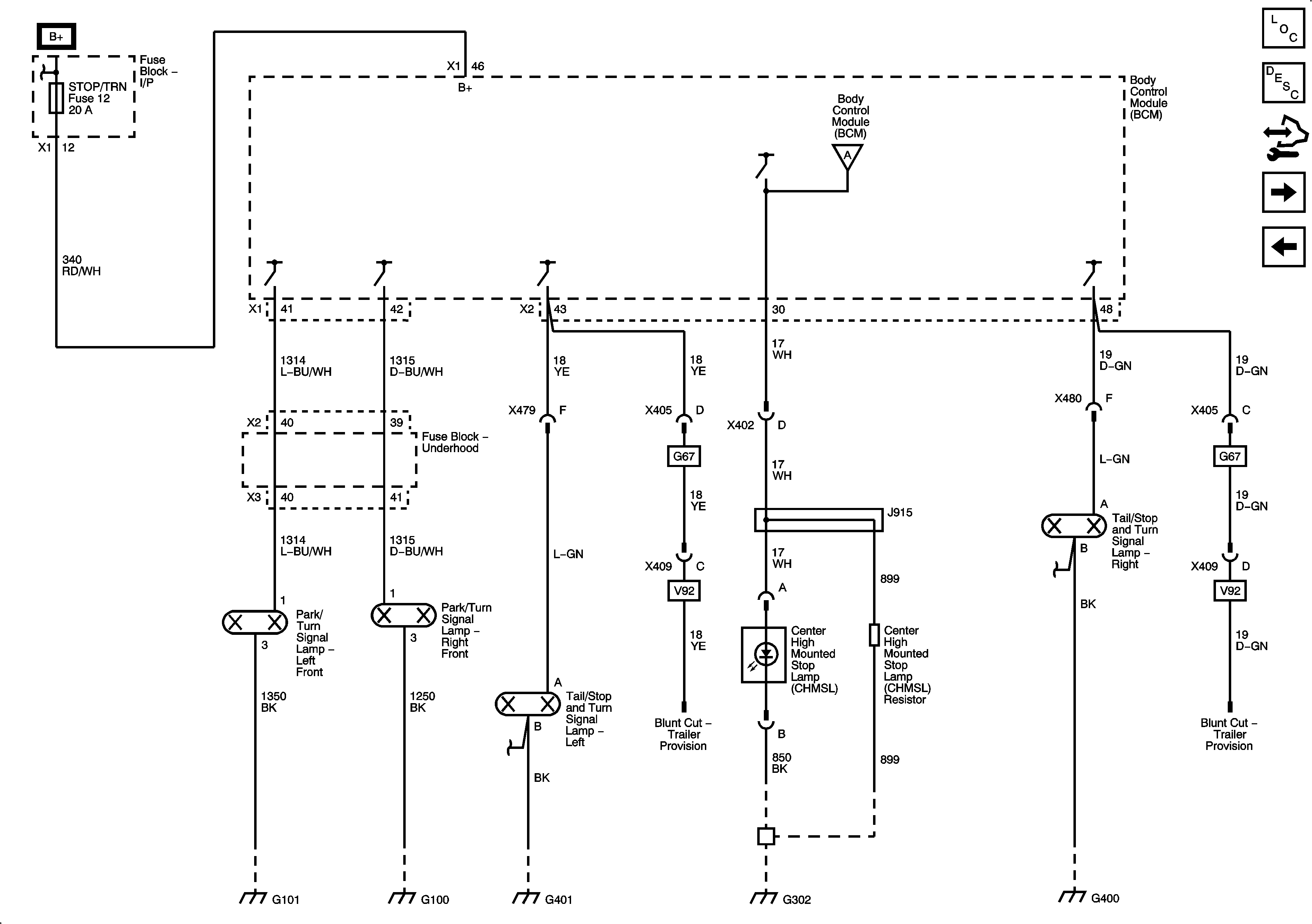
Figure 3:

Park/Turn and Stop/Turn Signal Lamps


Object Number: 2060406  Size: FS
Figure 4:

Backup Lamps


Object Number: 2060417  Size: FS