GM Service Manual Online
For 1990-2009 cars only
Figure 1:

Right Door Motor


Object Number: 2060564  Size: FS
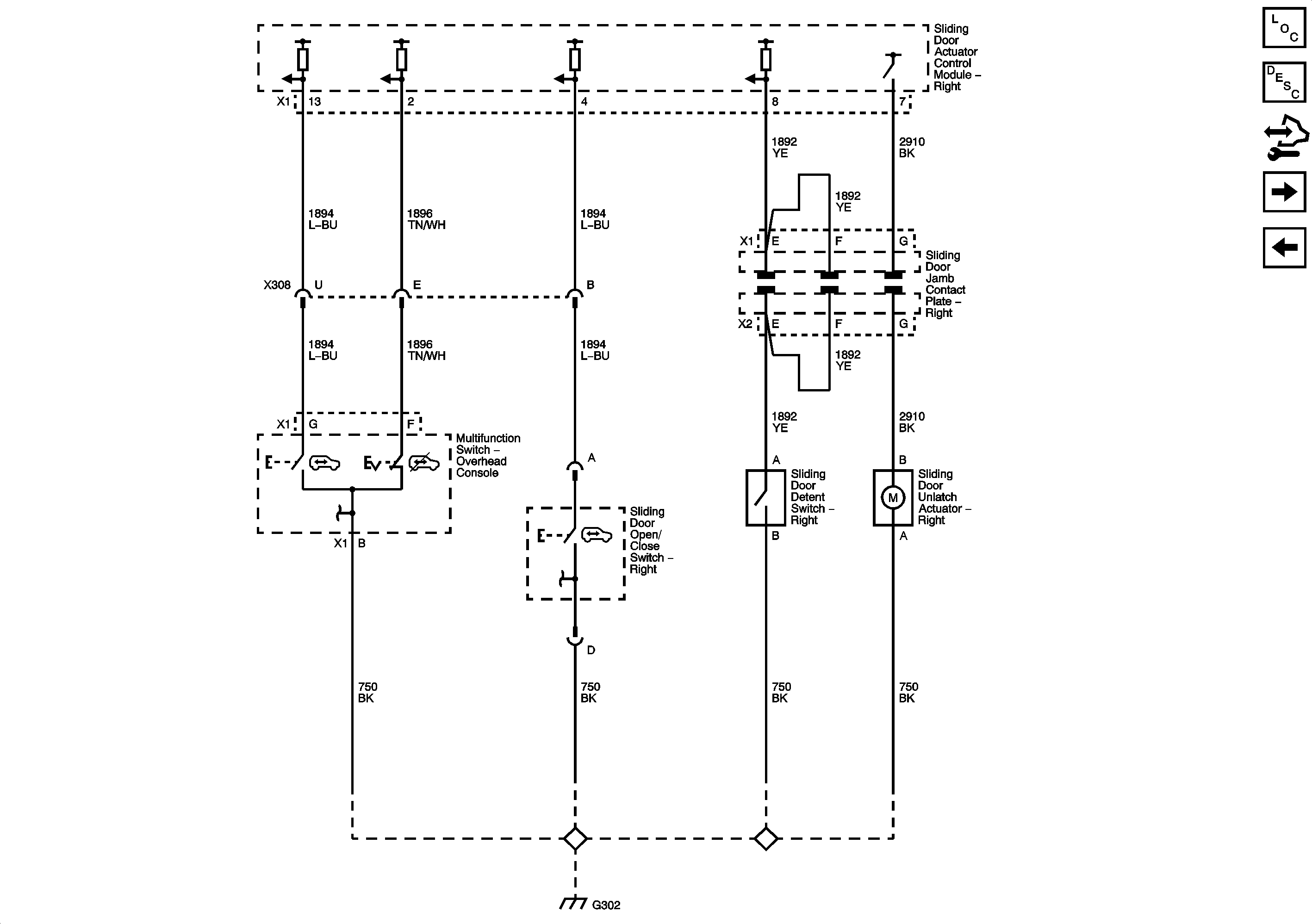
Figure 2:

Right Door Controls


Object Number: 2060560  Size: FS
Figure 3:

Left Door Motor


Object Number: 2060604  Size: FS
Figure 4:

Left Door Controls


Object Number: 2060602  Size: FS