GM Service Manual Online
For 1990-2009 cars only
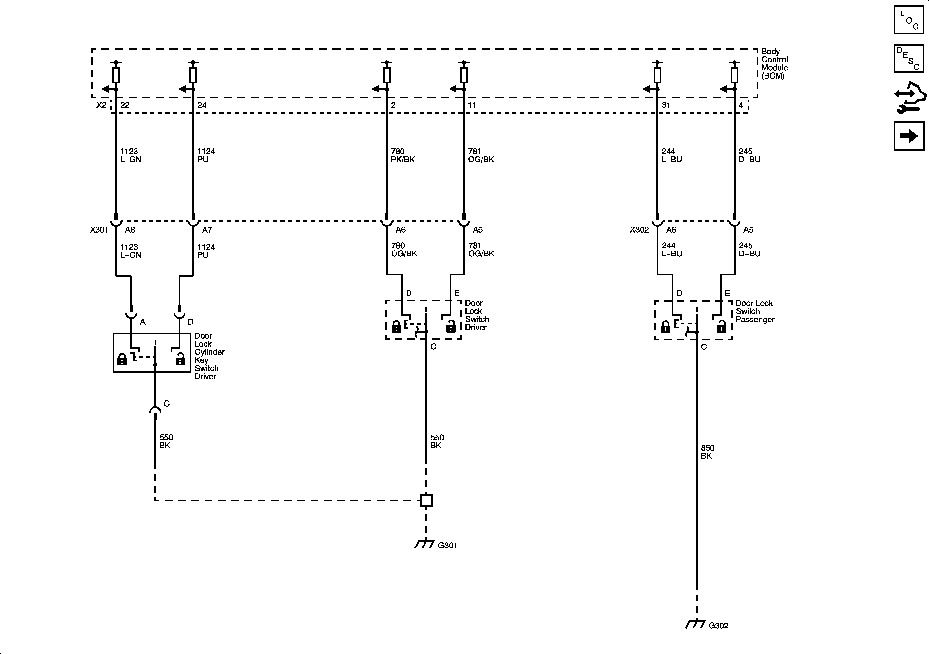
Figure 1:

Switches


Object Number: 2060512  Size: FS
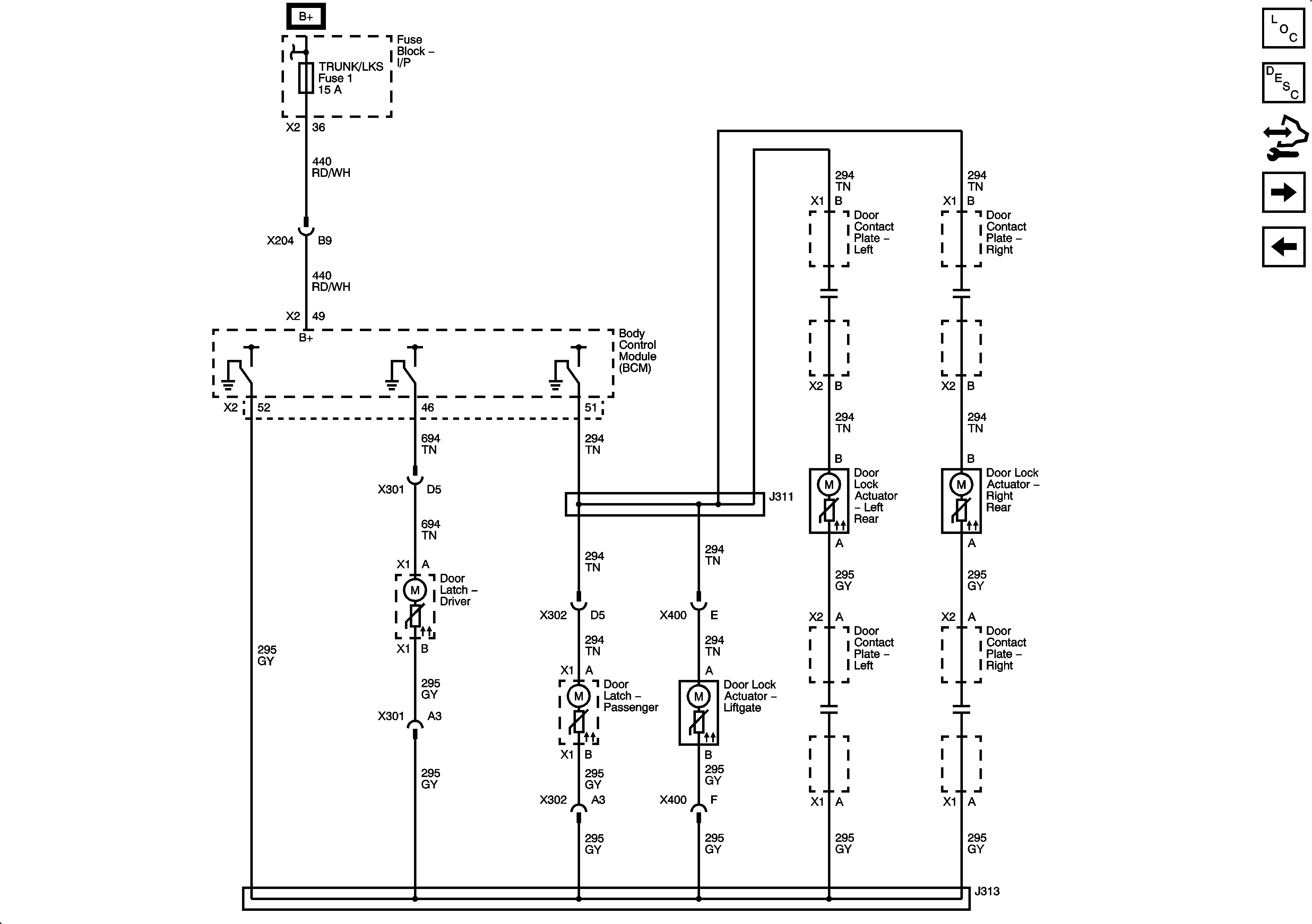
Figure 2:

Actuators


Object Number: 2060537  Size: FS
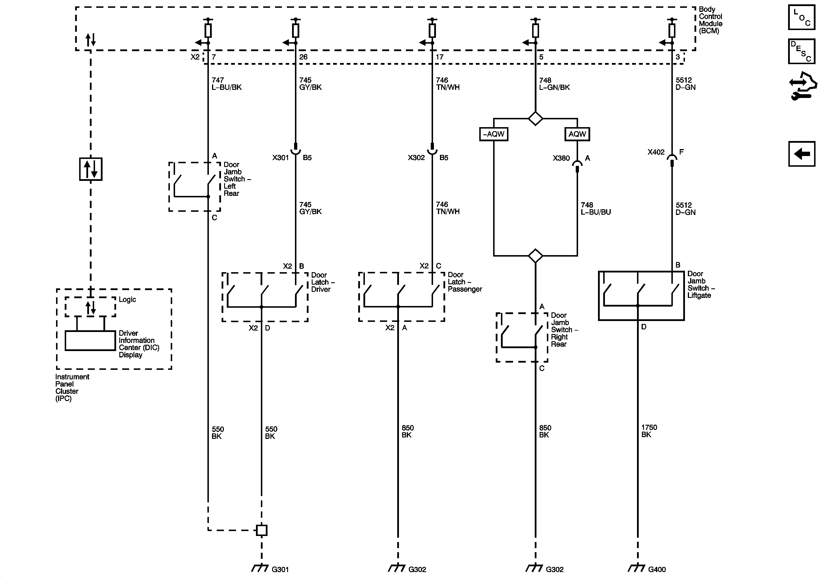
Switches
Figure 3:

Indicators


Object Number: 2060546  Size: FS