GM Service Manual Online
For 1990-2009 cars only
Makes
🢒
Chevrolet
🢒
2009
🢒
Uplander Ext.
🢒
Transmission
🢒
Automatic Transmission - 4T65-E
🢒 Automatic Transmission Controls Schematics
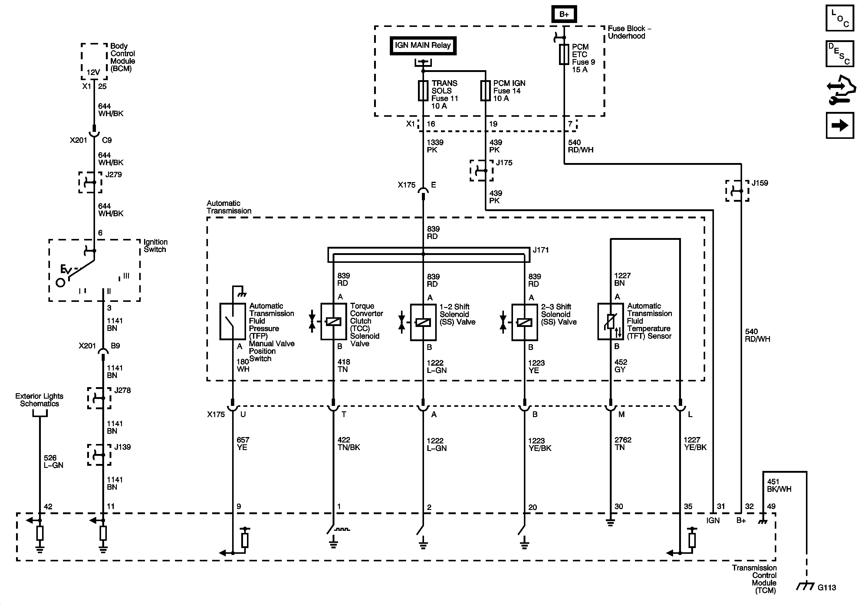
Figure
1:
Ground, Power, Shift Solenoids, Stop Lamp Switch, TCC, and TFT
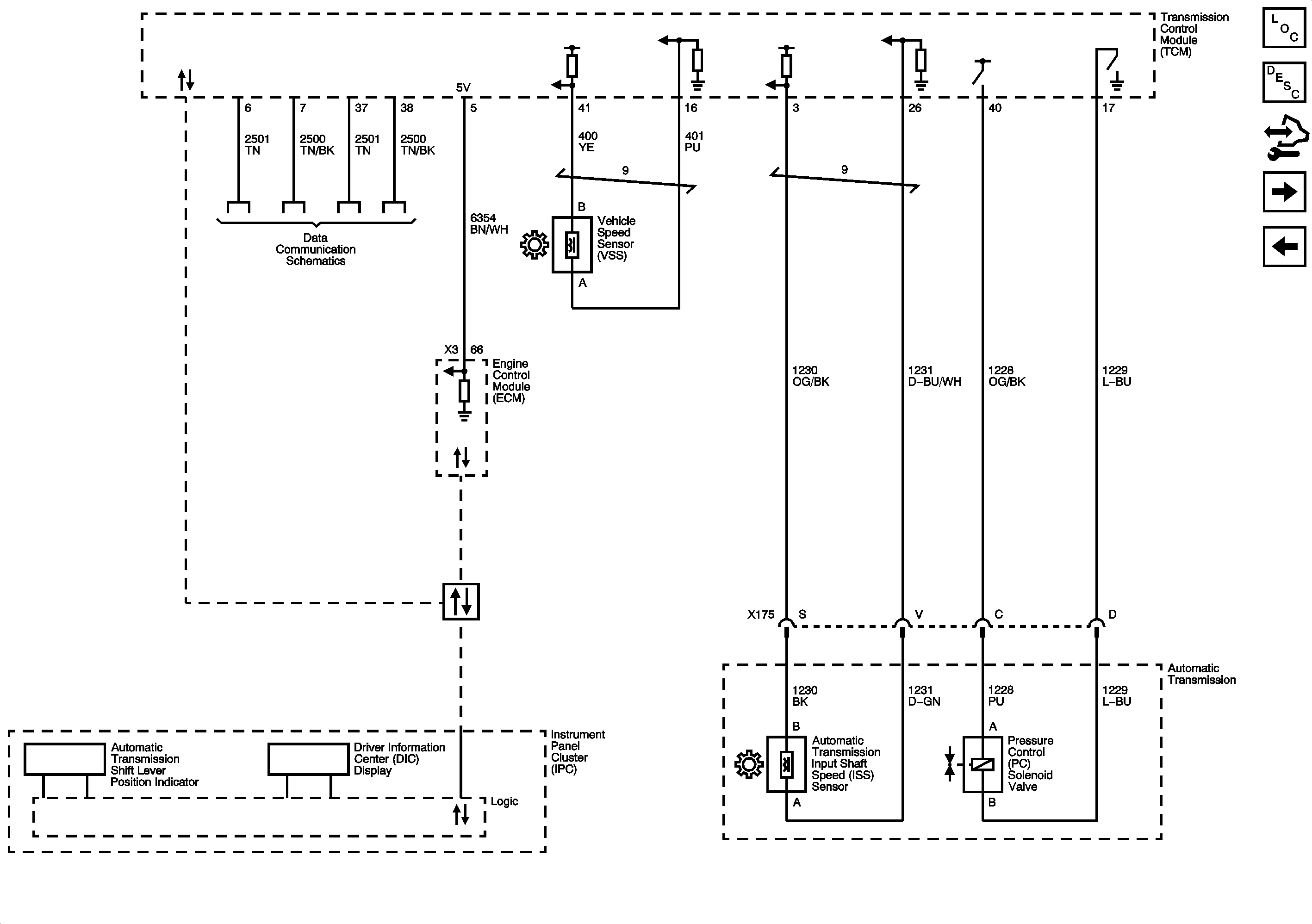
Figure
2:
Indicators, ISS, Pressure Control, Serial Data, and VSS
Figure
3:
Internal Mode Switch