GM Service Manual Online
For 1990-2009 cars only
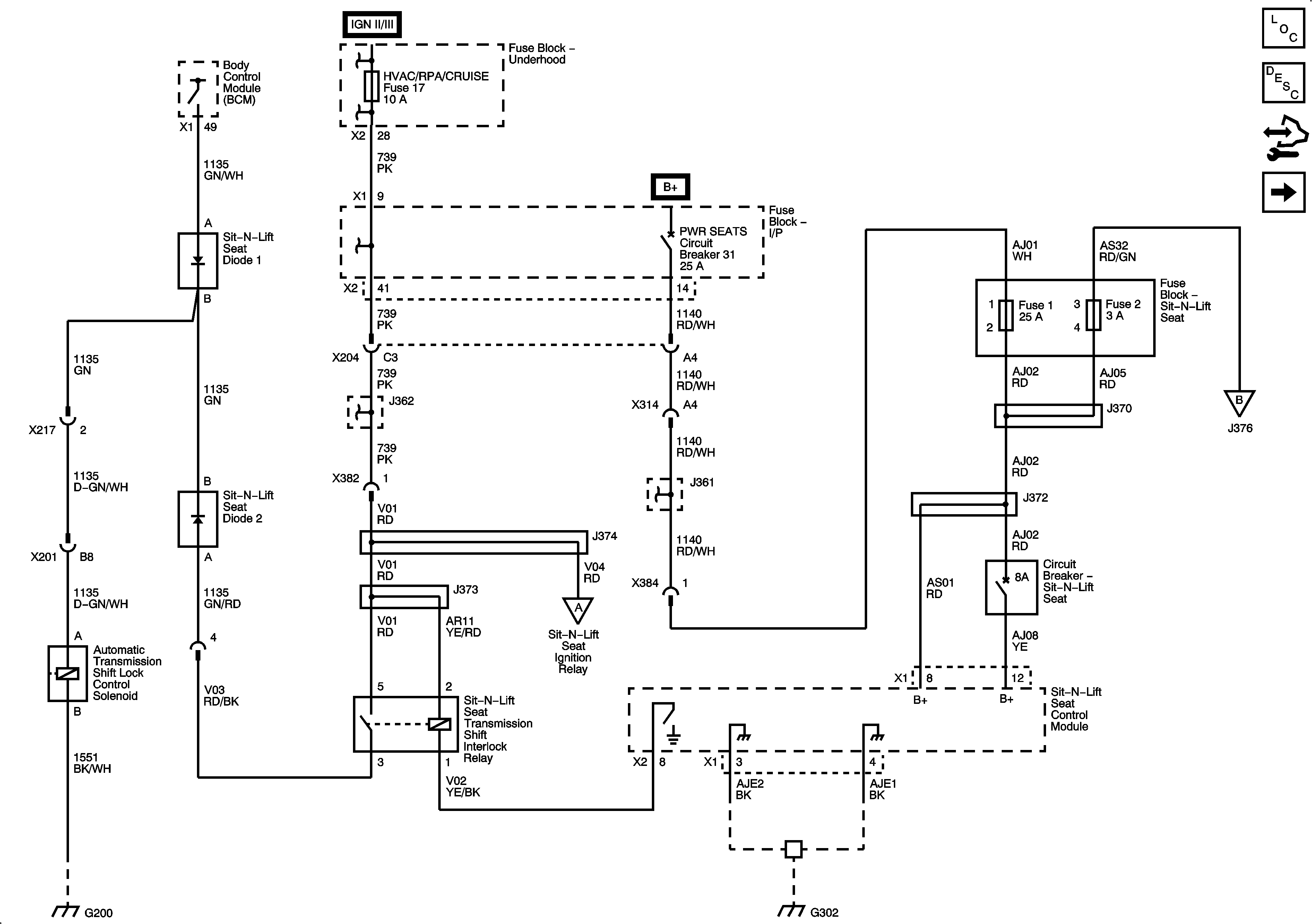
Figure 1:

Sit-N-Lift Seat Power, Ground, and A/T Shift Interlock


Object Number: 2061390  Size: FS
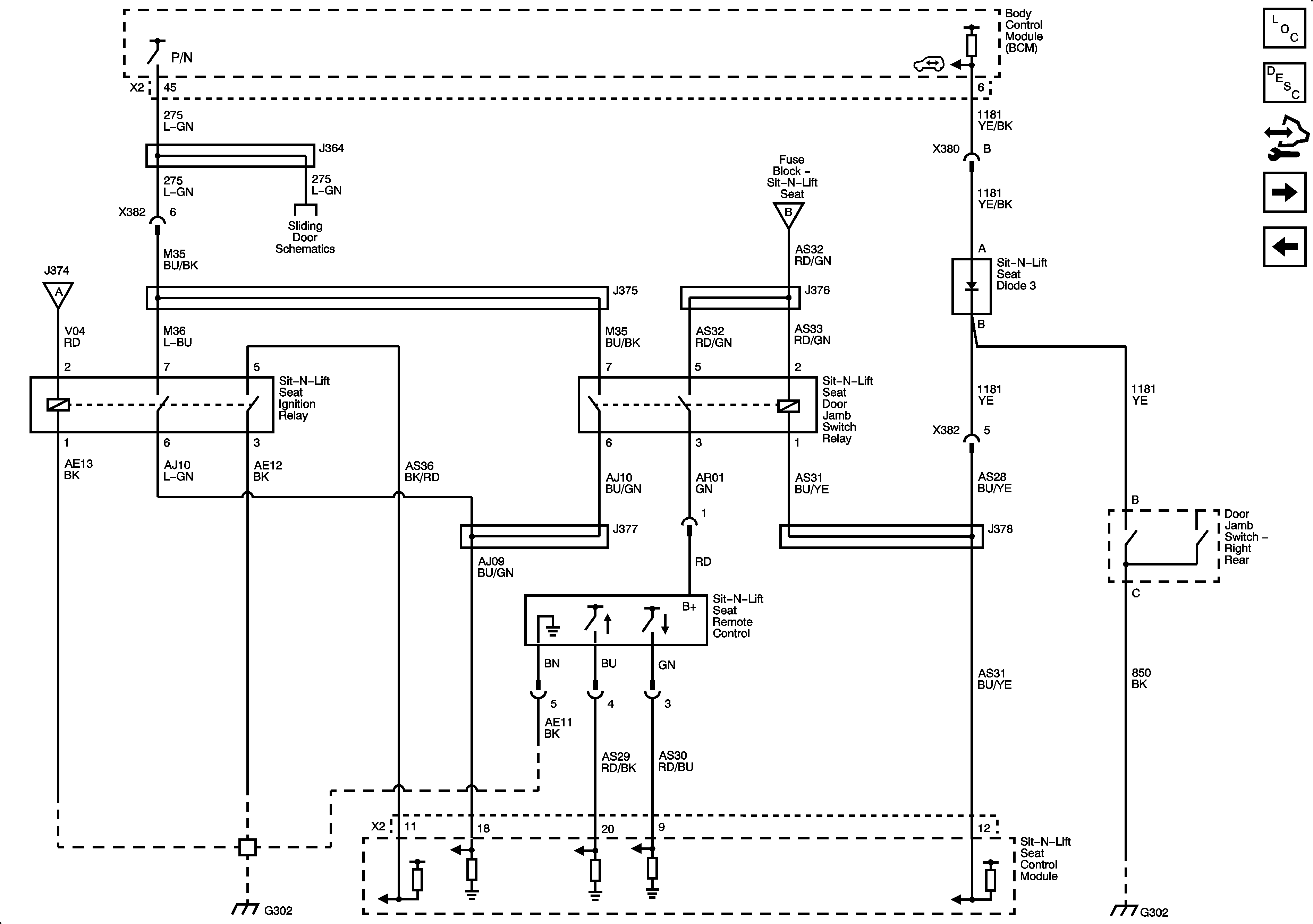
Figure 2:

Sit-N-Lift Seat Door, PNP Interlocks, and Remote


Object Number: 2061395  Size: FS
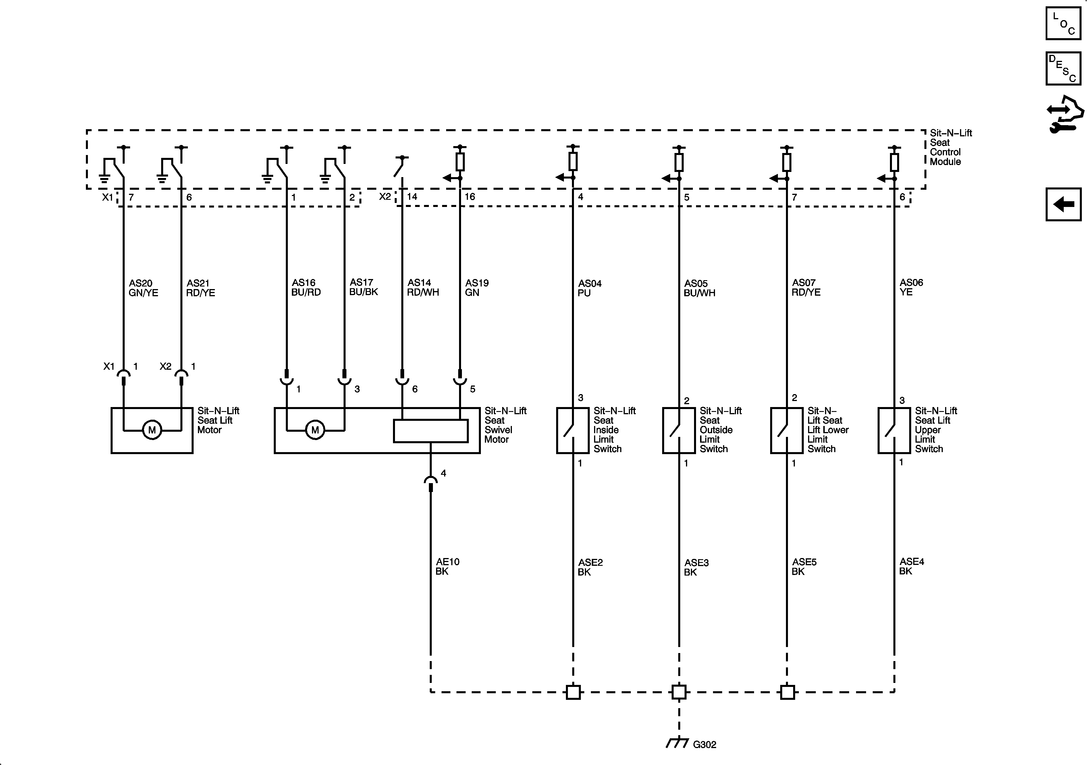
Figure 3:

Sit-N-Lift Seat Motors and Limit Switches


Object Number: 2061398  Size: FS